EasyManua.ls Logo

Loewe PLA 5303 PL - Page 68

Loewe PLA 5303 PL
71 pages
Print Icon
To Next Page IconTo Next Page
To Next Page IconTo Next Page
To Previous Page IconTo Previous Page
To Previous Page IconTo Previous Page
Loading...
1
1
2
2
3
3
4
4
5
5
6
6
7
7
8
8
9
9
10
10
A A
B B
C C
D D
E E
F F
G G
H H
I I
J J
K K
L L
M M
N N
O O
P P
Q Q
R R
S S
T T
U U
V V
W W
X X
Y Y
Z Z
UB
UNF+
UNF+
U12
UNF+
UB
UNF-
U8
U14
UNF+
U8
U12
U3.3
U7
UNF+
UNF-UNF-
UV-
U14
U25
U12
UNF-
UB
U12
U25
UNF-
Date:
IndexCode/Part-N°.
LOEWE.
Naming:
Variante:
071-073-074
UB
UG2
U14
U12
U25
U7
FOCUS
UB
U5
UV+
U5
U9
U33
UV-
U12
U9
UB
U5
U9
U25
U3.3
12
3
1
2
3
1
2
3
4
6
7
8
9
10
13
15
14
1
2
3
4
6
7
8
9
10
13
15
14
1
2
3
4
5
6
7
FLYBACK
GENERATOR
+
-
1
2
3
4
5
6
78
1
2
3
IN OUT
GND
1
23
4
1
2
3
IN OUT
GND
1
2
3
4
5
6
7
8
9
10
12
13
5
6
8
10
12
13
14
15
16
17
18
19
22
20
11
12
SCL
SDA
SSIF
13
14
15
16
TAG C
17
V33
V9
V5
IDC
18
19
21
22
23
CCVS
VANT
AC1
AC2
24
25
26
VIDAD
IFAGC
AF
11
12
SCL
SDA
13
14
15
16
TAG C
17
V33
V9
V5
IDC
18
19
21
22
23
CCVS
VANT
AC1
AC2
24
25
26
SIF
-PIP
FM
1234 56 78 910111213
1
2
3
4
1
2
3
4
5
6
7
8
9
1
2
3
1
2
3
1234 56 78 910111213
1
2
1
2
3
4
5
1
2
3
4
1
2
1234 56 78 910111213
1
2
1
2
VPROT
V-
UV-
V+
UV+
= Primär GND
= Analog GND
= NF GND
D671
Q624
TDA4605-3
100p
C556
C567
C632
4n7
C636
330n
47µ
C201
100µ
C521
C622
D527
D558
D622
D630
22µ
L521
Q534
R527
R529
R532
R533
R565
R566
3k3
R573
R578
R618
R624
R630
R632
R678
R679
12R
UF
GND-ZF
FBAS
UMUTE
LS-L
LS-R
R569
470R
2200µ
2SC4542
40k2
82k
82k
0R1
R687
F661
3R3
R521
7A
R633
C674
C661
C663
330n
C673
C662
R663
HDRIVE
HDGND
L532
R528
C527
L553
HPOS
EW
VPROT
V-
V+
VFLB
R534
C533
C537
C538
Q531
Q532
R537
L537
10k
47µ
470R
R564
2200µ
C558
W3152 CRT-PCB
USVM
R547
C547
100p
D547
100p
C557
SEKGND
FP
HFLB
32KV
VFLB
R541
D548 D549
= SEKGND
= HPGND
= HDGND
= Defl GND
= EW GND
EWGND
TL431AC
470R
R567
(3)
(4)
(13)
(5)
1N4148
220n
C581
Q585
100n
C555
C541
1k8
C532
D531
R555
C540
R543
C550
L547
L541
L542
C535
C534
L531
D687
330n
C692
100µ
C691
C667
BA157
U8
B544
B543
L590
1m6
(11)
(7)
(1)
(6)
(8)
(12)
(2)
470R
R563
UB prot
L202
RSIG
L538
L685
P662
R670
R492
1k
R585
Q582
BC557B
10k
R582
R583
390k
R584
C582
SSIF Terr.
150µ
L534
SCL4
SCL3
SDA3
R662
1µ
C634
D669
D672
L661
L536
BA157
D541
22µ
C548
100µ
Jump wire
22n
Jump wire
3R3
RU2
BA159
3R3
100p
3R3
100p
EU02
BC547B
4n7
100p
RU2
ESC011
2µ2
100µ
100µ
BYW98
100µ
L7808
100µ
150R
33k
680p
26.07.2000
R531
B537
3k3
R589
10k
R588
4k7
R587
100n
C589
C588
10µ
22µ
L588
L540
1%
1%
10k
1N4148
D491
R664
1k
L650
C657
470µ
C656
680p
C651
47u
L687
220n
C689
680p
C688
C542
R629 R626
330n
C666
330n
C693
100R 100R
R653 R654
D590
D589
BA157BA157
R550
AF
Q526
2SC3944
D526
1N4148
56R
R526
1µ
C524
Tr
R686
0R1
F656
R530
R525
R524
4k7
4k7
4k7 4k7
4k7
4k7
22R
C670
L656
R491
3R3
D652
(9)
D533
BA157
C544
R539
R538
100k
100k
100k
R516
R535
D546
R549
47R
R540
R517
L530
R518
R536
10k
4k7
R657
4k7
R658
R590
10R
10R
Q589
BC557B
1R
1R
R592
R591
R593
Q593
R671
Q661
R648
R649
Q648
R673
BYW98
D656
R661
R665
R651
R669
D670
R680
D680
R652
1R
C694
100µ
C660
22R
22R
R551
150k
Q586
BD537
BF422
Q533
C551
R508
Q508
R509
R510
Q511
R511
R512
C511
B535 B533
22R
22µ
10R
ZTX614
ZTX712
22m
Typ-Var.
C639
10M
R639
F611
T5A
F672
82R
1k
R675
2k2
R548
R542
R612
L626
R613
D613
C618
C616
C611
B621
R546 R553
D584
D532
B532
L686
D666
R647
4700µ
C672
1n5
1k5
100p
2W
56k
R621
C687
470µ
1k
R674
4k7
R668
18k
R666
C665
330n
22n
C664
12V
D660
Jump wire
D568
220µ
C563
R574
40k2
R579
R568
1R5
D561
BA157
1n5
C578
C577
C569
220n
470n
C568
C562
220n
Typ-Var.
RU2
D557
R660
10k
R627
B622
D636
BA157
C627
680k
R634
680k
R625
R622
820k
4k7
R623
R635
220n
C623
R646
R488
R483
R482
R468
470R
3W
3W
470R
R466
L489
L479
D645
1N4148
D474
4µ7
C492
2n2
C488
C487
C486
1µ
C484
C482
22µ
2n2
C478
2200µ
C468
2200µ
C466
100µ
C203
100n
100n
22k
22k
680R
22k
R484
22k
6k8
R471
C479
C489
R476
R477
C483
R467
22k
R205
47µ
L203
R206
D206
10µ
C206
B215
F655
F654
CCVS-PIP
Q646
D646
B549
33k
10k
R586
1k
R580
B497
3µ8
3µ8
C30V0
BC556B
1N4148
100k
22n
TL431
220k
1k
C3V9
C30V0
SD103
47µ
Lin
1M8
3R3
PTC
Jump wire
C30V0
150p
C650
R552
1k
R672
BYW98
D686
22k
R478
22k
R474
22k
R472
100n
C477
1µ
C476
C473
100n
22µ
C472
BUZ71
Q674
10k
R581
TL431AC
220µ
C677
R677
1%
10k
SDA4
B536
W611
Netz in
C619
100n
Q562
I569
C659
R561
R562
R560
C552
B224 B228
UVID
22n
C549
R693
Brücke
22R
22R 470p
BUZ91A
220n
2k2
100V
47k
3k3
56k
18k
30V
C669
C678
2n2
4n7
C631
C621
470n
B620
C668
4µ7
C658
C474
C467
TDA7296
R473
680R
R479
R489
220R
220R
L539
L543
C528
680p
100p
C526
C676
330n
Q663
BUZ71A
100k
PS2561-1L-V
1k8
100R
STPS20L40CF
C590
C545
D663
B218
B547
B261
1m
1µ
470µ
2n2
22µ
C481
22µ
C471
1M
Typ-Var.
Typ-Var.
Typ-Var.
Typ-Var.
Typ-Var.
220µ
10k
TL431AC
Typ-Var.
Typ-Var.
330n
BUZ71F
3k9
10k
120R
BYT08
Typ-Var.
Typ-Var.
Typ-Var.
BA157
150K
220R 220R
Typ-Var.
Typ-Var.
Jump wire
Jump wire
0R68
200µ
BYW98
10µ
2n2
10µ
2n2
BC547
10k
10k
BC547
22k
33k
39k
2N6388
22k
33k
33k
BF422
10k
150k
22µ
FBI5L1M1
BUZ71F
15k
Typ-Var.
F6A
0R56
0R68
680µ
680µ
2x 6m8
T1.25A
100k
F4A
BYW80
white
white
330p
C614
390p
C553
470p
C546
BSY26-45
D647
3k3
R676
3N9
C637
220n
33n
C626
D624
BYT13
39K
R628
3W
R690
1R
R207
B216
B229
R208 R209
220n
C612
1R5
R557
1R5
R558
220n
C613
Typ-Var.
C543
Typ-Var.
C531
1k
R636
22k
R204
Jump wire
TDA8177
100R
R691
100R
R692
R688
R689
1R
1R
5k6 5k6
Typ-Var.
Typ-Var.
TDA7296
to
MP1
MP2
MP01
MP8 MP9
MP10
MP7
MP3
MP4
MP5
MP6
MP15
MP14
MP13
MP12
MP11
UNF+ = +13.5V
UB = 136V
#
)/150V*) 32" WSSF/16:9
UB = 142V
#
)/156V*) 33" FS/4:3
UB = 146V
#
)/160V*) 32" WSRF/16:9
UNF- = -13.5V
UVID = 210V
UMUTE = +7V
UV+ = +13.0V / +14.5V*)
UV- = -13.0V / -14.5V*)
UG2 = 760V
Typ-Var.
Fokusblock
W214
W545
Supply voltage potential Set potential (off ground)
I611
Vert.
Hor. final stage
to Control unit
to Degaussing
Final stage stereo
Hyperband tuner
W569
rt
I676
D539
W211
Hor.
W-TRAFO
T639
I691
I663
T612
R619
I670
W532
T540
T528
W213
L78S09
Kont
I561
I669
E3
W610
U202
U203
W470
I674
W619
SAT
W550
W511
I474
ws
W260
W560
Tuner
Tuner-PIP
W472
W482
green
only with tuner MP
only PIP
I484
to Signal Board W1003
E2
to Signal Board W1311
to Signal Board W1731
Basic Board
A2400
T531
W512
Vert. deflection
Power supply
O/W-Korrektur
E/W-correction
396-87715. f
#
) = NTSC Mode
Jump wire
Jump wire
*) = 1080i Mode
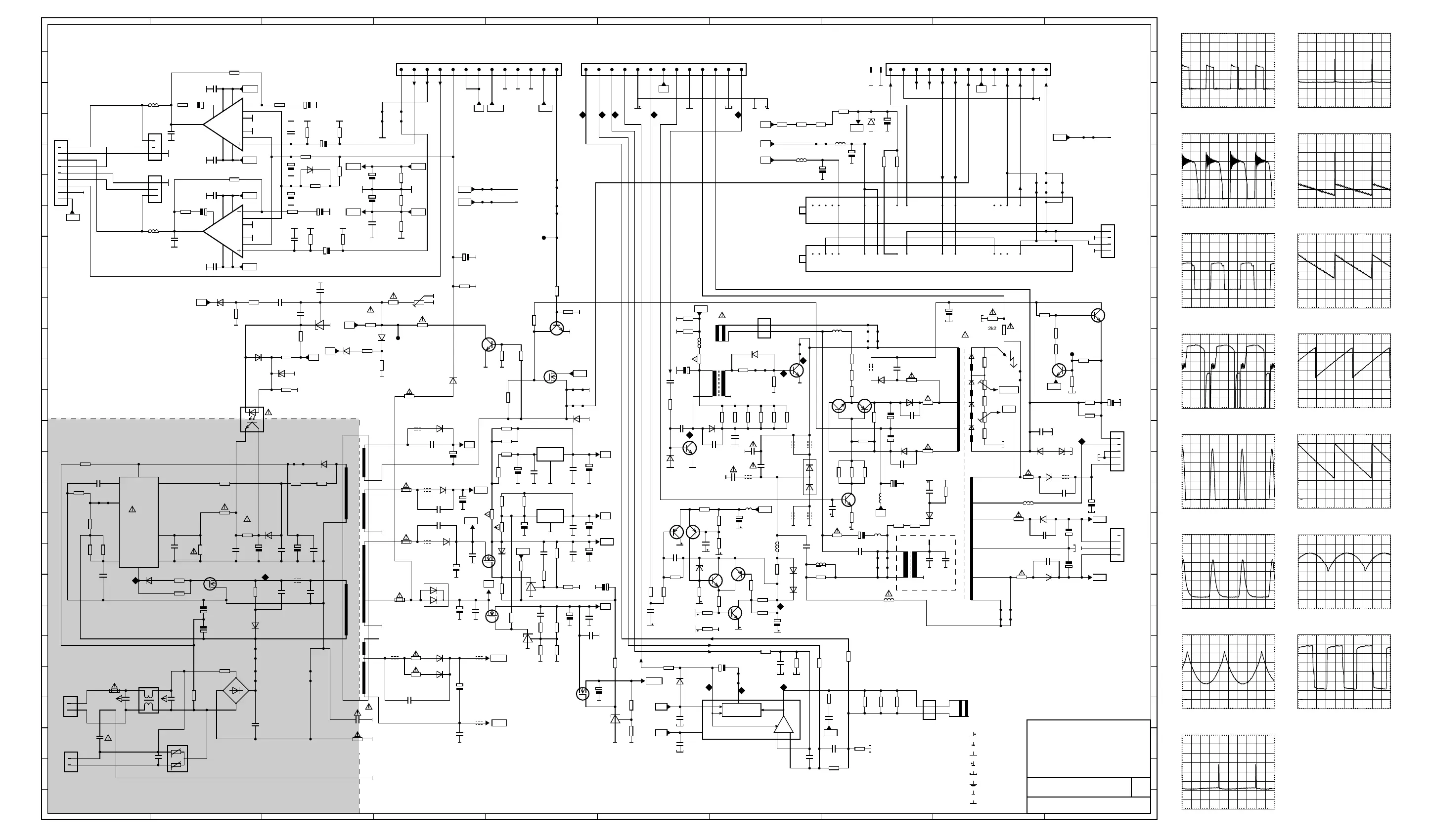
5.00V/Div DC
5.00µs/Div
ch1: pkpk= 13.7 V ch1: T = 13.2 µs
Oscillograms
MP1 MP9
MP2 MP10
MP3 MP11
MP4 MP12
MP5 MP13
MP6 MP14
MP7
MP8
MP15
0
0
0
0
0
0
0
0
0
0
0
0
0
0
0
100V/Div DC
5.00µs/Div
0
ch1: pkpk= 519 V ch1: T = 13.2 µs
20.0V/Div DC
10.0µs/Div
ch1: pkpk= 58.6 V ch1: T = 32.0 µs
1.00V/Div DC
10.0µs/Div
ch1: T = 5.77µs
200V/Div DC
10.0µs/Div
ch1: pkpk= 1.12kV ch1: T = 32.0 µs
5.00V/Div DC
10.0µs/Div
ch1: pkpk= 20.3 V ch1: T = 32.0 µs
5.00V/Div DC
5.00ms/Div
ch1: pkpk= 17.7 V ch1: T = 20.1ms
10.0V/Div DC
5.00ms/Div
ch1: pkpk= 27.3 V ch1: T = 20.0ms
10.0V/Div DC
5.00ms/Div
ch1: pkpk= 25.7 V ch1: T = 20.0ms
10.0V/Div DC
5.00ms/Div
ch1: pkpk= 47.0 V ch1: T = 20.0ms
ch1: pkpk= 1.39 V ch1: T = 20.1ms
500mV/Div DC
5.00ms/Div
500mV/Div DC
5.00ms/Div
ch1: pkpk= 1.65 V ch1: T = 20.0ms
500mV/Div DC
5.00ms/Div
ch1: pkpk= 1.89 V ch1: T = 19.9ms
500mV/Div DC
5.00ms/Div
ch1: pkpk= 995mV ch1: T = 20.1ms
500mV/Div DC
10.0µs/Div
ch1: pkpk= 2.37 V ch1: T = 32.0 µs
L
L
R
R

Related product manuals