EasyManua.ls Logo

Loewe PLA 5303 PL - Page 9

Loewe PLA 5303 PL
71 pages
Print Icon
To Next Page IconTo Next Page
To Next Page IconTo Next Page
To Previous Page IconTo Previous Page
To Previous Page IconTo Previous Page
Loading...
1 - 9
Harry Knauer
W1716 W1012 W1251W1613 W1681W1004W1017
W1101
W1016
W1200
W1241
W1871
W1003
W1311
W1731
Signal Board
Service plug
Degaussing
Degaussing
switch
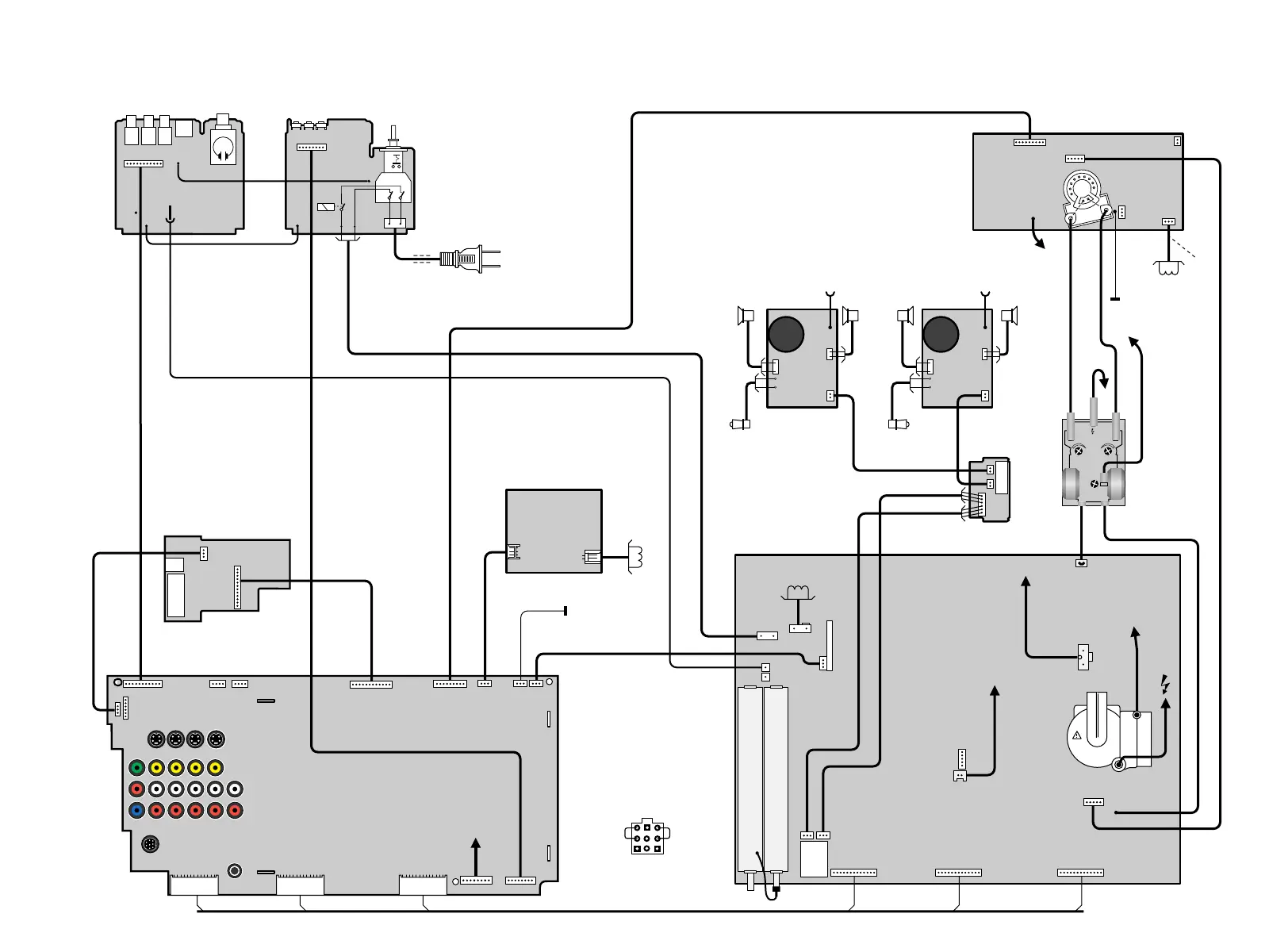
Wiring diagram • PLA 5303
U
G2
to Picture tube earthing
Booster coil
W1
Internal
Internal
N3
N4
N5 N5
W1
L1
low 
frequency
wide 
band
low 
frequency
N3
N4
L1
treble
EXT.SP 2
treble
U
G2
D
F
o
c
u
s
1
F
o
c
u
s
2
Screen
Foc 1
out
Foc 2
out
Correcting coil
N8
wide 
band
N8
W550
W569
W560
W619
W611
W212
W482
W214
W216
Chassis A 2400 / Basic Board
W545
T 531
Tuner / IF - Multisystem with antennasplitter
260-87507.051
W470
W211
W610 W511
Tuner / IF - Multisystem
260-87346.050
W532
D
W
472
Cross-Over
network
Cross-Over
network
W3201
W3154
W3258
W3362
W3152
CRT board & SVM
Focus 1
Focus 2
to Picture tube earthing
W31
W03
W01
W831
W881
W801
W886
W02
Rotation panel
LP- Adapter
VGA-/IR-Adapter
323-86788
Subwoofer adapter
W2
W3
W4
W1
Left
Right
LR
L8101
to hor. defl.
to vert. defl.
171-87286
170-87684.002
171-88107.001
171-87791.001
171-85855.006
171-88049.051
171-88032.051
171-87988.051
171-87534.006
171-88105.051
171-87586.001
171-87587.001
171-87286.003
171-87925.001
171-87286.006
171-88095.052
171-
88095.054
120 V~
W8001
W8001
W8104
W8101
N8012
W8302
Control unit
Control unit
N8002
N8010
W8015
N8011
to Speaker 
grid
to Speaker 
grid

Related product manuals