EasyManua.ls Logo

Lofrans IRIS II - 6 Troubleshooting; 7 Wiring Diagram

Lofrans IRIS II
52 pages
Print Icon
To Next Page IconTo Next Page
To Next Page IconTo Next Page
To Previous Page IconTo Previous Page
To Previous Page IconTo Previous Page
Loading...
10
IRIS II
6 TROUBLESHOOTING
FAULT CAUSE CORRECTIVE ACTION
Though UP or DOWN keys
are pressed, the instrument
doesn’t receive any signal from
the magnetic sensor for more
than 5 seconds.
Check the sensor electric connections.
Check if sensor operates properly.
If not, replace it.
Check the position of sensor and magnet on
gipsy and their distance (3 mm).
Check the operation of electric
installation or anchor windlass.
The instrument’s power
supply voltage is lower than10Vdc.
Verify the battery charge or
operation of the electrics system.
V=11.6 Vdc
V= 7.9 Vdc
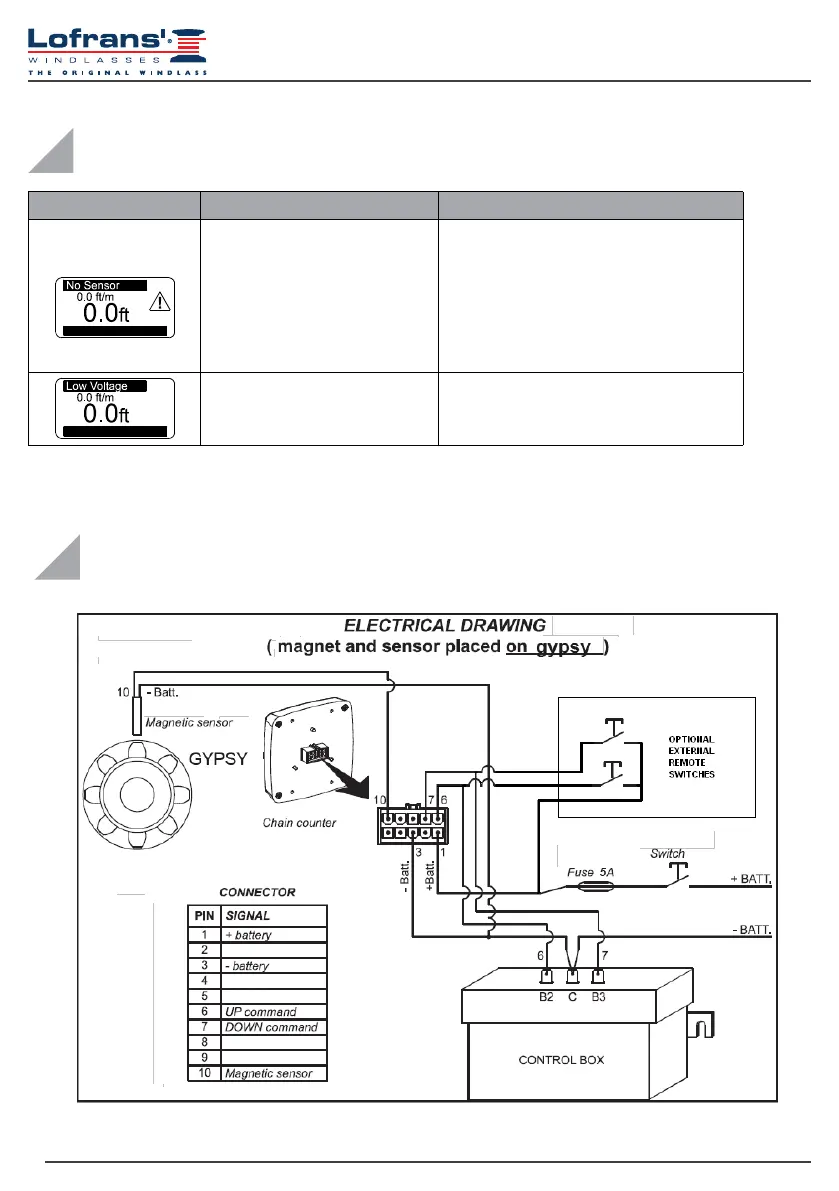
7 WIRING DIAGRAM
N.C
N.C
N.C
N.C
N.C

Table of Contents

Related product manuals