EasyManua.ls Logo

Lofrans IRIS II - 6 Anomalie Funzionamento; 7 Schema DI Collegamento

Lofrans IRIS II
52 pages
Print Icon
To Next Page IconTo Next Page
To Next Page IconTo Next Page
To Previous Page IconTo Previous Page
To Previous Page IconTo Previous Page
Loading...
20
IRIS II
6 ANOMALIE DI FUNZIONAMENTO
SEGNALAZIONE CAUSA RIMEDIO
Mentre si manteneva premuto
il tasto UP o DOWN lo
strumento non ha ricevuto
nessun segnale dal sensore
magnetico per più di 5
secondi.
Vericare i collegamenti elettrici del sensore.
Vericare il funzionamento del sensore e se
guasto provvedere alla sostituzione.
Vericare la posizione del sensore, del magnete
sul barbotin e la distanza tra i due (3 mm).
Vericare il funzionamento dell’impianto elettrico
o del salpa ancora stesso
La tensione di alimentazione
dello strumento è inferiore ai 10V.
Vericare lo stato di carica della batteria o il
funzionamento dell’impianto
elettrico.
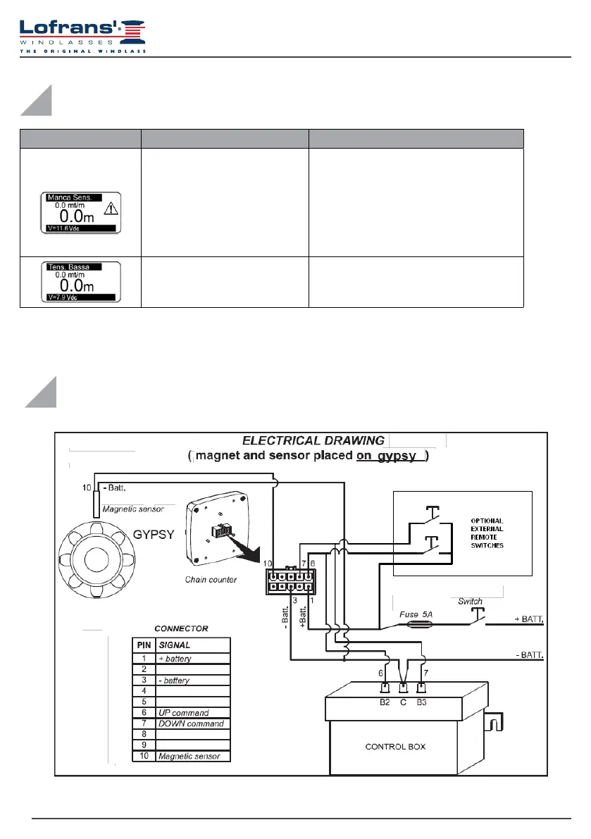
7 SCHEMA DI COLLEGAMENTO
N.C
N.C
N.C
N.C
N.C

Table of Contents

Related product manuals