EasyManua.ls Logo

Lofrans IRIS II - 6 Localisation des Pannes; 7 Schema de Cablage

Lofrans IRIS II
52 pages
Print Icon
To Next Page IconTo Next Page
To Next Page IconTo Next Page
To Previous Page IconTo Previous Page
To Previous Page IconTo Previous Page
Loading...
30
IRIS II
6 ANOMALIES DE FONCTIONNEMENT
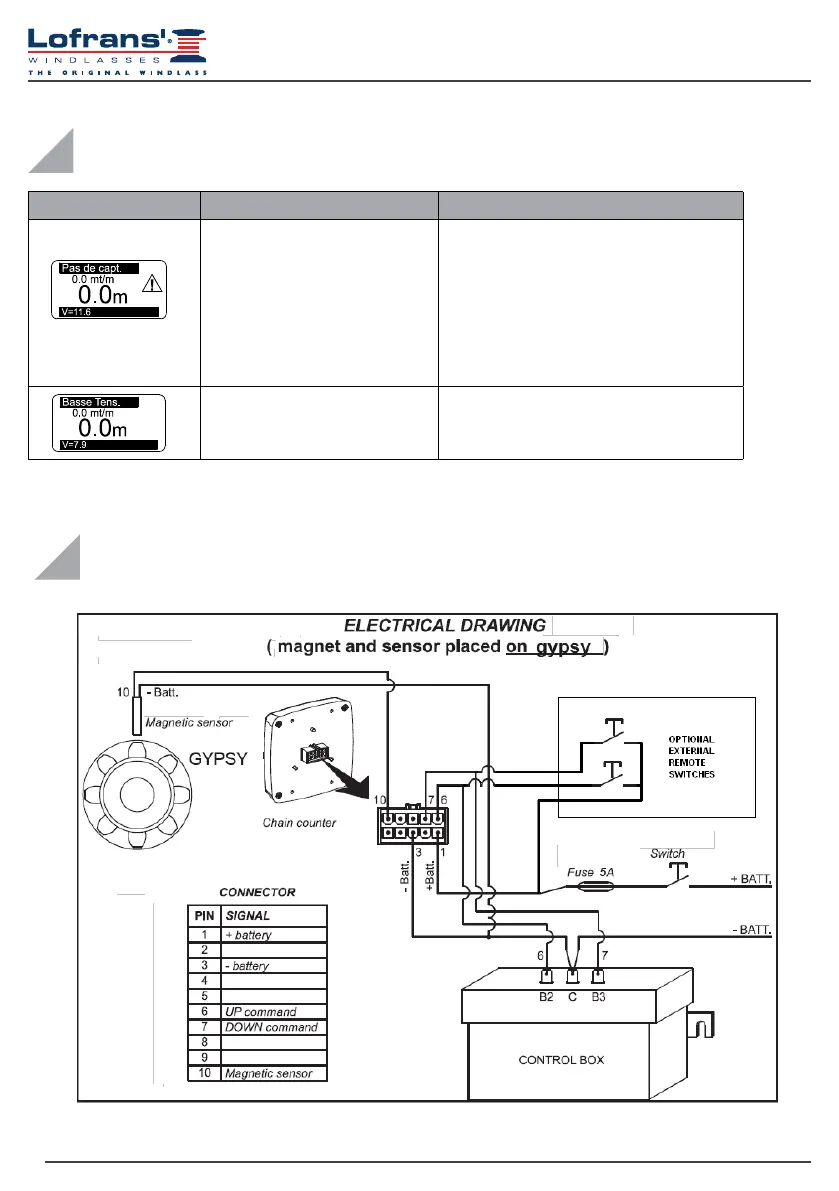
7 SCHEMA DE CABLAGE
N.C
N.C
N.C
N.C
N.C
SYMPTÔME CAUSE INTERVENTION
Alors que la touche UP ou DOWN est
enfoncée, l’instrument ne reçoit reçu
aucun signal du capteur
magnétique pendant plus de 5
secondes.
Vérier les branchements électriques du capteur
Vérier le fonctionnement du capteur.
S’il est abîmé, le remplacer.
Vérier la position du capteur et de l’aimant sur le
barbotin et la distance entre les deux (3 mm).
Vérier le fonctionnement de l’installation
électrique ou du guindeau.
The instrument’s power
supply voltage is lower than10Vdc.
Vérier l’état de charge de la batterie ou le
fonctionnement de l’installation électrique.
Vdc
Vdc
Vdc
Vdc

Table of Contents

Related product manuals