EasyManua.ls Logo

Longevity MigWeld 100 - Assembly Drawings

Default Icon
9 pages
Print Icon
To Previous Page IconTo Previous Page
To Previous Page IconTo Previous Page
Loading...
MigWeld™ 100 - 100 AMP MIG Welder 120v
Page 8 of 8
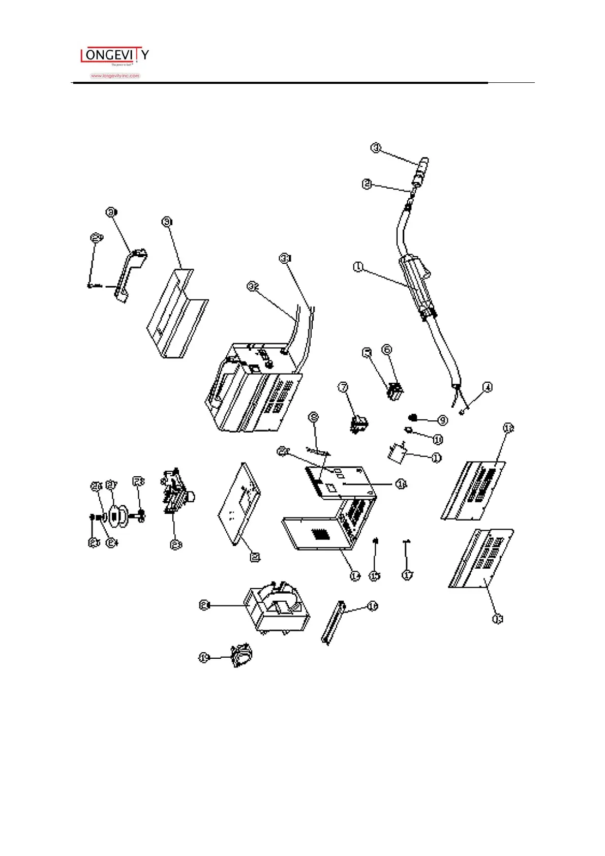
Assembly Drawings
Note: Some parts are listed and shown for
illustration purposes only and are not available
individually as replacement parts.

Related product manuals