EasyManua.ls Logo

LORCH MicorMIG 500 - Page 24

LORCH MicorMIG 500
68 pages
Print Icon
To Next Page IconTo Next Page
To Next Page IconTo Next Page
To Previous Page IconTo Previous Page
To Previous Page IconTo Previous Page
Loading...
page 24
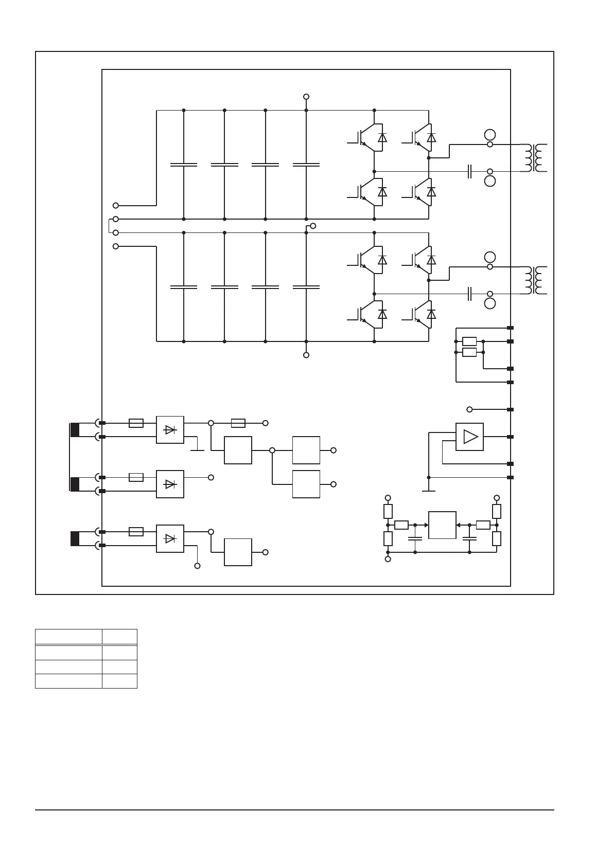
Schematic
X20
X29
X30
X31
X24 (-)
(B)
(A)
X21 (+)
19V
42V
X5-2
X5-1
X5-4
X5-3
Si1
Si3
+24V
+60V
+24Vext.
Si2
+16V
11V
X13-1
X13-3
Si4
+16Vprim.
+3,3V
-Uz
-Uz
+5V
+3,3V
+Uz
Uz2
+Uz
-Uz
Uz2
µP
X17-1
X17-3
DRV17
T12
T13
T14
T15
T16
T17
T18
T19
X2-5
X2-6
3
4
1
2
X19-4
X19-3
+24Vext.
X3-12
X3-9
Fuses DRV17
designation value
Si1 (24V) 6.3 A
Si3 (60V) 6.3 A
Si4 (16V) 0.63 A

Related product manuals