EasyManua.ls Logo

LORCH MicorMIG 500 - Page 40

LORCH MicorMIG 500
68 pages
Print Icon
To Next Page IconTo Next Page
To Next Page IconTo Next Page
To Previous Page IconTo Previous Page
To Previous Page IconTo Previous Page
Loading...
page 40
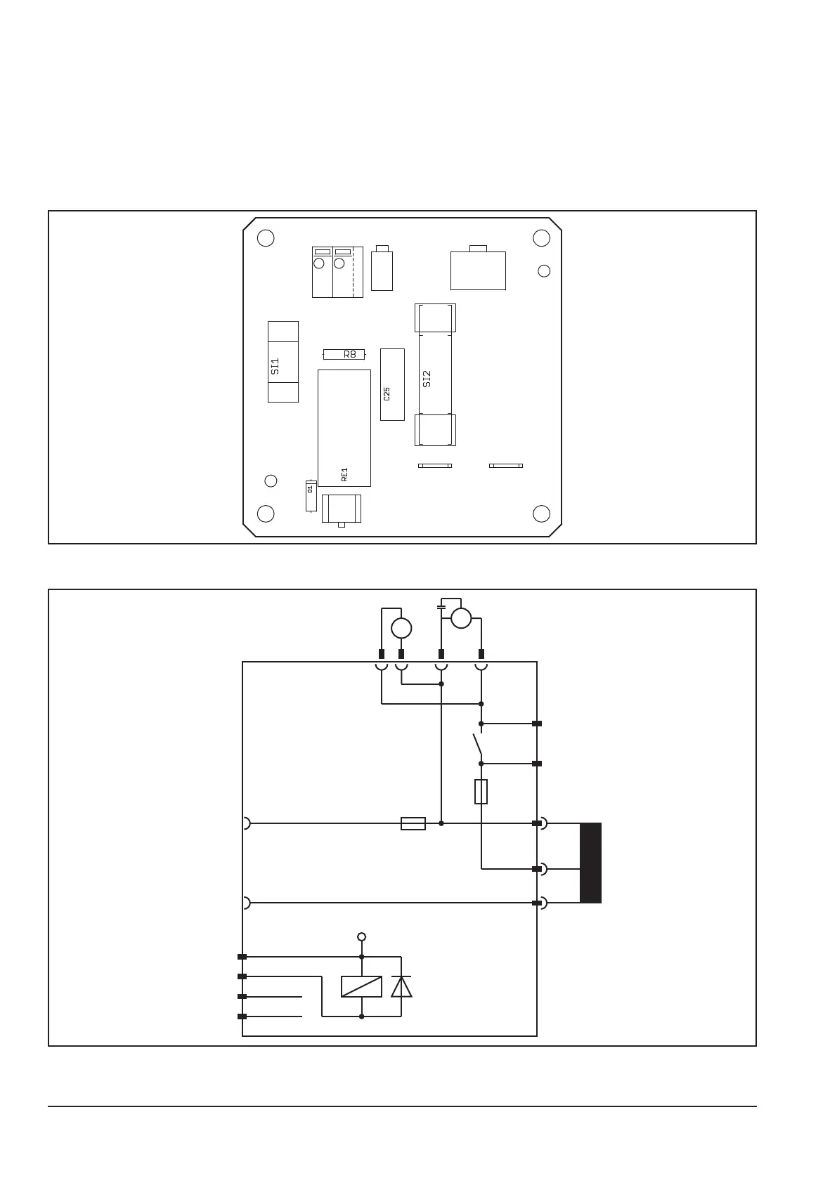
Pc-board SF24
The pc-board SF24 is replacing the pc-board SF18. Since serial number 40xx-2538-0001-x. the SF24 is the
standard control board for the water cooling unit of the MicorMIG. At the same time the pc-board DRV was
changed (implementation of connector X19) to drive the relay on the SF24.
Since January 14th 2016 (with the introduction of cooling water detection) the SF24 was replaced with the pc-
board SF27.
Picture pc-board SF24
X4 X5
X9 X10
X7
X2 X3
Schematic pc-board SF24
400
230
0
X2
X3
400V
400V
RE1
X10-6
X10-2
X10-3
X10-5
X10-1
Si2
1A
Si1
2.5A
X4X5
P
M
X9-2
X9-1
+24V
RE1
X7-4
X7-3
X7-2
X7-1
SF24

Related product manuals