EasyManua.ls Logo

LORCH MicorMIG 500 - System Monitoring; Temperature Monitoring

LORCH MicorMIG 500
68 pages
Print Icon
To Next Page IconTo Next Page
To Next Page IconTo Next Page
To Previous Page IconTo Previous Page
To Previous Page IconTo Previous Page
Loading...
page 46
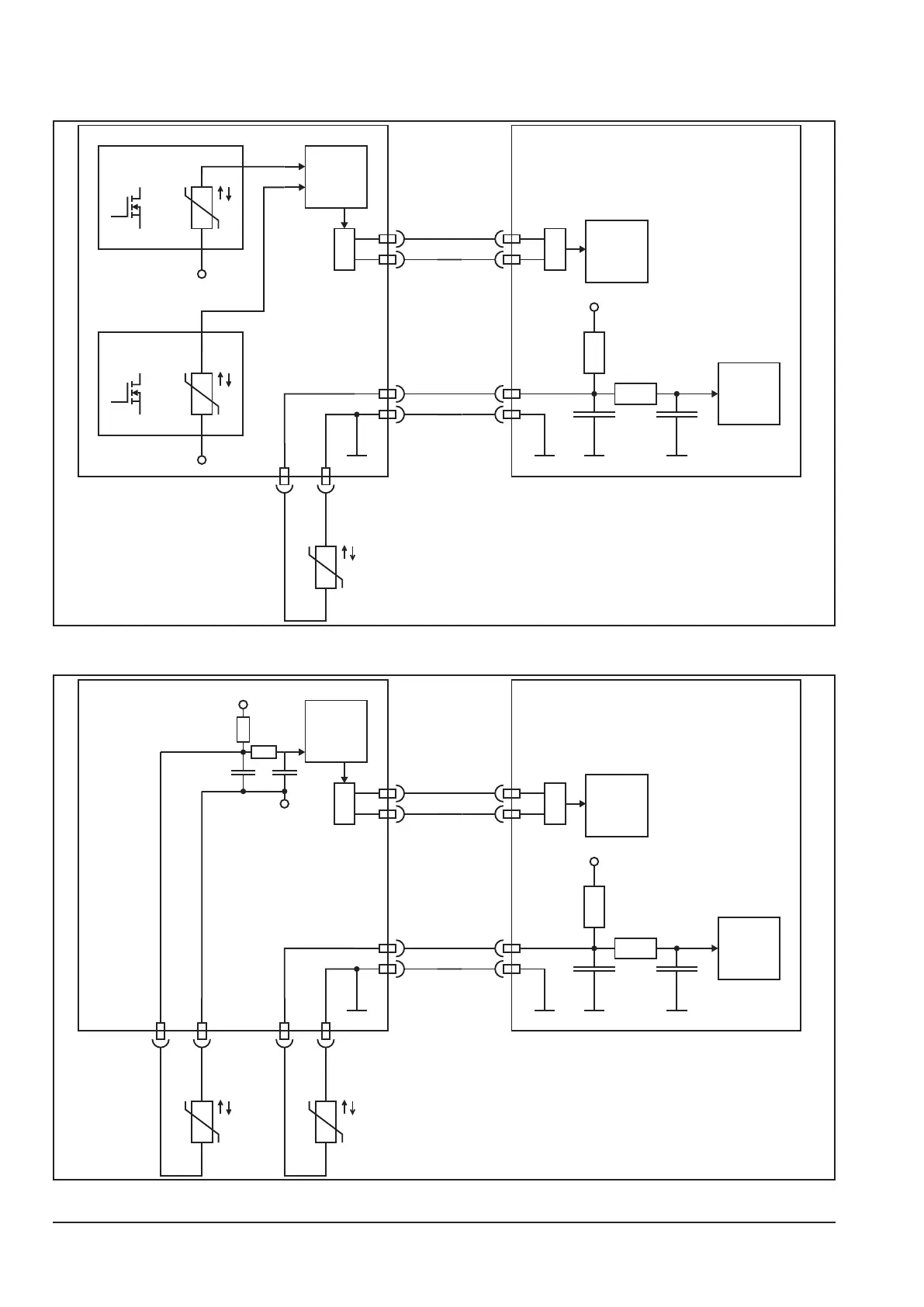
Temperature monitoring
Schematic MicorMIG 300/350
µP
ϑ
X4-2
X4-1
X1-16
X1-10
X2-3
X2-4
FPGA
+3.3V
DSP
MAPRODRV
X7-4
X7-5
RS485
RS485
10kΩ : 25°C
X3-16
X3-10
ϑ
TM1
ϑ
TM2
-Uz
-Uz
Schematic MicorMIG 400/500
µP
ϑ
X4-2
X4-1
X1-16
X1-10
X2-3
X2-4
FPGA
+3.3V
DSP
MAPRODRV
X7-4
X7-5
RS485
RS485
10kΩ : 25°C
X3-16
X3-10
+3.3V
-Uz
ϑ
X18-2
X18-1

Related product manuals