EasyManua.ls Logo

LORCH MicorMIG 500 - Output Voltage and Current

LORCH MicorMIG 500
68 pages
Print Icon
To Next Page IconTo Next Page
To Next Page IconTo Next Page
To Previous Page IconTo Previous Page
To Previous Page IconTo Previous Page
Loading...
page 50
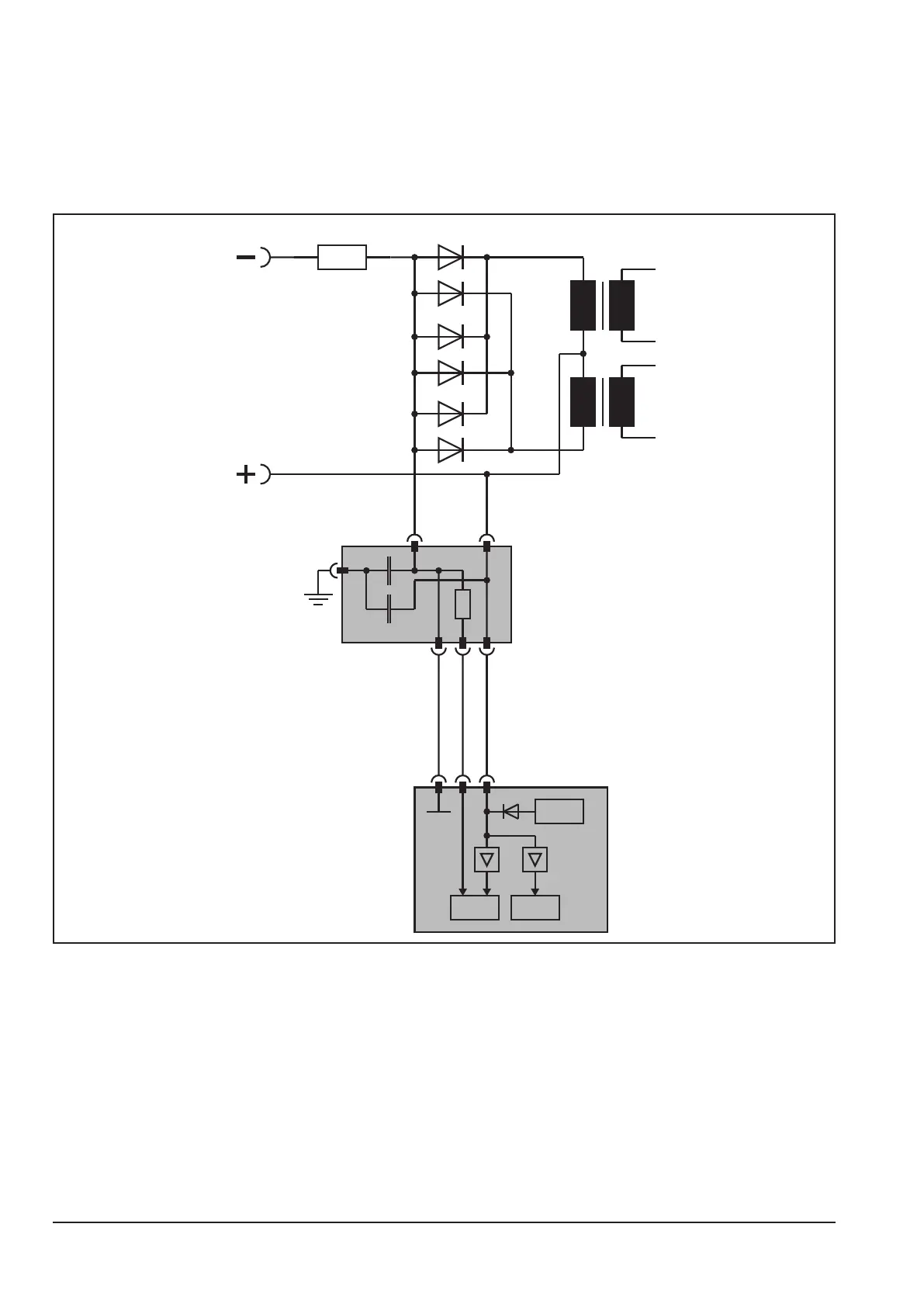
Monitoring Output Voltage
The output-/welding voltage is measured directly by the DSP of the MAPRO. If a voltage >100V DC is measured
for longer than 100ms, the machine stops with E06-00 “Overvoltage secondary”.
In case that the FPGA is measuring the too high voltage, the machine stops with E06-01 “Overvoltage secondary
FPGA”. The output voltage is measured directly at the secondary diodes (via X5-7 of the MAPRO).
Schematic
RSHUNT
X1
X2-1
X2-5
X2-2
X2-3
X2-4
DC0x
MAPRO
X5-8
X5-6
X5-7
OCV
DSP
FPGA
When switching on the machine the power unit is activated shortly and the output voltage is measured. If there is
no output voltage during driving the power unit, the machine stops with E12-00 “Power unit error Startup”.
The reason can be a fault in the measuring path or a fault in the primary driver (e.g. interchanged transformer
wires at the pc-board SF02).
If a machine is used too far o󰀨 the “normal” welding characteristic, it will stop after the machine recognizes a too
high output voltage for a longer period of time. This will overload the machine at it protects itself by stopping with
the error code E18-01 “Overload”. In such situations it is very likely that the temperature of the power unit gets
very high in a short time and maybe also reach the maximum allowed temperature, stopping with E01.

Related product manuals