EasyManua.ls Logo

LS tractor LL2100 - Boom Assembly

LS tractor LL2100
46 pages
Print Icon
To Next Page IconTo Next Page
To Next Page IconTo Next Page
To Previous Page IconTo Previous Page
To Previous Page IconTo Previous Page
Loading...
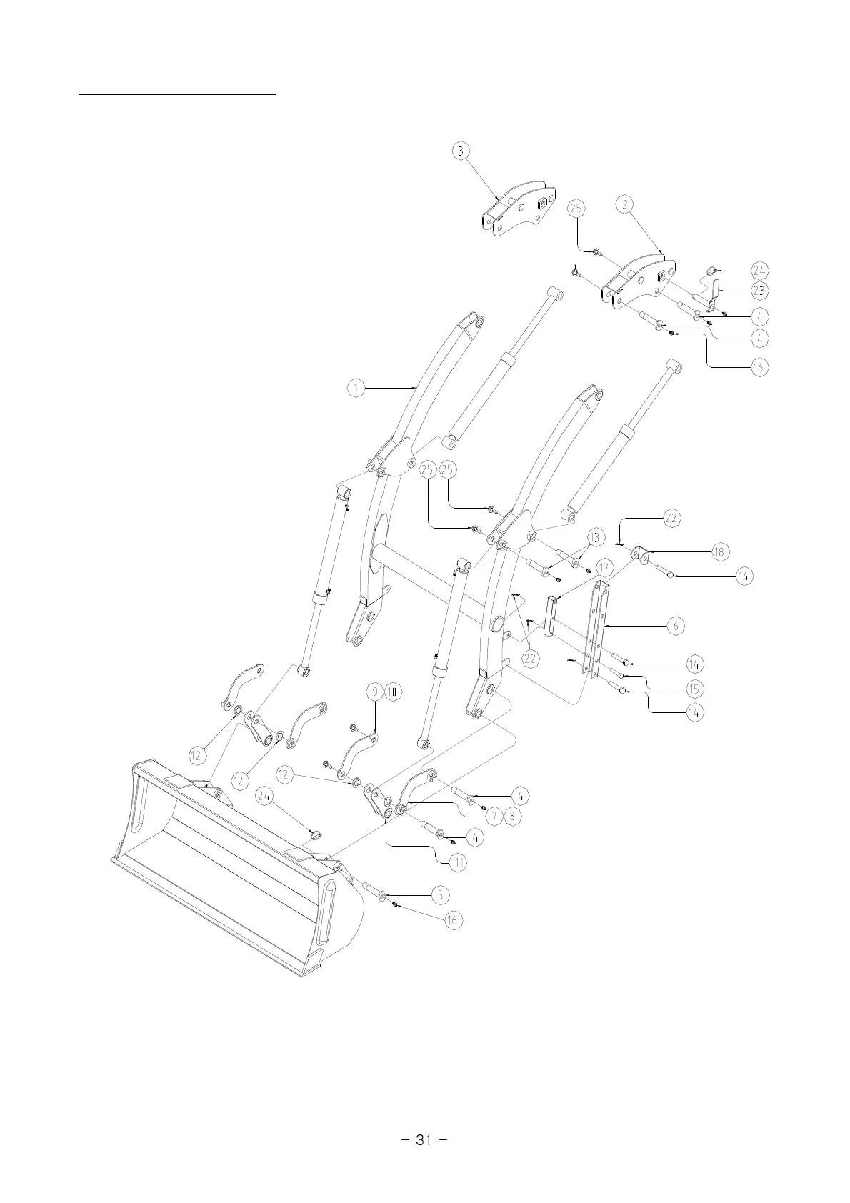
BOOM ASSEMBLY
- 31 -

Related product manuals