EasyManua.ls Logo

LSIS XBM-DN32S - Chapter 1 General; General; Purpose of Position Function

LSIS XBM-DN32S
315 pages
Print Icon
To Next Page IconTo Next Page
To Next Page IconTo Next Page
To Previous Page IconTo Previous Page
To Previous Page IconTo Previous Page
Loading...
Chapter 1 General
1- 1
Chapter 1 General
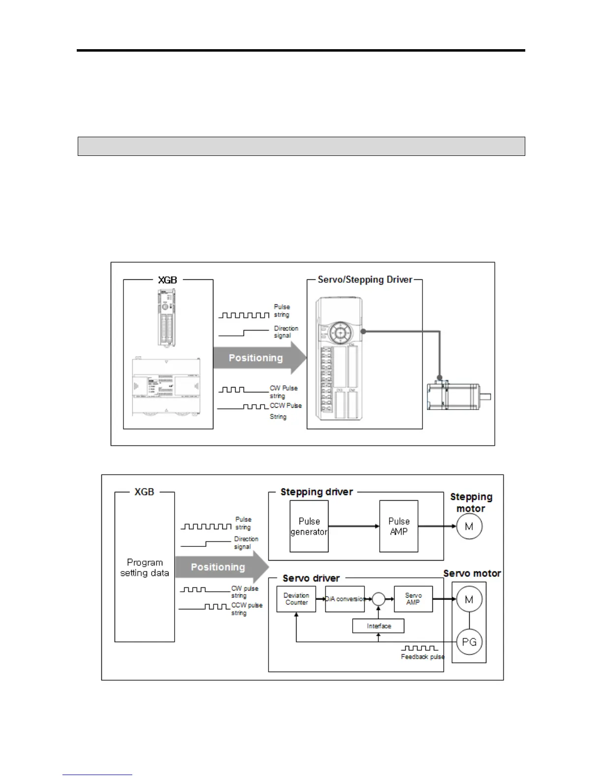
XGB series transistor output type contains 2 positioning axes. This manual describes the specifications and
usage of positioning.
1.1.1 Purpose of position function
The purpose of position function is to exactly move an object from the current position to a designated
position and this function executes highly precise position control by sending a position pulse string
signal to types of servo drive or stepping motor control drive. For applications, it may be widely used;
for instance, machine tools, semiconductor assembling machine, grinder, small machine center, lifter
and etc.
< XGB positioning function general >
< Positioning system inner block diagram >
1.1 General

Table of Contents

Related product manuals