EasyManua.ls Logo

MAC E-Power e-MM/MT - Page 21

Default Icon
36 pages
Print Icon
To Next Page IconTo Next Page
To Next Page IconTo Next Page
To Previous Page IconTo Previous Page
To Previous Page IconTo Previous Page
Loading...
Istruzioni-epower-14112017 (Cod.620030202 Rev. 7) EsEng.doc
21
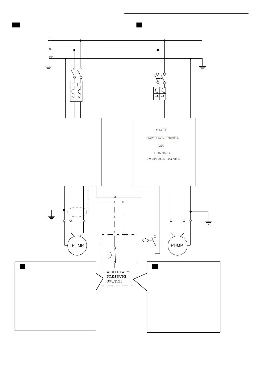
ES Ejemplo de conexión para el Modo Booster (bomba
ON / OFF - versión MM / MT)
EN Connection example for Mode Booster
(pump ON / OFF MM/MT version)
ES En caso de mantenimiento del
Variador se puede conector un
presostato auxiliar que ppermite
garantizar la continuidad del servicio
en el sistema con la segunda bomba.
Se recomiendo preveer el uso de
una tanque de expancion adecuado
para esta apicacion.
Atencion: El presostatoauxiliar no
debe ser conectado cuando se
usa el variador.
ENIn case of maintenance of the
inverter, an auxiliary pressure
switch can be connected to
guarantee continuity of service to
the system with the on-off pump.
It is advisable to provide in this
case the use of an expansion
tank correctly dimensioned.
Beware the auxiliary switch
should not be connected when
the inverter.
EPOWER