EasyManua.ls Logo

MAC E-Power e-MM/MT - Page 22

Default Icon
36 pages
Print Icon
To Next Page IconTo Next Page
To Next Page IconTo Next Page
To Previous Page IconTo Previous Page
To Previous Page IconTo Previous Page
Loading...
Istruzioni-epower-14112017 (Cod.620030202 Rev. 7) EsEng.doc
22
ES En caso de mantenimiento del
Variador se puede conector un
presostato auxiliar que ppermite
garantizar la continuidad del servicio
en el sistema con la segunda bomba.
Se recomiendo preveer el uso de
una tanque de expancion adecuado
para esta apicacion.
Atencion: El presostatoauxiliar no
debe ser conectado cuando se
usa el variador.
ES En caso de mantenimiento del
Variador se puede conector un
presostato auxiliar que ppermite
garantizar la continuidad del servicio
en el sistema con la segunda bomba.
Se recomiendo preveer el uso de
una tanque de expancion adecuado
para esta apicacion.
Atencion: El presostatoauxiliar no
debe ser conectado cuando se usa
el variador.
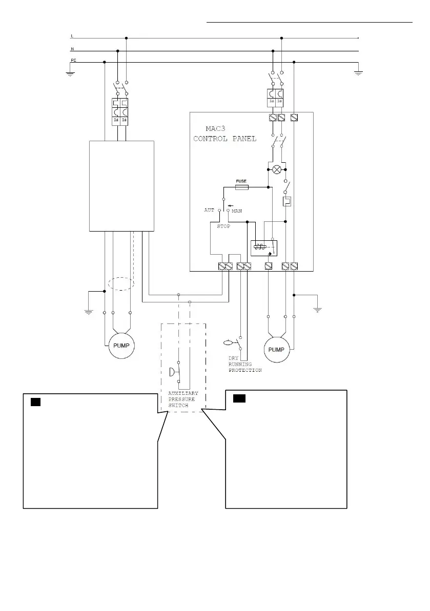
EN In case of maintenance of
the inverter, an auxiliary
pressure switch can be
connected to guarantee
continuity of service to the
system with the on-off pump.
It is advisable to provide in this
case the use of an expansion
tank correctly dimensioned.
Beware the auxiliary switch
should not be connected when
the inverter.
EPOWER