EasyManua.ls Logo

Mackie 808M - Page 11

Mackie 808M
20 pages
Print Icon
To Next Page IconTo Next Page
To Next Page IconTo Next Page
To Previous Page IconTo Previous Page
To Previous Page IconTo Previous Page
Loading...
11
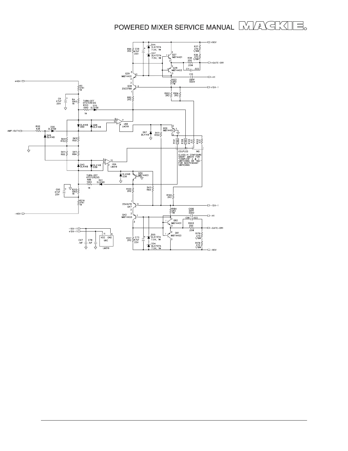
Referring to the channel-1
switching circuit shown
here. There are two pairs of
jumper resistors. The first
pair (R121, R106) allow both
class-H switches to operate
in tandem. When
operating in tandem, if the
positive switch actuates,
the negative switch also
does, and visa versa. By
switching both halves at
the same time, the charge
that the switches imparts
to the output line tends to
cancel out, reducing high
frequency distortion some.
It was found that the
distortion improvement
was minimal, so we made
both the positive and
negative switches act
totally independent of
each other. The
independent function is
activated by stuffing the
shorting jumpers at R105
and R122.
The positive FET’s gate is
driven by a little level
shifting amplifier comprised
of Q27, Q28, Q29 and Q38. The gate is driven through R38/C11 from the emitter follower
stage Q27/Q28. This follower can swing as much as 15V below the +90V rail, limited by
the local 15V supply consisting of D44, D37 and C59. Bias for this supply is provided by R23
and the +15V supply.
When the output signal voltage is low, pin-7 of U6 is open, and there is no voltage drop
across R82. As signal level increases, the comparator turns on, and pin-7 is pulled to
within one diode drop of ground (via pin -8 and D67). Around 14V is dropped across R82.
This voltage drop causes a current to flow through the emitter of Q38, this current is also
present on the connector and is coupled to the cascode stage above (Q29). Eventually
this same current is available at the collector of Q29 and to R94. Since R94 and R82 are
both the same values, 14V also appears across R94. This drives the Base of Q28 low and
it’s emitter follows. The emitter then ultimately feeds the gate of the switch. This topology
allows the FET to be switched on quite fast (on the order of 100nS or less, or at a rate of
greater than 450V/µS). The switch is actually slowed down by C10. The output current
from Q29 is constant, so C10 breaking against this constant current allows the switch to
“slowly” ramp up. We say “slowly” as the switch still transitions from +45V to +90V in less
than 1µS (greater than 45V/µS). We slow the switch down to improve the high frequency
distortion figures on the amplifier.
The negative half works identically with the following exceptions: When the negative half
is turned on pin-12 of U6 is pulled close to ground. This drops around 15V across R103 and
The full schematics are shown in chapter 193, pages 193-1, 193-2, 193-3 and 193-5

Other manuals for Mackie 808M

Related product manuals