EasyManua.ls Logo

Mackie 808M - 808 M;808 S Amplifier Class-H Theory

Mackie 808M
20 pages
Print Icon
To Next Page IconTo Next Page
To Next Page IconTo Next Page
To Previous Page IconTo Previous Page
To Previous Page IconTo Previous Page
Loading...
10
808M/808S Power Amplifier
Theory of Operation
The power amplifier used in the 800 series powered mixer is typically referred to as having
a high efficiency output stage. It uses a Class-H topology.
When signal levels are low, one can pull power from the +/-45V supplies. Only when
signal levels are high is current pulled from the +/-90V supplies. For a given output power,
the output stage delivers a certain amount of output current to the load. If that current
is pulled from the +45V supply rather than the +90V supply, the overall power pulled from
the supply half as much. Part of this power is delivered to the load, and the rest is given
off as heat in the output stage. If we pull from the +45V rather than the +90V supply in
this example, there will naturally be less dissipation in the output stage, giving the output
stage higher efficiency.
A class-H design switches the supply for the output transistors from the lower to the upper
rail. When the peak output voltage gets close to the lower rail voltage, the rail quickly
switches to the higher supply. In a class-G design (such as the SRM-450 powered speaker)
as the peak amplitude of the output waveform goes above the lower supply rail, the
output stage supply rail increases slightly to follow the signal. The supply linearly follows
the output waveform, staying just slightly higher than the output signal.
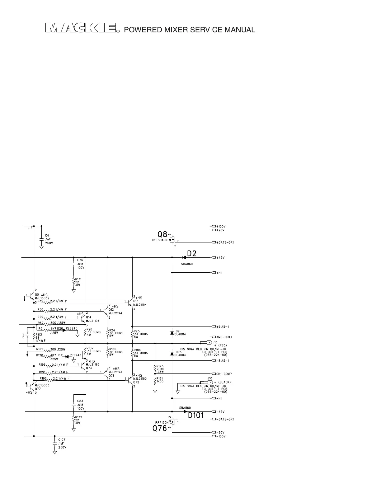
Referring to schematic 193
channel 1, for the
characteristics of the class-H
topology. At low signal levels,
power is supplied to the output
stage (Q12 - Q14 and Q71 -
Q73) from the 45V supplies
through schottky diodes D2
and D101.
On positive going signals,
when the output waveform is
within about 10V of the +45V
rail, the gate of Q8 is driven
negative by about 15V from
the +90V rail. This in turn quickly
pulls the drain of Q8 and the
collector’s of Q12-Q14 to the
+90V rail.
Action on the bottom half
(Q76) operates identically.
The full schematics are shown in chapter 193, pages 193-1, 193-2, 193-3 and 193-5

Other manuals for Mackie 808M

Related product manuals