EasyManua.ls Logo

Macurco GD-6 - Page 64

Macurco GD-6
104 pages
Print Icon
To Next Page IconTo Next Page
To Next Page IconTo Next Page
To Previous Page IconTo Previous Page
To Previous Page IconTo Previous Page
Loading...
Manuel d'exploitation de Macurco GD-xx
REV 2.0.0 [34-2900-0027-6 ] 14 | La page
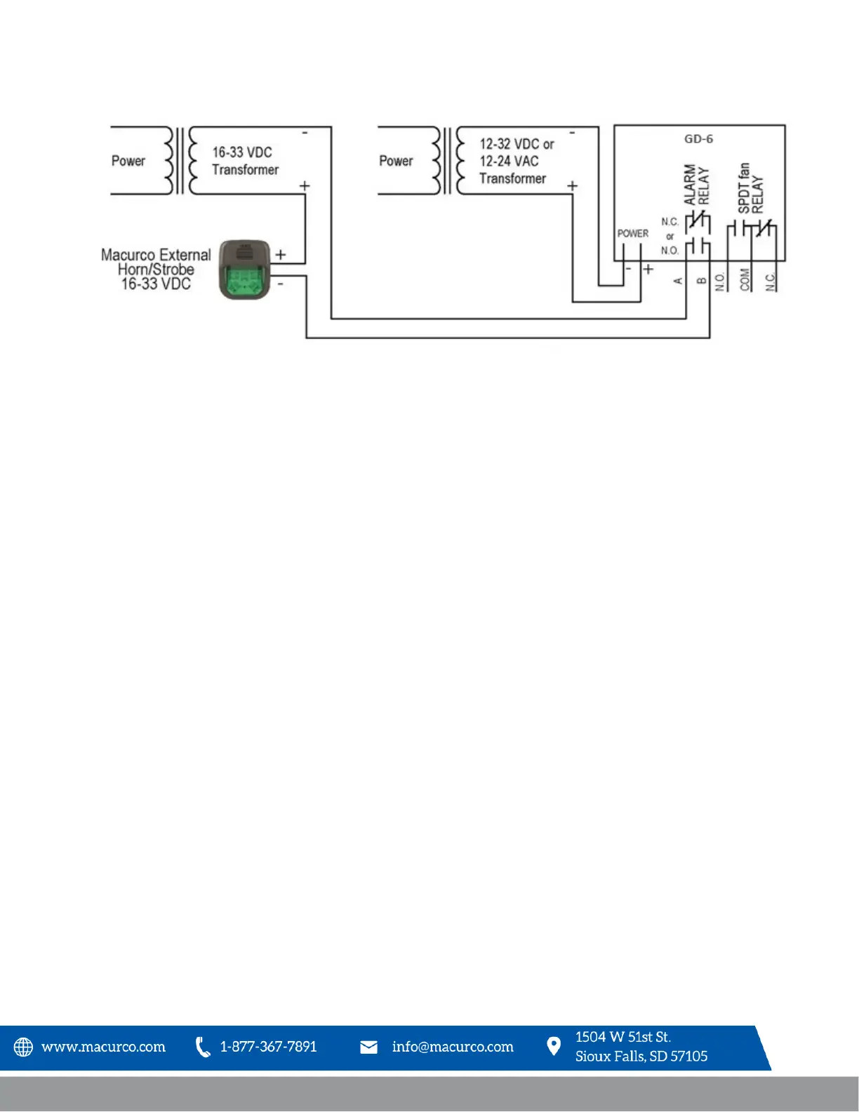
Figure 3-9 Câblage combo cor et stroboscopique de la série 6

Table of Contents

Related product manuals