EasyManua.ls Logo

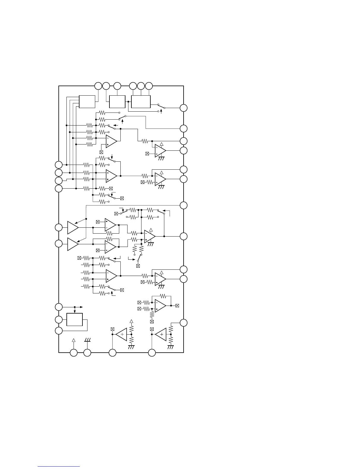
Marantz CR401 - IC201: CXA2581 N Block Diagram

Marantz CR401
52 pages
Print Icon
To Next Page IconTo Next Page
To Next Page IconTo Next Page
To Previous Page IconTo Previous Page
To Previous Page IconTo Previous Page
Loading...
32
IC201 : CXA2581N
DVCC
AC
SUM
APC
AC
VCA
EQ
VC
VC
VC
RW/ROM
EQ_ON/OFF
VOFST
DVC
DV
CC
RW/ROM
VC
RW/ROM
RW/ROM
RW/ROM
DVC
DV
CC
25
15
30
29
28
17
16
26242334
6
7
8
9
10
19
18
DVC
DV
CC
DVC
VC
VC
VOFST
DVC
DVC
V
CC
VOFST
B
C
A
D
A
B
C
D
F
E
SW
PD
LD
VCC
GND
VC
DVC
DVCC
CE
CEI
TE
TE_BAL
FE
FEI
RFDCO
RFDCI
RFAC
VFC
RFC
RFG
BST
EQ_IN
AC_SUM
DC_OFST
VC
RW/ROM
21
145
20
13
VC
VCC
APC-OFF (Hi-Z)
RW/ROM
(H/L)
2722
1
2
12
11
gm
gm
RW/ROM
VOFST

Other manuals for Marantz CR401

Related product manuals