EasyManua.ls Logo

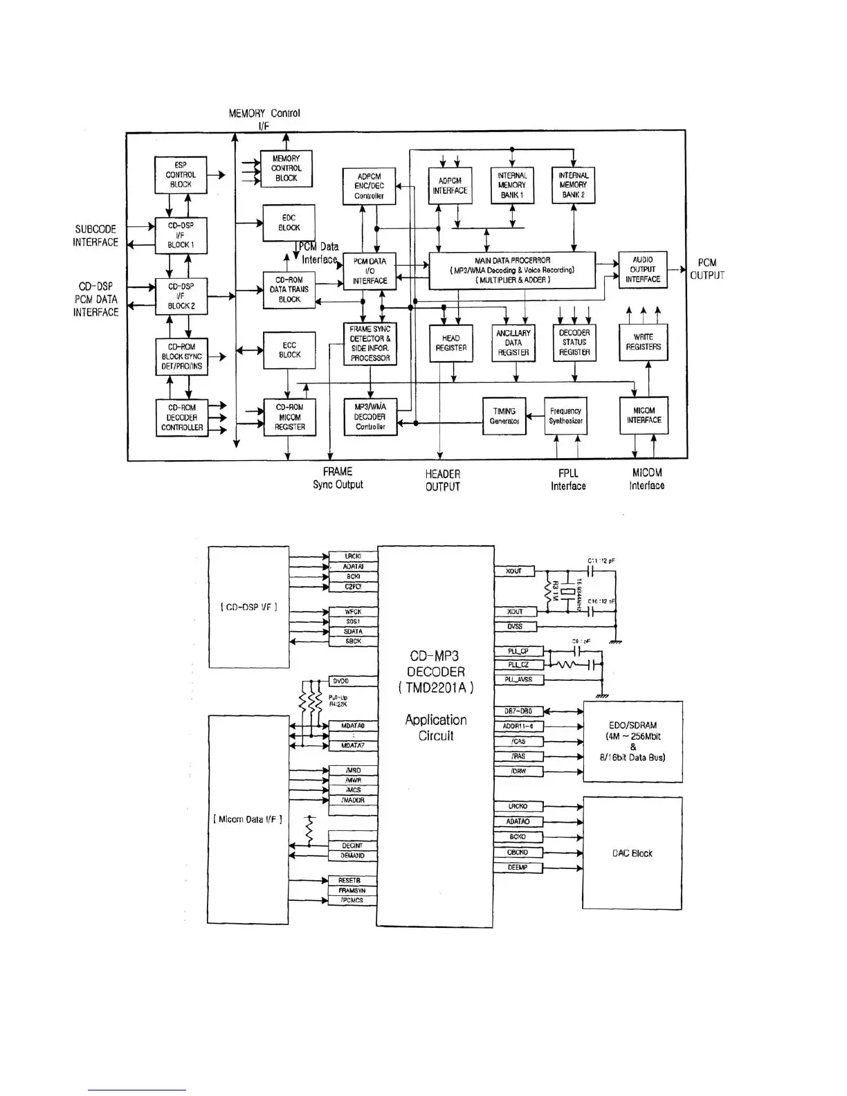
Marantz CR401 - IC207: TMD2201 A Block Diagram

Marantz CR401
52 pages
Print Icon
To Next Page IconTo Next Page
To Next Page IconTo Next Page
To Previous Page IconTo Previous Page
To Previous Page IconTo Previous Page
Loading...
38
IC207 : TMD2201A

Other manuals for Marantz CR401

Related product manuals