EasyManua.ls Logo

Marantz DV9600 - Page 101

Marantz DV9600
207 pages
Print Icon
To Next Page IconTo Next Page
To Next Page IconTo Next Page
To Previous Page IconTo Previous Page
To Previous Page IconTo Previous Page
Loading...
111 112
PA01
L.CH
CD02
CD01
CD08
CD06
CD04
CD05
CD03
RA01
RA03 RA05
RA02 RA04
RA06
CA04
CA06
QH03
QH04
QH06
QH05
DH02
RH03
RH07
RH01
RH02
RH08
RH04
RH05
RA07
RA08
QA01
RA11
RA12
RH09
CH01
RH06
CA10
RA14
RA16
RA18
RA17
CA12
RH14
RA41
RH19
RA44
QH13
RA46
RA42
RH13
CA42
RH12
QH15
RH17
DH12
RH16
QH16
RH15
CH11
CA41
RA48
QH14
QA31
RH11
RH18
CA40
RH32
QH36
QH34
RS47
RH34
RH24
QS01
RH27
RS42
RH25
RH39
RH35
CS42
CS40
QS31
DH32
RS44
QH33
CS10
RH23
RS11
CS41
QH24
RS14
QH35
RS46
RH29
RH28
RS12
RS17
CH21
CS11
RH37
RH21
QH23
RH26
QH26
RS41
RH36
RH33
CS12
QH25
RH31
CH31
RS16
RH38
DH22
RH22
QH55
RH55
RH48
RH46
RH59
RH51
RH42
RC17
QH46
QH56
RH44
CC41
RH57
RC16
CC12
RH43
RC44
QH54
RH41
RH47
CC10
QH45
RC46
DH42
RH54
QH44
QC01
DH52
RH58
QH53
RH45
RH49
QC31
RC12
RC11
RC41
RC47
CC40
RC42
CC42
QH43
RC14
CH51
CC11
RH53
RH52
CH41
RH56
JA04
CA05
CA03
RA13
RA43
RA35
CA34
CA33
CA36
RA33
RA31
RA36
RA34RA32
CA35
RA38
RA37
RS08
RS02
RS05
CS05
RS06
RS03
CS04
CS03
RS07
RS04
RS01
CS06
RS13
RS32
RS31
CS35
RS33
RS37
RS38
CS34
RS36
CS33
RS34
RS35
CS36
RS43
RC05
RC07
RC02
RC03
CC05
RC01
RC04
RC06
CC03
CC04
RC08
CC06
RC13
RC33
CC36
RC36
RC34
RC38
RC31
CC34
CC33
RC32
RC37
RC35
CC35
RC43
DA21
QA09
RA27
QA08
QA07
RA25
RA26
CA01
QA37
DA51
RA56
RA55
QA39
QA38
RA57
RS26
RS57
DS51
QS08
RS25
DS21
QS39
QS07
QS09
RS56
RS27
RS55
QS38
QC37
RC26
QC38
QC07
RC55
QC39
RC27
QC08
RC56
DC51
QC09
DC21
RC25
RC57
DA01
QH01 QH02
RC28RC58 RS28RS58
RA28RA58
QA02
QC32
QC02
QA32
QS02
QS32
JA06
CD09
RD02
JA02
RA10
RA09
RA40
RA39
RS10
RS09
RS40
RS39
RC09
RC10RC40
RC39
JA01
LA01
QA04
RA15
RA19
QA34
RA45
RA49
QS04
RS15
RS19
RS18
QS34
RS45
RS49
RS48
QC04
RC15
RC19
RC18
QC34
RC45
RC49
RC48
QH11 QH12
QH21 QH22
QH31 QH32
QH42QH41
QH51 QH52
WA01
RA91
RA92
RA93
RA21
QA36
RA24
RA54
RA51
RA52 RA22
QA06
CA51 CA21
RA50
RA20
QD01
CD10
CD07
CD28
CD26
CD25
CD27
QD21
CD30
CD23
CD22
CD21
CD42
CD43
CD50
CD47
QD41
CD41
CD45
CD48
CD44
CD29
RD22
RD42
CD49
QS37
JA11
JA31
JS11
JS31
JC11
JC31
CD24
CD46
JA13
JD01
RD61
QD61
RD62
22
CD61
DH01DH11
CA08CA38CS08
DH21
CS38
DH31
CC08
DH41
CC38
DH51
JA12
NC
NC
NC
NC
NC
NC
NC
NC
NC
JA32
JS12
JS32
JC12
JC32
RA62
QA11
RA61
QA12
DA22
CA11
RA47
RA63
QA13
RA65
RA68
CA61
RA67
RA64
RA66
CA71
RA77
RA73 RA75
RA78
RA76
RA74
QA73
RA23
RA53
RD63
RS20
RS50
RC20
RC50
JA07
RA97
RA99
RA98
JA14
JA34
RA96
RA95
JA08
RD03
RD23
RD43
RD64
RD65
RD66
RD67
1
2
3
1
2
3
1
2
3
1
2
3
31
2
1
3
2
1
2
3
1
2
3
31
2
1
2
3
1
2
3
1
3
2
1
2
3
1
2
3
1
3
2
1
3
2
31
2
1
2
3
1
2
3
1
2
3
1
2
3
1
2
3
1
2
3
31
2
1
2
3
1
2
3
1
2
3
1
2
3
1
2
3
31
2
1
2
3
1
3
2
31
2
1
2
3
1
3
2
1
2
3
1
2
3
3
1
2
2
3
1
2
3
1
2
3
1
2
3
1
3
1
2
2
3
1
2
3
1
3
1
2
2
3
1
3
1
2
2
3
1
2
3
1
2
3
1
2
3
1
2
3
1
2
3
1
2
3
1
2
3
1
2
3
1
3
1
2
2
3
1
3
1
2
3
1
2
BL
1
3
2
BL
1
3
2
1
3
2
1
3
2
1
3
2
1
3
2
1
3
2
1
3
2
1
2
3
4
5
6
4
3
2
1
35
4
62
1
35
4
62
1
35
4
62
1
35
4
62
1
35
4
62
1
35
4
62
1
BL
1
3
2
BL
1
3
2
BL
1
3
2
BL
1
3
2
BL
1
3
2
BL
1
3
2
BL
1
3
2
BL
1
3
2
BL
1
3
2
BL
1
3
2
1
2
3
1
2
3
1
2
3
1
2
3
1
DSD_B
28
DSD_A
2
DSD_SCLK
3
SDIN
4
SCLK
5
LRCK
6
MCLK
7
VD
8
DGND
9
CDIN
10
CCLK
11
CDOUT
12
XCS
13
XRST
14
VLC
27
VLS
26
VQ
25
AMUTEC
24
AOUTA-
23
AOUTA+
22
VA
21
AGND
20
AOUTB+
19
AOUTB-
18
BMCOUTC
17
VREF
16
REF_GND
15
FILT+
1
DSD_B
28
DSD_A
2
DSD_SCLK
3
SDIN
4
SCLK
5
LRCK
6
MCLK
7
VD
8
DGND
9
CDIN
10
CCLK
11
CDOUT
12
XCS
13
XRST
14
VLC
27
VLS
26
VQ
25
AMUTEC
24
AOUTA-
23
AOUTA+
22
VA
21
AGND
20
AOUTB+
19
AOUTB-
18
BMCOUTC
17
VREF
16
REF_GND
15
FILT+
1
DSD_B
28
DSD_A
2
DSD_SCLK
3
SDIN
4
SCLK
5
LRCK
6
MCLK
7
VD
8
DGND
9
CDIN
10
CCLK
11
CDOUT
12
XCS
13
XRST
14
VLC
27
VLS
26
VQ
25
AMUTEC
24
AOUTA-
23
AOUTA+
22
VA
21
AGND
20
AOUTB+
19
AOUTB-
18
BMCOUTC
17
VREF
16
REF_GND
15
FILT+
2
3
1
1
2
1
2
1
2
1
2
1
2
1
2
3
4
1
2
1
2
3
4
5
6
7
8
9
10
11
12
13
25
14
26
15
16
17
18
19
20
21
22
23
24
2
1
4
5
3
1
2
34
5
61
2
34
5
61
2
34
5
61
2
34
5
61
2
34
5
61
2
34
5
6
1
2
1
2
1
2
1
2
1
2
1
2
2
3
1
2
3
1
3
1
2
35
4
62
1
35
4
62
1
1
2
1
2
1
2
3
4
5
6
C
B
E
C
B
E
C
B
E
C
B
EG
D
S
C
B
E
C
B
E
C
B
E
C
B
EG
D
S
C
B
E
C
B
E
G
D
S
G
D
S
C
B
E
C
B
E
C
B
E
C
B
E
C
B
E
C
B
E
C
B
E
C
B
E
C
B
E
C
B
E
C
B
E
C
B
EG
D
S
C
B
E
G
D
S
C
B
E
C
B
E
C
B
E
C
B
E
C
B
E
C
B
E
C
B
E
G
D
S
G
D
S
G
D
S
G
D
S
G
D
S
G
D
S
G
D
S
G
D
S
-8VDA
PMUTE
+5VDA
DAC-GND
DAC-GND
+3.3VDD
G
D
S
G
D
S
G
D
S
G
D
S
G
D
S
G
D
S
G
D
S
G
D
S
G
D
S
G
D
S
C
B
E
C
B
E
C
B
E
FL_OUT
GND
FR_OUT
GND
-8VA
+8VA
0.1
220/16V
1
0.1
0.1
33/25V
33/25V
3.3k
2.2k 2.2k
3.3k 2.2k
2.2k
1000p
220P
100
560
150
150
560
100
100
12k
15k
10
10
100
33p
33k
220/16V
68
100k
2.2k
220k
N.C.
100
10
100
68
100k
10
100
N.C.
150
560
33k
100
33p
220/16V
2.2k
150
560
220/16V
150
220k
100
100
560
10
100
100
100
N.C.
220/16v
68
220/16V
100
10
220/16v
68
100k
100
560
10
220k
33p
220/16V
560
150
33k
10
33k
100
N.C.
150
33p
100k
560
150
100
560
33k
100
150
150
220k
100
220/16V
560
100k
N.C.
100
68
150
560
220/16V
100k
100
560
100
100
10
10
10
220k
220/16V
10
N.C.
68
33p
220/16V
100
150
33p
33k
1000p
100p
47k
47k
2.2k
1000p
100p
220P
2.2k
3.3k
2.2k
2.2k3.3k
1000p
15k
12k
15k
3.3k
2.2k
1000p
2.2k
2.2k
1000p
100p
12k
2.2k
3.3k
220P
47k
3.3k
3.3k
1000p
2.2k
12k
15k
1000p
2.2k
100p
2.2k
2.2k
220P
47k
2.2k
12k
3.3k
2.2k
1000p
3.3k
2.2k
2.2k
100p
1000p
15k
220P
47k
2.2k
220P
2.2k
2.2k
15k
3.3k
1000p
100p
3.3k
12k
2.2k
1000p
47k
3.3k
1k
1k
100/16v
1k
1k
3.3k
NC
3.3k
1k
NC
3.3k
1k
NC
1k
3.3k
NC
1k
3.3k
2SK369
10k10k 10k
10k
10k
10k
0.01
1k
15K
12K
15K
12K
15K
12K
15K
12K
12K
15K15K
12K
68
2.2k
68
2.2k
68
2.2k
2.2k
68
2.2k
2.2k
68
2.2k
2.2k
68
2.2k
2.2k
2SK369
2SK369
2SK369
2SK369
2SK369
0
0
0
220
2.2k
2.2k
220
47k 47k
N.C. N.C.
68
68
3.3/50V
1
0.1
33/25V
3.3/50V
33/25V
0.1
220/16V
0.1
33/25V
3.3/50V
220/16V
33/25V
1
0.1
0.01
1k
1k
0.01
0.1
0.1
22
0.1
1MN101MN10
220P220P220P
1MN10
220P
1MN10
220P
1MN10
220P
1MN10
10k
3.3k
220/16V
220k
100
100
2.2k
N.C.
2.2k
100
100k
N.C.
2.2k
100 100
2.2k
100k
100
220
220
NC
68
68
68
68
0
0
0
0
0
NC
NC
NC
100
100
3.3k
3.3k
TO POWER
SUPPLY
(P801)
J853
-8VA
+8VA
GND
GND
+3.3V
+3.3V
+5.0V
+11.3V
+0V
+2.5V
+0V
-8.3V
+0V
+2.5V
+0V
-8.3V
+2.5V
+0V
-8.3V
-8.3V
-8.3V
-8.3V
+2.5V
+0V
+2.5V
+0V
+8.3V
-8.3V
+8.3V
-8.3V
-8.3V
-8.3V
+8.3V
-8.3V
-8.3V
-8.3V
+0V
+2.5V
L.CH
(WHT)
FRONT1
L.CH
(WHT)
FRONT2
R.CH
(RED)
FRONT1
L.CH
(BLK)
SURROUND
R.CH
(BLK)
SURROUND
CENTER CH
(BLK)
SW.CH
(BLK)
TO MAIN
PWB -4/9
(PM01)
J271
(FOR F, U, L)
(FOR N)
(FOR S,C)
Ver. F,U,L Ver. N,S
CD07,CD27,CD47 100/10V 100/25V
R.CH
(RED)
FRONT2
+3.3V
+5.0V
+3.3V
+5.0V
TO SCART
AGND
MCLK
BCL
DATA0/0L
HPMUTE
GND
LRCK/DATA2R
LRCK/DATA0R
DATA1/1L
DATA2/2L
GND
LRCK/DATA1R
XMMUTE
XCS1
GND
CDOUT
+8VA
GND
XCS2
CDIN
XANUTE
+12V_M3
GND
CCLK
XFRST
-8VA
(FOR N)
+0V
(FOR OEM 2)
(FOR OEM 1)
(FOR Marantz)
(FOR OEM 3)
(FOR OEM 4)
2SC2873
2SA1312
2SC3324
2SA1312
1SS302
2SK170
-8VDA
2SC2873
2SA1312
1SS302
2SC3324
2SA1312
2SK170
-8VA
+8VA
2SC3324
2SA1312
2SK170
2SK170
1SS302
2SC2873
2SA1312
2SA1312
2SC2873
2SC3324
2SA1312
1SS302
2SA1312
2SC3324
2SC3324
2SA1312
2SA1312
1SS302
2SA1312
2SK170
1SS302
2SC2873
2SK170
2SC2873
+5VDA
-8VDA
+3.3VDD
+5VDA
1SS301
2SA1586
MUTE+12V
DTC114EUA
DTC114EUA
MUTE+12V
SW+12V
DTC114EUA
1SS3012SA1586
DTC114EUA
MUTE+12V
MUTE+12V
1SS301
DTC114EUA
1SS301
2SA1586
NC
2SA1586
DTC114EUA
MUTE+12V
NC
DTC114EUA
NC
2SA1586
DTC114EUA
1SS301
2SA1586
MUTE+12V
1SS301
MUTE+12V
1SS301
2SK369
2SJ74
2SJ74
2SJ74
2SJ74
2SJ74
2SJ74
EARTH
+3.3VDD
-8VA
+8VA
BLM11B601S
SW+12V
HN1C03F
HN1C03F
HN1C03F
HN1C03F
HN1C03F
HN1C03F
2SK369
2SK369
2SK369
2SK369
2SK369
GND
GND
GND
GND
GND
GND
GND GND
GND
GND GND
GND
GND
GNDGND GND
GND
GNDGND GND
GND
GND
GND
GND
GND GND
GND
GND
GND
GND GND
GND
GND
GND
GND
GND GND
GND
GND GND
GNDGND GND
GNDGNDGND
GND
GND
GND
GND
GND
GND GND
GND
GND
GNDGND
GND
GND
GND
GND
GND
GND
GND
GND
GND GND
GND
GND GND
GND
GNDGND GND
GND
GNDGND GND
GND
GND
GND
GND
GND GND
GND
GND
GNDGND
GND
GND
GND
GND
GNDGND
+8VA
+8VA
-8VDA
-8VDA
-8VDA
-8VDA
-8VDA
-8VA-8VA
2SC4213
GND
2SC4213
GND
CS4398
GND
GNDGND
CS4398
+3.3VDD
+5VDA
GND
GND
GND
GND
+3.3VDD
CS4398
+5VDA
GND
GND
GND
GND
NC
PMUTE
+3.3VDD
TC7SH08FU
GND
HPMUTE
+8 VA - 8VA
MUTE+12V
DTC114EUA
2SA1586
1SS301
GNDGND
PMUTE
HPMUTE
HN1C03F
GND
GND
GND
GND
GND GND
HN1C03F
GND
EARTH
GND GND
GND
FL_OUT
FR_OUT
FL_OUT
FR_OUT
GND
-8VA
+8VA
+3.3VDD
+3.3VDD
XMMUTE
XFRST
MCLK
XFRST
XFRST
DATA0/0L
BCK
LRCK/DATA0R
CDOUT
CCLK
XCS1
DATA1/1L
BCK
LRCK/DATA1R
MCLK
CDOUT
CCLK
XCS2
BCK
MCLK
LRCK/DATA2R
DATA2/2L
CDOUT
CCLK
XCS2
BCK
DATA0/0L
LRCK/DATA0R
DATA2/2L
LRCK/DATA2R
DATA1/1L
LRCK/DATA1R
CCLK
CDIN
XCS1
XCS2
XFRST
XAMUTE
XMMUTE
MCLK
CDIN
CDIN
CDIN
CDOUT
XAMUTE
XMMUTE
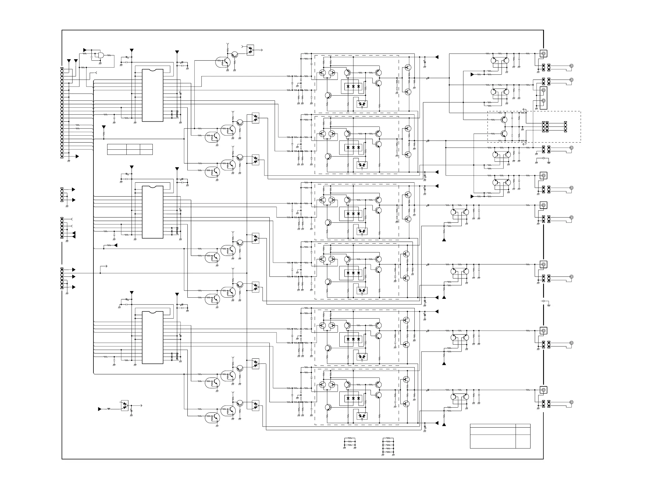
AUDIO PWB
(PA01)
JA11,JA13,JA31,JS11,JS31
JC11,JC31
JA12,JA14,JA32,JA34,JA07
JS12,JS32,JC12,JC32
JA15,JA16,JA35,JA36,JA15,JS35,JC15,JC35
WA15,WA16,WA35,WA36,WA15,WS35,WC15,WC35
DV9600
O
L.CH
(WHT)
FRONT1
FRONT2
(WHT)
L.CH
FRONT1
(RED)
R.CH
(RED)
L.CH
FRONT2
SURROUND
L.CH
(BLK)
(BLK)
R.CH
SURROUND
CNTER CH
(BLK)
SW.CH
(BLK)
JA15
WA15
JA16
WA16
JA35
WA35
JA36
WA36
JS15
WS15
JS35
WS35
JC15
WC15
WC35
JC35
1
2
1
2
1
2
1
2
1
2
1
2
1
2
1
2
1
2
1
2
1
2
1
2
1
2
1
2
1
2
1
2
R.CH
SURROUND
L.CH
R.CH
CENTER CH
SW.CH
FRONT
TO POWER
SUPPLY
(P801)
J852
VIDEO PWB -1/2
(PV01) JE90

Other manuals for Marantz DV9600

Related product manuals