EasyManua.ls Logo

Marantz DV9600 - Page 105

Marantz DV9600
207 pages
Print Icon
To Next Page IconTo Next Page
To Next Page IconTo Next Page
To Previous Page IconTo Previous Page
To Previous Page IconTo Previous Page
Loading...
119 120
LA[4]
LA[6]
LA[10]
LA[11]
LA[13]
LA[18]
LD[7]
LA[8]
LA[12]
LD[0]
LA[19]
LD[1]
LD[2]
LD[3]
LD[4]
LD[5]
LD[6]
LA[15]
LA[5]
LA[2]
LA[1]
LD[15]
LA[3]
LD[14]
LD[13]
LD[12]
LA[9]
LD[11]
LA[17]
LD[10]
LD[9]
LA[16]
LD[8]
LA[14]
LA[7]
MD 0
MD 1
Vss
Vss
MD2
Vcc
PC0/A0
PC1/A1
PC1/A2
PC3/A3
PC4/A4
Vss
PC5/A5
PC6/A6
PC7/A7
PB0/A8
PB1/A9
PB2/A10
PB3/A11
PB4/A12
Vss
PB5/A13
PB6/A14
PB7/A15
PA0/A16
Vss
PA1/A17
PA2/A18
PA3/A19
PA4/A20/_IRQ4
PA5/A21/_IRQ5
PA6/A22/_IRQ6
PA6/A23/CS7/_IRQ7
EMLE
Vss
Vss
_WDTOVF
NM I
Vcc
P10/PO8/TIOCA0
P11/PO9/TIOCB0
P12/PO10/TIOCC0
P13/PO11/TIOCD0
P14/PO12/TIOCA1
P15/PO13/TIOCB1
P16/PO14/TIOCA2
P17/PO15/TIOCB2/TCLKD
P20/PO0/TIOCA3/TMRI0
P21/PO1/TIOCB3/TMRI1
P22/PO2/TIOC3/TMCI0
P23/PO3/TIOCD3/TMCI1/TxD4
P24/PO4/TIOCA4/TMO0/RxD4
P25/PO5/TIOCB4/TMO1
P26/PO6/TIOCA5
P27/PO7/TIOCB5
P85/SCK3
PE0/D0
PE1/D1
PE2/D2
PE3/D3
PE4/D4
PE5/D5
PE6/D6
Vss
PE7/D7
Vcc
NC
Vss
PD0/D8
PD1/D9
PD2/D10
PD3/D11
PD4/D12
PD5/D13
PD6/D14
PD7/D15
PF0/WAIT/OE
PF1/_CS5/_UCAS
PF2/_CS6/_LCAS
PF3/_LWR
PF4/_HW R
PF5/_RD
PF6/_AS
PLLVcc
_RES
PLLVss
PF7/PAI
Vss
XTAL
EXTAL
Vcc
Vcc
P83/RxD3
P81/TxD3
Vss
_STBY
PG0/_CS0
PG1/_CS1
Vss
Vss
101:PG2/_CS2/_RAS2
102:PG3/_CS3/_RAS3
AVcc
Vref
P40/AN0/_IRQ0
P41/AN1/_IRQ1
P42/AN2/_IRQ2
P43/AN3/_IRQ3
P44/AN4/_IRQ4
P45/AN5/_IRQ5
P46/AN6/_IRQ6
P47/AN7/_IRQ7
P94/AN12/DA2
P95/AN13/DA3
AVss
PG4/_CS4/_BREQO
PG5/_BACK
PG6_BREQ
P50/TxD2/_IRQ0
P51/RxD2/_IRQ1
P52/SCK2/_IRQ2
P53/_ADTRG/_IRQ3
P35/SCK1/SCL0/_OE
P34/SCK0/SCK4/SDA0
P33/RxD1/SCL1
P32/RxD0/IrRxD/SDA1
P31/TxD1
P30/TxD0/IrTxD
JTAG_TCK
JTAG_TRST
JTAG_TDO
JTAG_TMS
JTAG_TDI
RESETN
RESETOUT
+3.3V
GN D
RXD_D_IF
TXD_D_IF
+3.3V
GN D
TXD_M_IF
RXD_M_IF
CTS_M_IF
RTS_M_IF
ASide
21
87
78
65
34
43
ASide
2
1
56
78
ASide
A Side
ASide
12
78
78
56
ASide
ASide
ASide
A Side
21
00MHS25AKH00F
A Side
1
2
3
4
5
6
7
8
9
10
11
12
13
14
15
16
17
18
19
20
21
22
23
24
25
26
27
28
29
30
31
32
33
34
35
36
37
38
39
40
41
42
43
44
45
46
47
48
49
50
51
52
53
54
55
56
57
58
59
60
61
62
63
64
65
66
67
68
69
70
71
72
73
74
75
76
77
78
79
80
81
82
83
84
85
86
87
88
89
90
91
92
93
94
95
96
97
98
99
100
101
102
103
104
105
106
107
108
109
110
111
112
113
114
115
116
117
118
119
120
121
122
123
124
125
126
127
128
ASide
34
56
34
65
ASide
ASide
87
ASide
21
ASide
12
43
ASide
12
34
ASide
65
ASide
87
56
ASide
43
ASide
12
56
87
34
A Side
13
2
65
ASide
12
43
BSide
1
2
3
4
5
6
7
8
9
BSide
10
9
8
BSide
13
12
11
43
ASide
21
65
43
ASide
21
ASide
21
65
43
87
87
87
65
ASide
ASide
BSide
ASide
ASide
ASide
ASide
BSide
21
43
ASide
21
BSide
87
56
BSide
12
43
65
34
78
ASide
ASide
78
A Side
43
7856
21
BSide
BSide
ASide
A Side
A Side
A Side
B Side
ASide
B Side
B Side B Side
ASide
ASide
1
2
3
4
5
6
7
8
B Side
ASide
87
65
100
100
47k
4.7k
100
47k
47k
47k
100
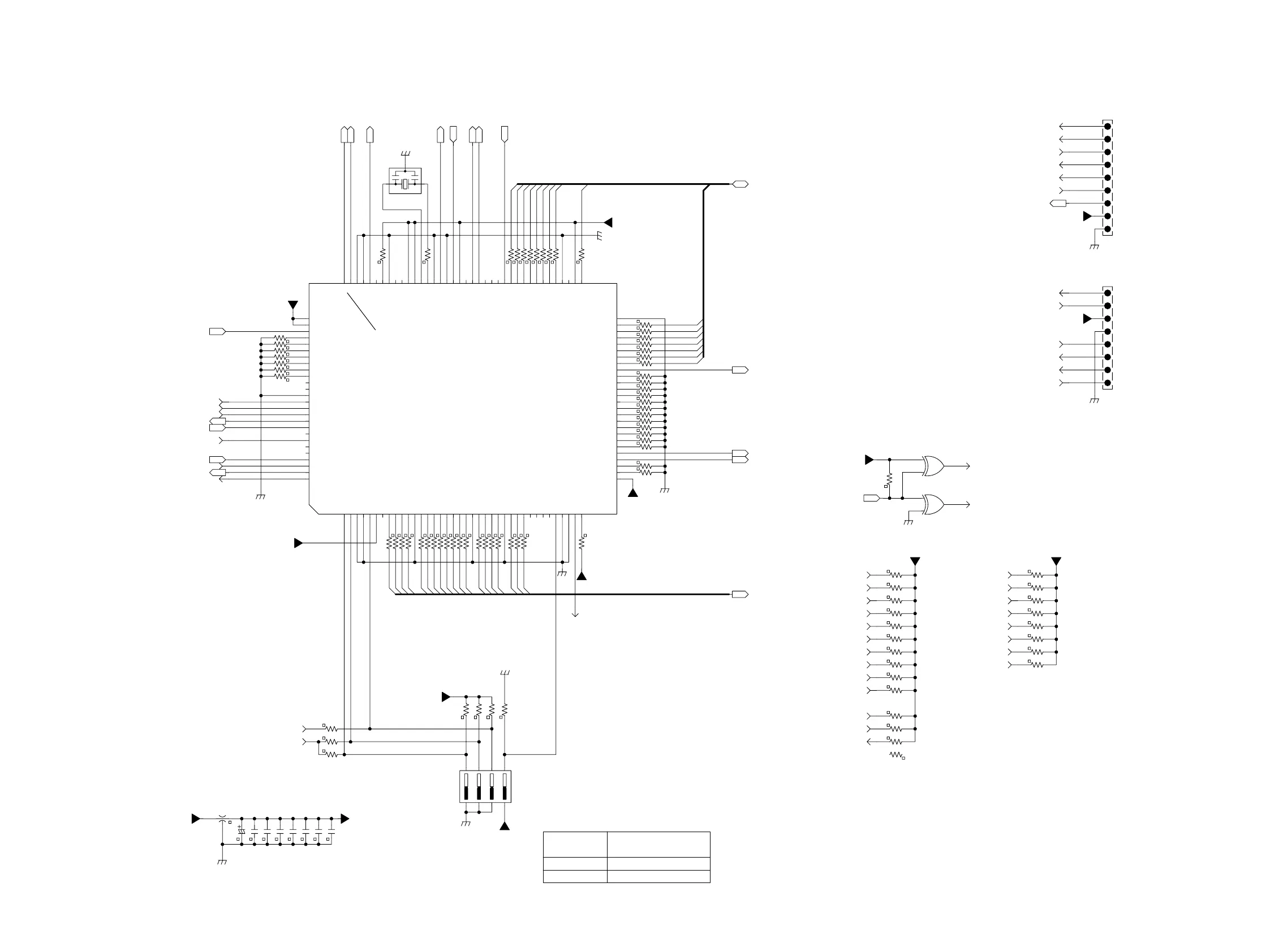
HD64F2367FP-128BV
47k
47k
0
100
100
100
0
47k
100
100
16.0MHz
100
10k
10k
10k
10k
4.7k
4.7k
4.7k
4.7k
4.7k
4.7k
4.7k
4.7k
10k
4.7k
4.7k
100
4.7k
4.7k
4.7k
1k
1k
1k
0.1u
0.1u
0.1u
0.1u 0.1u
0.1u 0.1u
10k
100u
/16
10k
1M
1M
1M
RJ16
RJ17
RJ24
RJ19
RJ07
RJ21
RJ25
RJ26
RJ15
QJ01
RJ20
RJ22
RJ18
RJ14
RJ04
RJ05
RJ09
RJ23
RJ15
RJ06
XJ01
RJ03
JJ01
QJ02
QJ02
RJ13
RJ12
RJ11
RJ13
RJ28
RJ27
RJ32
RJ33
RJ30
RJ31
RJ34
RJ29
RJ37
RJ36
RJ35
FJ01
RJ07
SJ01
RJ41
RJ42
RJ08
RJ45
RJ44
RJ43
CJ04
CJ03
CJ06
CJ05 CJ07
CJ02
JJ02
CJ10
RJ10
RJ37
CJ01
RJ39
RJ01
RJ02
RJ38
NC
NC
NC
NC
NC
NC
NC
BOOT_MODE
H
L
Sub U-COM ᦠ߈឵߃ࡕ࡯࠼
ㅢᏱേ૞ࡕ࡯࠼
േ૞ࡕ࡯࠼
JTAG_TRST
D-GND
+3.3VU
MCIF_CS_IO
JTAG_TCK
_RESETN
MCIF_BUSCLK
RXD_D_IF
D-GND
LWE
JTAG_TDI
MCIF_INT
D-GND
H8S/2367
FLASH_CS
+3.3VU
+3.3VU
MCIF_CS_MEM
+3.3VU
D-GND
JTAG_TMS
MCIF_WAIT
TXD_D_IF
JTAG_TDO
CSTCE16M0V53-R0
LOE
D-GND
LA[19-1]
LD[15-0]
JTAG_TMS
JTAG_TDI
09FMN-SMT-A-TF
JTAG_TDO
_RESETN
JTAG_TCK
+3.3VU
D-GND
JTAG_TRST
EMP_BUF
FULL_BUF
74LCX86
+3.3VU
BOOT_MODE
D-GND
74LCX86
MD[0]
MD[2]
TXD_M_IF
RXD_M_IF
RTS_M_IF
CTS_M_IF
+3.3VU
+3.3VU
MCIF_INT
MCIF_CS_IO
MCIF_WAIT
FLASH_CS
MCIF_BUSCLK
MCIF_CS_MEM
LWE
LOE
JTAG_TRST
+3.3VU
RTS_M_IF
FULL_BUF
JTAG_TDI
JTAG_TCK
TXD_M_IF
CTS_M_IF
JTAG_TMS
EMP_BUF
RXD_M_IF
+3.3V
NFM21PC474R1C3D
+3.3VU
D-GND
RESETOUT
DIP SW
D-GND
+3.3VU
_ARMRST
TXD_D_IF
RXD_D_IF
MD[0]
MD[2]
D-GND
+3.3VD
RXD_M_IF
TXD_M_IF
RTS_M_IF
CTS_M_IF
TXD_D_IF
RXD_D_IF
08FMN-SMT-A-TF
_ARMRST
+3.3VU
D-GND
IEEE1394 PWB -2/5
(PI01)
Sub U-Com for IEEE1394
[Sub microprocessor]
QJ50
QI01
QJ50
QI01
PI01-2/5

Other manuals for Marantz DV9600

Related product manuals