EasyManua.ls Logo

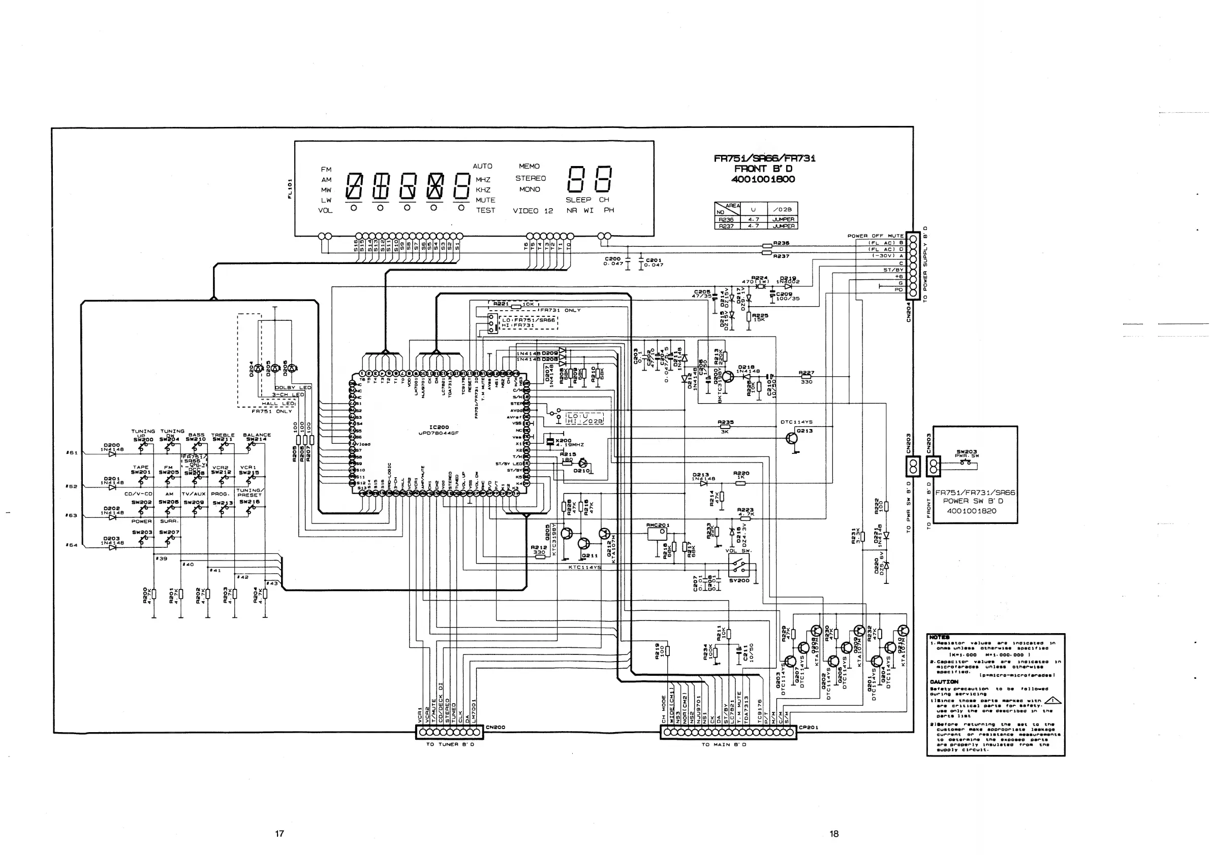
Marantz SR-66 - Printed Circuit Board Diagrams (continued); Front Board Diagram

Marantz SR-66
28 pages
Print Icon
To Next Page IconTo Next Page
To Next Page IconTo Next Page
To Previous Page IconTo Previous Page
To Previous Page IconTo Previous Page
Loading...
#61
“62
#64
TUNING
TUNING
P
e
5
AM
sweo6
eT
BASS
TREBLE
4
Sw2i0
Sweii
FL101%
STEREO
MONO
SLEEP
CH
VIDEO
12
NA
Wt
a
a
1FRA731
ONLY
LO'FA751/SR66
!
HI:
FA731
:
Lee
mew
ee
em ew
ws
PH
ce20o0
c20i
Oey
To:
047
FR75
1/SR66/FA734
FRONT
B’D
400
1004800
SS
[x
|
R236
_|
|
4.7
|
JUMPER
|
|
R237
|
4.7
|
JUMPER
-—
8236
Cce2o9s
100/35
POWER
OFF
MUTE
C)
[irc
ac)
ef}
o
i
os
Ne
BALANCE
Sweia
PRESET
Sw2i6
17
uPD7BO44GF
TO
TUNER
Di
eases
On
oecemeeel
a
arenes
Ua
ma
Me
Cai:
10/50
o206
OTC114YS
18
/
a209
KTALOIM
Q201
OTC114YS
TO
PWR
Sw
B'O
TO
POWER
SUPPLY
B'D
FR751/FA731/SR66
POWER
SW
B’D
400
1001820
TO
FRONT
B°D
4.Resistor
values
are
indicated
in
onms
unless
otnerwise
specified
{x=3.
000
M=1-000-000
}
@.Capecitor
valves
ere
inaicetes
in
microfarsdes
unless
otnerwise
specified.
CAUTION
Setety
precaution
to
be
foallowed
Guring
servicing
1)Since
tnose
perts
marked
with
ere
critical
parts
for
safety.
use
only
the
one
descrived
in
the
eerte
list
(p=micro-microtececdes
|
2i@etore
returning
tne
set
ta
the
customer
make
sooroprisate
leakage
current
or
resistence
measurements
to
cetermine
tne
exoosec
parts
are
properly
insulates
from
tne
supply
circuit.

Related product manuals