EasyManua.ls Logo

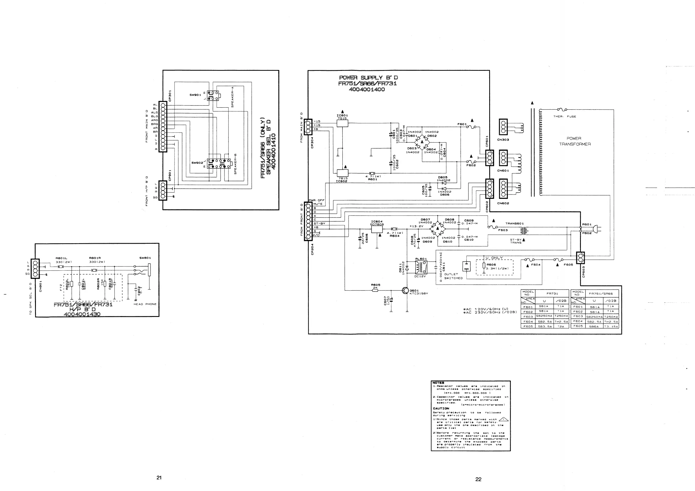
Marantz SR-66 - Printed Circuit Board Diagrams (continued); Power Supply Board Diagram

Marantz SR-66
28 pages
Print Icon
To Next Page IconTo Next Page
To Next Page IconTo Next Page
To Previous Page IconTo Previous Page
To Previous Page IconTo Previous Page
Loading...
FRONT
MAIN
BD
FRONT
H/P
BO
RBO1IL
RBO1R
Sweoi
330(2w)
330/leaw)
PHONE
|
TO
SPK
SEL
B’'O
21
i
a
lu
x
<
Ww
a
W)
SPEAKER-B
FR7S41/SR66
(ONLY)
SPEAKER
SEL
B’D
4004001410
FROM
MAIN
B'D
FROM
FRONT
8'0O
POWER
SUPPLY
B’
FR7S1/SR6E6E/FR731
4004001400
c6oi
1000/35
R6OS
2K
=
Ro
on
ON
oa
+41
S
Sad
THER.
FUSE
in4sa002
POWER
TRANSFORMER
1N4002
0608
1N4002
TRANS6O
1
1N4002
T
0609
iN4002
0610
c6o0a
470/725
|
R606
32.
BM(1/2W)
OUTSET
PP
Ms
ak
lates
a
SWITCHED
QO.
0047/400VAC
c6i1
CP603
Q601
KTC319B8Y
*xAC
120V/6O0Hz
(VU)
*AC
230V/S50Hz
(“02B)
|
F603
[SB250ma
[T250mA
sez.sal|
rea
||
F505
|
seca
NOTES
1.Resistor
values
are
incicated
in
onms
unless
otherwise
specified
(K=1.
000
M=1.000.000
}
2-Capecitor
values
are
ingicatea
in
microfaraces
unless
otnerwise
specified.
(p=micro-microtareces
|
CAUTION
Safety
precaution
to
be
followed
auring
servicing
11Since
those
parts
maerkeg
with
GO
ere
critical
oarts
for
safety.
vuee
only
tne one
descrided
in
tne
perts
list
2)Before
returning
the
set
to
tne
customer
make
appropriate
leakage
current
or
resistence
measurements
to
getermine
tne
exposed
parts
are
properly
insulatec
from
tne
Supply
circuit
22
|
S03
|sa2somalr2soma|
S82.
5A
Ir3. 15a]

Related product manuals