EasyManua.ls Logo

Marantz SR-66 - SERVICE TEST PROGRAM OF THE MICROPROCESSOR (continued); Microprocessor Key Matrix (continued); Microprocessor Block Diagram

Marantz SR-66
28 pages
Print Icon
To Next Page IconTo Next Page
To Next Page IconTo Next Page
To Previous Page IconTo Previous Page
To Previous Page IconTo Previous Page
Loading...
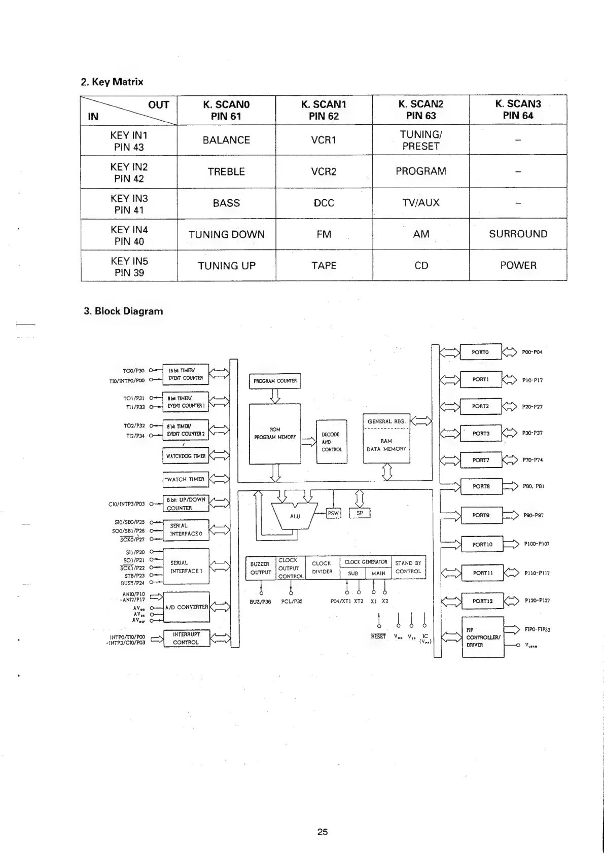
2.
Key
Matrix
K.
SCANO
K.
SCAN1
K.
SCAN2
K.
SCAN3
PIN
61
PIN
62
PIN
63
PIN
64
KEY
IN1
TUNING/
PIN
43
cance
PRESET
a
KEY
IN2
PIN
42
TREBLE
VCR2
PROGRAM
po
KEY
IN3
KEY
IN4
.
KEY
IN5
|
PIN
39
TUNING
UP
TAPE
|
ed
POWER
3.
Block
Diagram
eo
TOO/P30
O
16
ba
TIMER/
Gut
TIO/INTPO/POO
O—=|
EVENT
COUNTER
PROGRAM
COUNTER
on
fee
PIO-P17
TO1/P31
©
B
bit
TIMER/
=)
J
.
T11/P33
©
EVENT
COUNTER
|
Say
roma
E>
P20-P27
GENERAL
REG.
K___
>
wee
we
mee
ee
wee
DECODE
AUD
CONTROL
TO2/P32
O-——|
bil
TIMER/
eum
ROM
TI2/P34
Oey
EVENT
COUNTER
2
PROGRAM
MEMORY
f
WATCHDOG
TIMER
K_
>
“WATCH
TIMER
|
Cofem_f>
mm
g
r=
d
Pad,
P8i
WN
CIO/INTP3/PO3
O—~|
EH
UP/DO
ms
|
ae
S
PORTO
P90-P97
S10/SBO/P25
Oo
SERIAL
SOB
Uees
2
INTERFACE
O
a
SCKO/P27
©
:
100-P107
s})/P20
©
SO}/P21
©
SERIAL
>
SCKI/P22
©
INTERFACE
1
sTB/P23
©
P)10-P117
BUSY/P24
©
ANIO/P10
~ANII/P17
BUZ/P36
PCL/P3S
P120-P127
Vee
O-——{A/D
CONVERTERK
>
AY,,
©
AVace
O
INTPO/TIO/POO
|
INTERRUPT
-INTP3/C10/PO3
CONTROL
FIPO-FIP33
25

Related product manuals