EasyManua.ls Logo

Marantz SR7300 - 7. IC Data

Marantz SR7300
54 pages
Print Icon
To Next Page IconTo Next Page
To Next Page IconTo Next Page
To Previous Page IconTo Previous Page
To Previous Page IconTo Previous Page
Loading...
21
ENGLISH
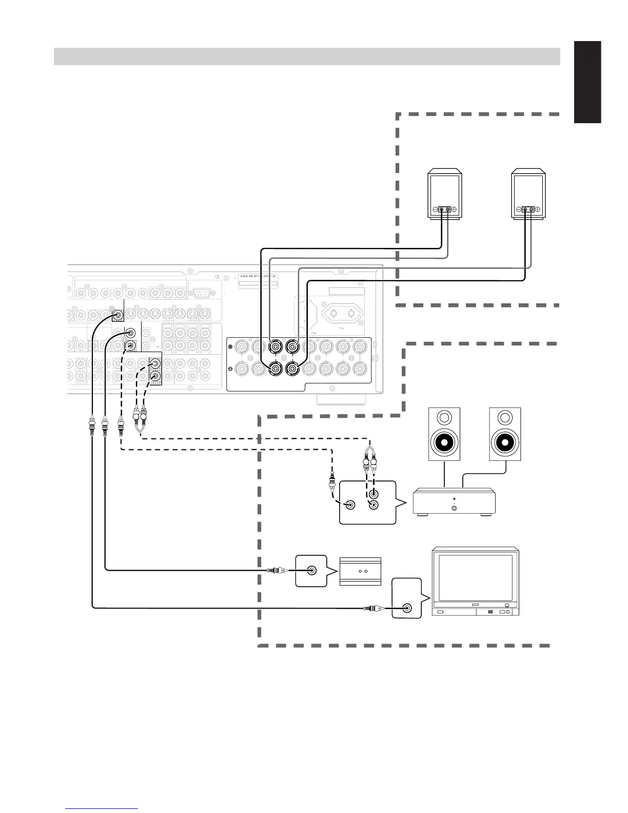
CONNECTING FOR THE MULTI ROOM
IN
RC-5
DC OUT
AUDIO
COMPONENT VIDEO
DIGITAL OUT
SBL
OUT
SL
SW
SBL C
SR
MULTI
SR
LC
RSWSBR
D
SS
/
VCR2
OUTIN
CDR
/
MD
IN OUT
TAPECD
I
N OUT
SBR
TV
DVD
OPT
DSS
/
VCR2
COAX
MULTIMONI
IN OUT OUT
S-VIDEO
MONI OUTIN
DVD
O
UT
DSS
/
VCR2
IN OUT
VCR1 DSS/VCR2
MONI OUT
RS-232C
OUT OUT
SERIAL NO.
SL
R
L
7.1CH
IN
PRE
OUT
MODEL NO. SR7300
FRONT A
SURROUND
BACK
FRONT B CENTER SURROUND
MULTI
RC
OUT
LRLRLR
SBLSL
SW
SBL C
SR
MULTI
LC
SBR
SL
R
L
PRE
OUT
FRONT A
SURROUND
BACK
FRONT B CENTER SURROUND
LRLRLR
6
5
YC
B
/
P
B
C
B
/
P
B
C
B
/
P
B
C
R
/
P
R
YC
R
/
P
R
YC
R
/
P
R
(AUX2)
SPEAKER SYSTEMS
FRONT A OR B, CENTER, SURROUND, SURR. BACK :
MINIMUM 6 OHMS
FRONT A AND B : MINIMUM 8 OHMS
AC IN
AC OUTLET
230V 50HZ
UNSWITCHED
100W MAX
IN
OUT
MULTI
MULTI
OUT
R
MULTI
RC
OUT
MULTI
FRONT B
LR
FRONT B
LR
L R
L
R
FRONTRC IN
R L
RC OUT
IN
VIDEO
MONITOR
RIGHT
SPEAKER
LEFT
SPEAKER
IR RECEIVER
MULTIROOM
RIGHT
SPEAKER
MULTIROOM
LEFT
SPEAKER
MAIN AMP
(For MULTIROOM)
MULTIROOM
(Same source as the main room)

Table of Contents

Other manuals for Marantz SR7300

Related product manuals