EasyManua.ls Logo

Marantz SR7300 - Page 29

Marantz SR7300
63 pages
Print Icon
To Next Page IconTo Next Page
To Next Page IconTo Next Page
To Previous Page IconTo Previous Page
To Previous Page IconTo Previous Page
Loading...
41
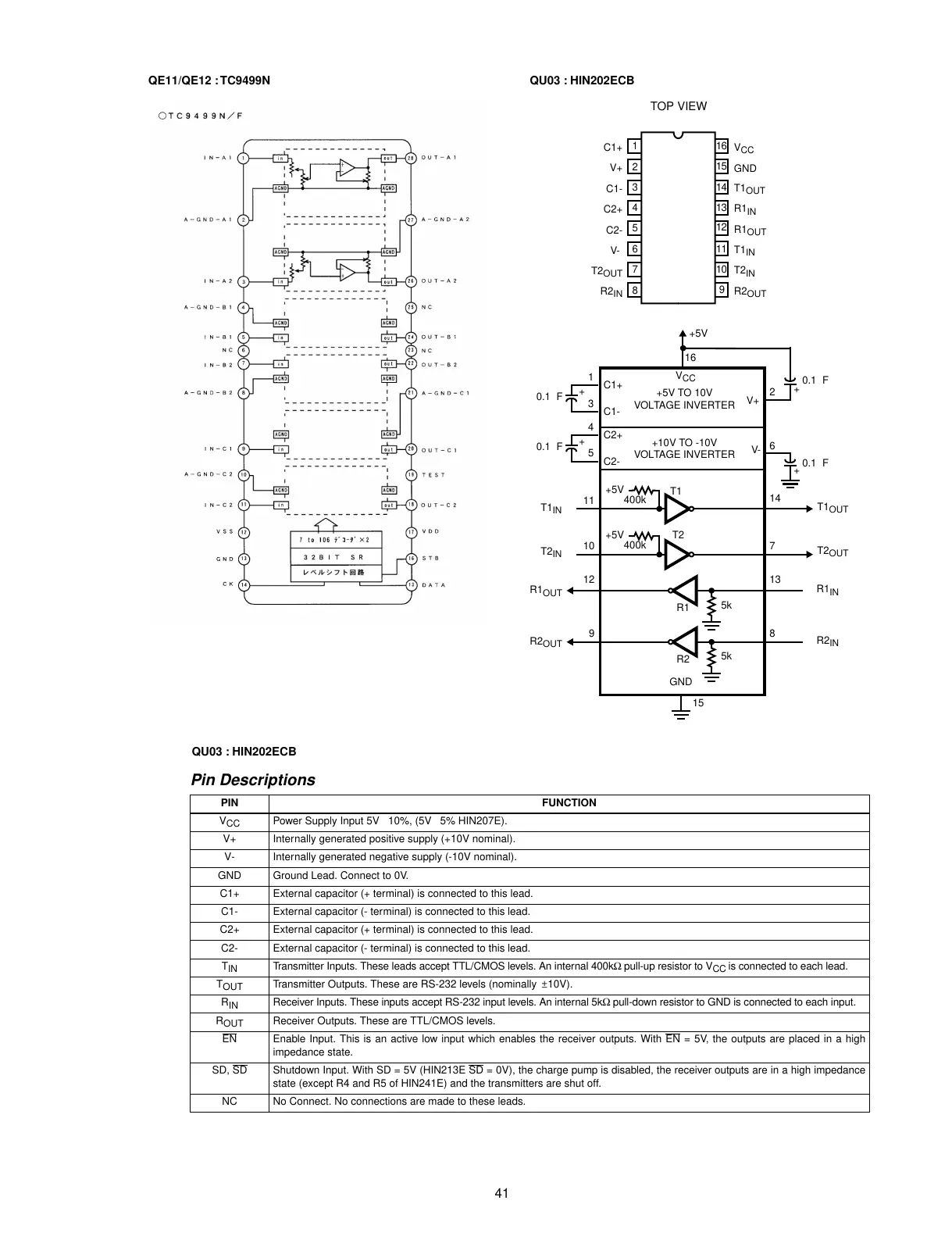
QE11/QE12 : TC9499N QU03 : HIN202ECB
TOP VIEW
14
15
16
9
13
12
11
10
1
2
3
4
5
7
6
8
C1+
V+
C1-
C2+
C2-
R2
IN
T2
OUT
V
CC
T1
OUT
R1
IN
R1
OUT
T1
IN
T2
IN
R2
OUT
GND
V-
V
CC
+5V
2
V+
16
T1
OUT
T2
OUT
T1
IN
T2
IN
T1
T2
11
10
14
7
+5V
400k
+5V
400k
R1
OUT
R1
IN
R1
1312
5k
R2
OUT
R2
IN
R2
89
5k
+10V TO -10V
VOLTAGE INVERTER
0.1 F
6
V-
C2+
C2-
+
0.1 F
4
5
+5V TO 10V
VOLTAGE INVERTER
C1+
C1-
+
0.1 F
1
3
+
0.1 F
+
GND
15
Pin Descriptions
PIN FUNCTION
V
CC
Power Supply Input 5V 10%, (5V 5% HIN207E).
V+ Internally generated positive supply (+10V nominal).
V- Internally generated negative supply (-10V nominal).
GND Ground Lead. Connect to 0V.
C1+ External capacitor (+ terminal) is connected to this lead.
C1- External capacitor (- terminal) is connected to this lead.
C2+ External capacitor (+ terminal) is connected to this lead.
C2- External capacitor (- terminal) is connected to this lead.
T
IN
Transmitter Inputs. These leads accept TTL/CMOS levels. An internal 400k pull-up resistor to V
CC
is connected to each lead.
T
OUT
Transmitter Outputs. These are RS-232 levels (nominally ±10V).
R
IN
Receiver Inputs. These inputs accept RS-232 input levels. An internal 5k pull-down resistor to GND is connected to each input.
R
OUT
Receiver Outputs. These are TTL/CMOS levels.
EN Enable Input. This is an active low input which enables the receiver outputs. With EN = 5V, the outputs are placed in a high
impedance state.
SD,
SD Shutdown Input. With SD = 5V (HIN213E SD = 0V), the charge pump is disabled, the receiver outputs are in a high impedance
state (except R4 and R5 of HIN241E) and the transmitters are shut off.
NC No Connect. No connections are made to these leads.
QU03 : HIN202ECB
All manuals and user guides at all-guides.com

Other manuals for Marantz SR7300

Related product manuals