EasyManua.ls Logo

Marantz SR9200 - 6. IC DATA; Q671:MBM29 LV400 TC; QN01:TA7317 P

Marantz SR9200
145 pages
Print Icon
To Next Page IconTo Next Page
To Next Page IconTo Next Page
To Previous Page IconTo Previous Page
To Previous Page IconTo Previous Page
Loading...
73
6. IC DATA
A15
A14
A13
A12
A11
A10
A9
A8
N.C.
N.C.
WE
RESET
N.C.
N.C.
RY/BY
N.C.
A
17
A7
A6
A5
A4
A3
A2
A1
1
2
3
4
5
6
7
8
9
10
11
12
13
14
15
16
17
18
19
20
21
22
23
24
48
47
46
45
44
43
42
41
40
39
38
37
36
35
34
33
32
31
30
29
28
27
26
25
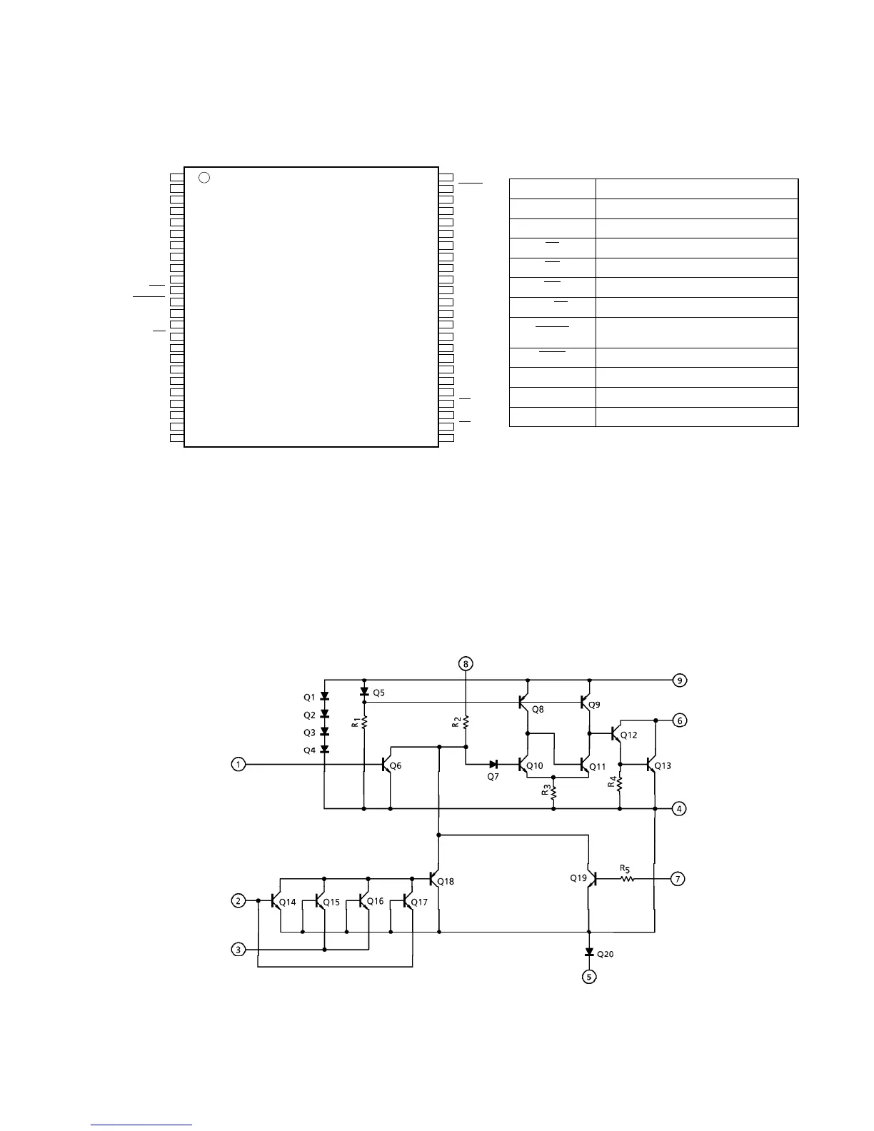
MBM29LV400TC/MBM29LV400BC
Standard Pinout
A16
BYTE
V
SS
DQ 15/A-1
DQ7
DQ14
DQ6
DQ13
DQ5
DQ12
DQ4
VCC
DQ11
DQ3
DQ10
DQ2
DQ9
DQ1
DQ8
DQ0
OE
V
SS
CE
A
0
(Marking Side)
FPT-48P-M19
Pin Function
A
-1
, A
0
to A
17
Address Inputs
DQ
0
to DQ
15
Data Inputs/Outputs
CE
Chip Enable
OE
Output Enable
WE
Write Enable
RY/BY
Ready/Busy Output
RESET
Hardware Reset Pin/Temporary Sector
Unprotection
BYTE
Selects 8-bit or 16-bit mode
N.C. No Internal Connection
V
SS
Device Ground
V
CC
Device Power Supply
Pin Assignment Pin Configuration
Q671:MBM29LV400TC
Equivalemt Circuit Diagram
QN01:TA7317P

Other manuals for Marantz SR9200

Related product manuals