EasyManua.ls Logo

Marantz UD9004/U1B - Page 161

Marantz UD9004/U1B
190 pages
Print Icon
To Next Page IconTo Next Page
To Next Page IconTo Next Page
To Previous Page IconTo Previous Page
To Previous Page IconTo Previous Page
Loading...
87654321
A
B
C
D
E
F
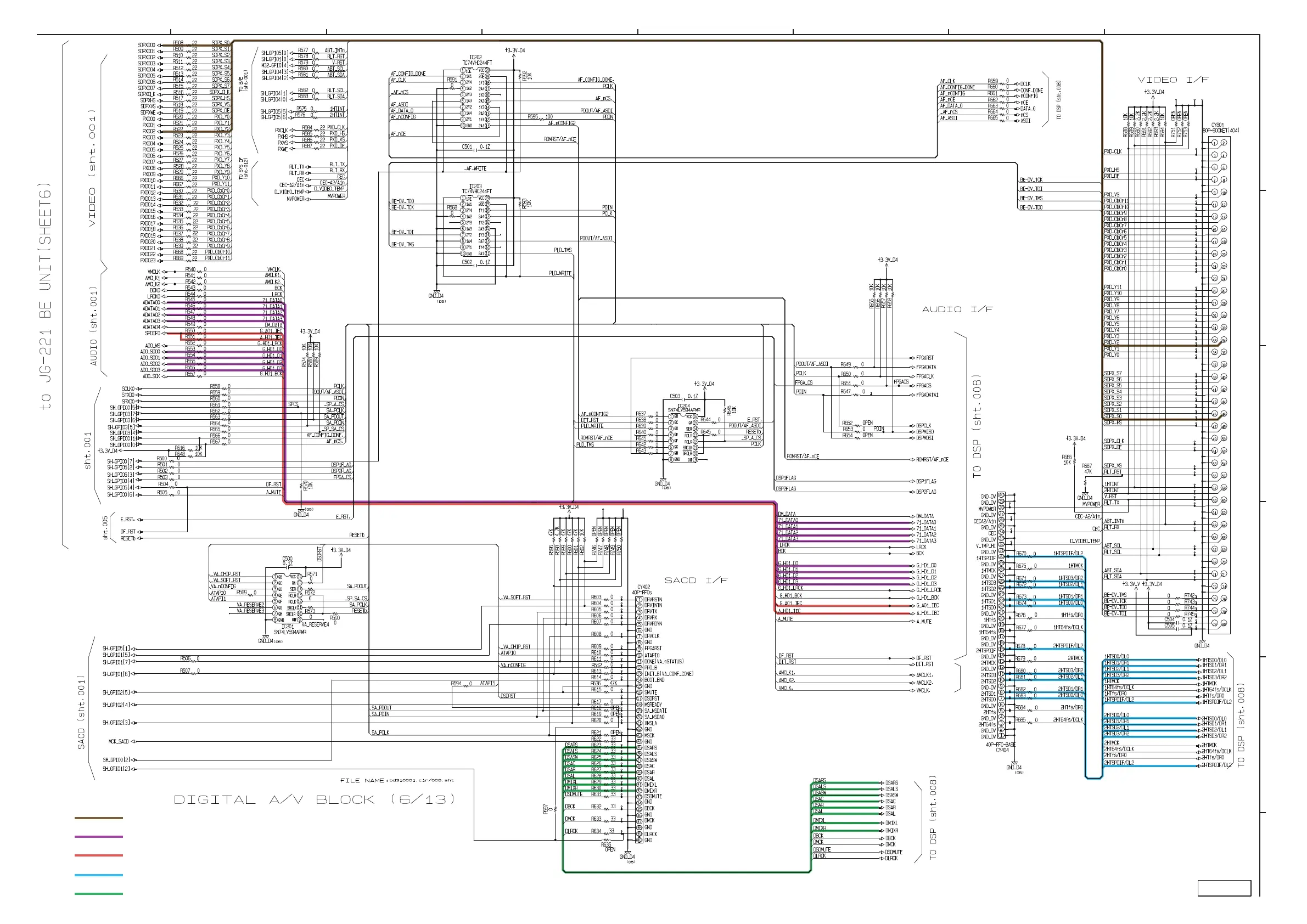
SCHEMATIC DIAGRAMS (15/44)
8U-37AK550001 MAIN UNIT(6/13)
DIGITAL A/V BLOCK
BD/DVD PLAY VIDEO OUTPUT SIGNAL LINE
BD/DVD/CD PLAY AUDIO OUTPUT SIGNAL LINE
BD/DVD/CD PLAY SPDIF OUTPUT SIGNAL LINE
HDMI AUDIO OUTPUT SIGNAL LINE
SACD PLAY AUDIO OUTPUT SIGNAL LINE
UD9004

Related product manuals