EasyManua.ls Logo

Marksa CSO Series - 9.12 LP;HP Safety Pressure Controllers (S) - Description

Default Icon
86 pages
Print Icon
To Next Page IconTo Next Page
To Next Page IconTo Next Page
To Previous Page IconTo Previous Page
To Previous Page IconTo Previous Page
Loading...
Page 62 / 86 Technical Notice CSO/CPO V1.1 / 10.14
9 Options
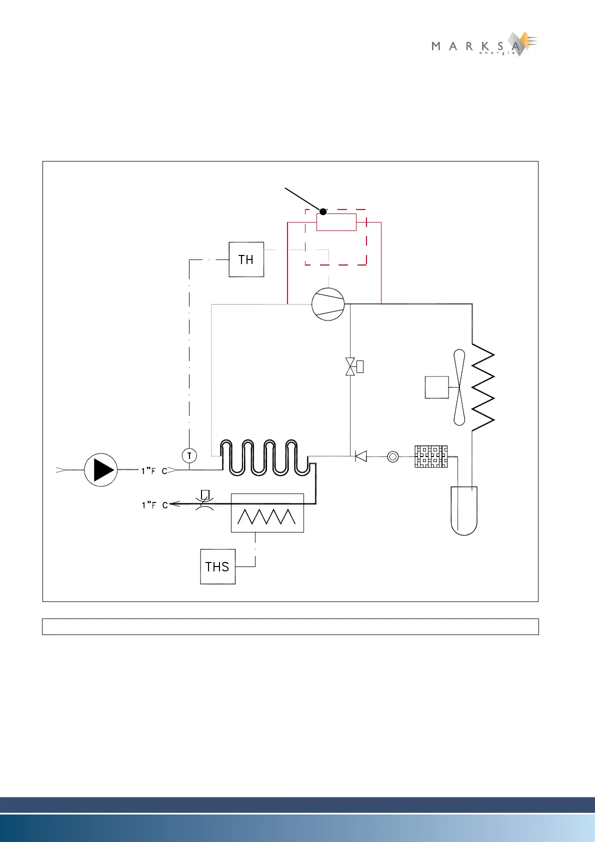
9.1.11 LP/HP safety pressure controllers (S)
9.1.11.1 Description of the option
The pressure controller (1) makes it possible to protect the compressor against any possible loss of gas
in the refrigeration circuit (LP) and protects the compressor after any significant excess of pressure of
the refrigerant gas (HP).
9.1.11.2 Maintenance
No special maintenance procedures.
Fig. 9-10 : Basic schematic
(1) LP/HP (BP/HP) safety pressure controllers
(1)

Table of Contents