EasyManua.ls Logo

Mastervolt COMBIMASTER 24V/3000VA-60A - Product Description; Operating Modes Explained

Mastervolt COMBIMASTER 24V/3000VA-60A
28 pages
Print Icon
To Next Page IconTo Next Page
To Next Page IconTo Next Page
To Previous Page IconTo Previous Page
To Previous Page IconTo Previous Page
Loading...
6
CombiMaster 230V Series User and Installation Manual
3 PRODUCT DESCRIPTION
The CombiMaster is a multifunctional charger inverter. It combines an inverter, a battery charger and an AC transfer switch.
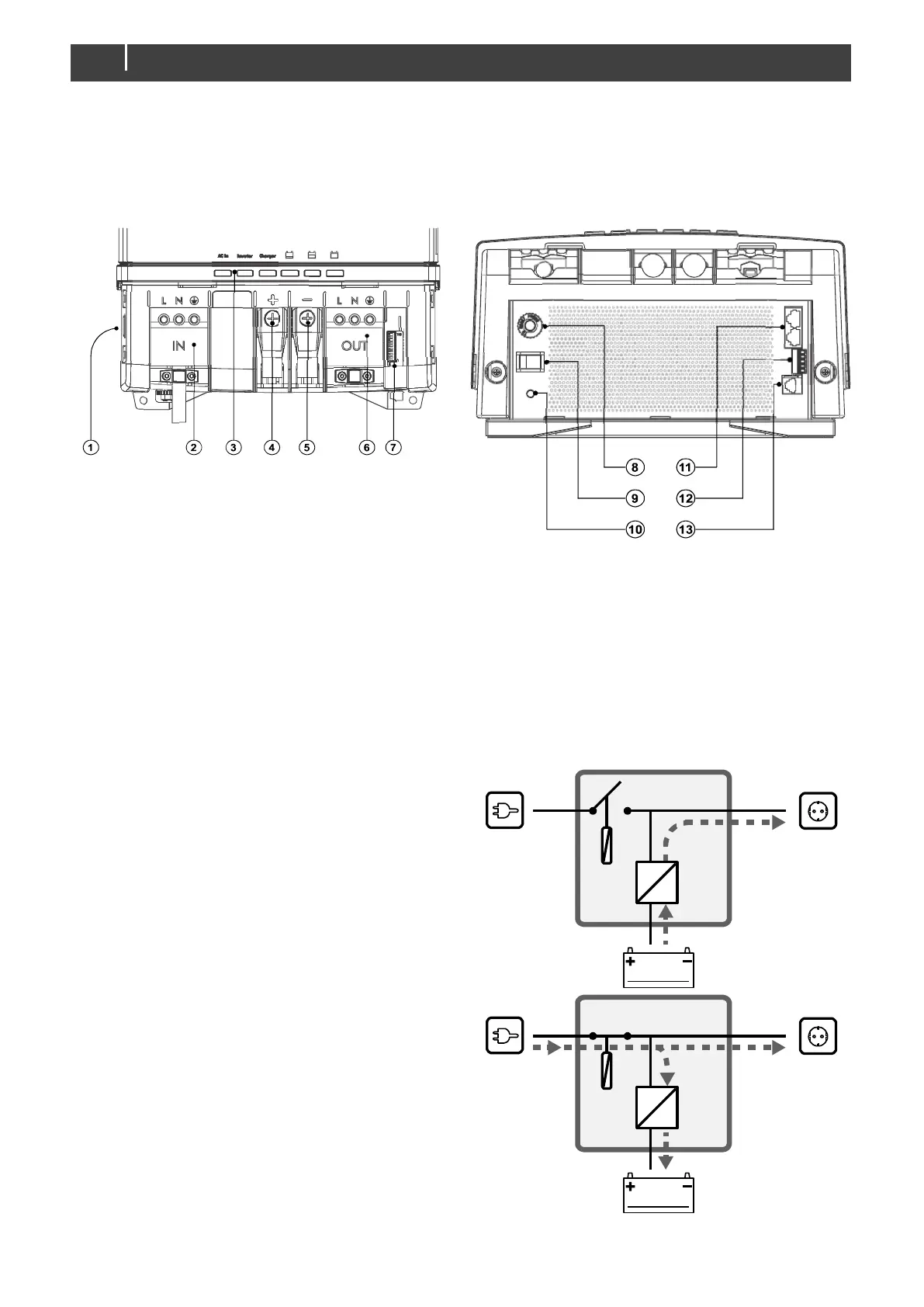
3.1 Overview of the connections
Front side with open connection compartment
Bottom side
Figure 2: Connections
1 Grounding system jumper
2 AC input
3 Status LEDs
4 M8 Positive battery terminal
5 M8 Negative battery terminal
6 AC output power
7 DIP switches
8 Resettable thermal fuse (30A)
9 Main switch
10 Ground stud
11 CZone/MasterBus connection
12 Accessories connector
13 Temperature sensor connection
3.2 Operating modes
Inverter mode: When there is no external AC power
available, the inverter provides AC power on the AC
outputs. If energy saving mode is enabled, battery power
consumption will be reduced when there is no (i.e. less than
20W for 10 seconds) load on AC OUT. Please note that
small loads such as wifi routers, satellite receivers or digital
clocks are most likely not to work in this mode.
Charger mode: When external AC power is available on
the AC input, the battery will be charged and the AC output
is supplied by the external power.
AC
DC
AC IN AC OUT
BATTERIES
AC
DC
AC IN AC OUT
BATTERIES

Related product manuals