EasyManua.ls Logo

Mastervolt COMBIMASTER 24V/3000VA-60A - Wiring Procedures; DC Wiring Specifications

Mastervolt COMBIMASTER 24V/3000VA-60A
28 pages
Print Icon
To Next Page IconTo Next Page
To Next Page IconTo Next Page
To Previous Page IconTo Previous Page
To Previous Page IconTo Previous Page
Loading...
9
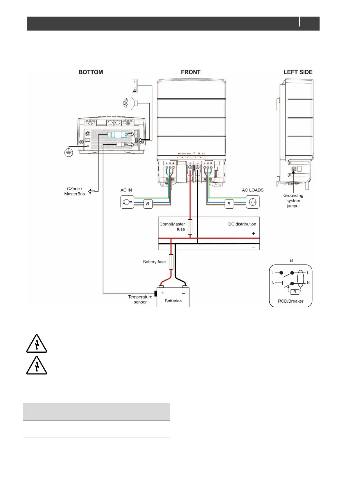
4.4 Connection example
Note: This schematic illustrates the general placement of the CombiMaster in a circuit. It is not meant to provide detailed
wiring instructions for any particular electrical installation.
Figure 3: Installation drawing CombiMaster
4.5 Wiring
WARNING!
The wire sizes stated in this manual are given as guideline only. Always comply with all local rules and regulations.
WARNING!
On first connecting to power, make sure the CombiMaster is in a well-ventilated area as it might spark.
4.5.1 DC wiring
Always keep your wire runs as short as practical to prevent low voltage shutdowns and to keep the DC breaker from nuisance
tripping (or open fuses) because of increased current draw.
DC cable cross section
Model
<3m / 10ft
3-5m / 10-16ft
12V/2000VA-60A
70mm
2
/ 2/0AWG
95mm
2
/ 3/0AWG
12V/3000VA-100A
95mm
2
/ 3/0AWG
120mm
2
/ 4/0AWG
24V/2000VA-40A
35mm
2
/ 2AWG
50mm
2
/ 1AWG
24V/3000VA-60A
50mm
2
/ 1AWG
70mm
2
/ 2/0AWG

Related product manuals