EasyManua.ls Logo

Mastervolt MasterShunt 500 - Installation; Things You Need For Installation; Installation Step by Step

Mastervolt MasterShunt 500
28 pages
Print Icon
To Next Page IconTo Next Page
To Next Page IconTo Next Page
To Previous Page IconTo Previous Page
To Previous Page IconTo Previous Page
Loading...
INSTALLATION
10 February 2011 / MasterShunt / EN
5 INSTALLATION
WARNING
During installation and commissioning of
the MasterShunt, the Safety Guidelines
and Measures are applicable at all times. See
chapter 2 of this manual.
CAREFUL!
Wrong connections may cause damage to
the MasterShunt and other equipment as
well, which is not covered by warranty!
NOTE:
For correct measurements the
MasterShunt must be placed closest possible to the
batteries.
5.1 THINGS YOU NEED FOR INSTALLATION
Tools:
A cross-head screw driver
2 mm and 5 mm flat blade screwdrivers.
Hexagonal socket wrench size 6 mm
A complete set of spanners, pliers and wrenches
may be helpful during the installation of the
MasterShunt.
CAREFUL!
Use isolated tools!
Materials needed:
; MasterShunt
; MasterBus cable, 6 metres
; Terminator for MasterBus network
; Temperature sensor to fasten on top of the
battery
; Two translucent end pieces
; Four DC cones
; One translucent mid piece for connection to
another MasterConnect device.
; Four M8 bolts with washer to fasten the DC
wiring.
Two heavy duty battery cables shortest possible,
finished with cable lugs. Mastervolt advises to
use 70 mm
2
cables on both the battery side and
load side of the MasterShunt. In an extended
system with long cable runs the cable size can
be increased to 95 mm
2
. In systems with lower
maximum currents (<300A) the cable cross
section can be smaller, yet at least 25 mm
2
.
Cable thickness must be in accordance with the
electrical installation.
5.2 INSTALLATION STEP BY STEP
Disconnect the electrical power:
Switch off all consumers,
Switch off all charging systems.
Disconnect the battery poles, first the positive
pole.
Check with a suitable voltmeter whether the
entire DC installation is voltage free.
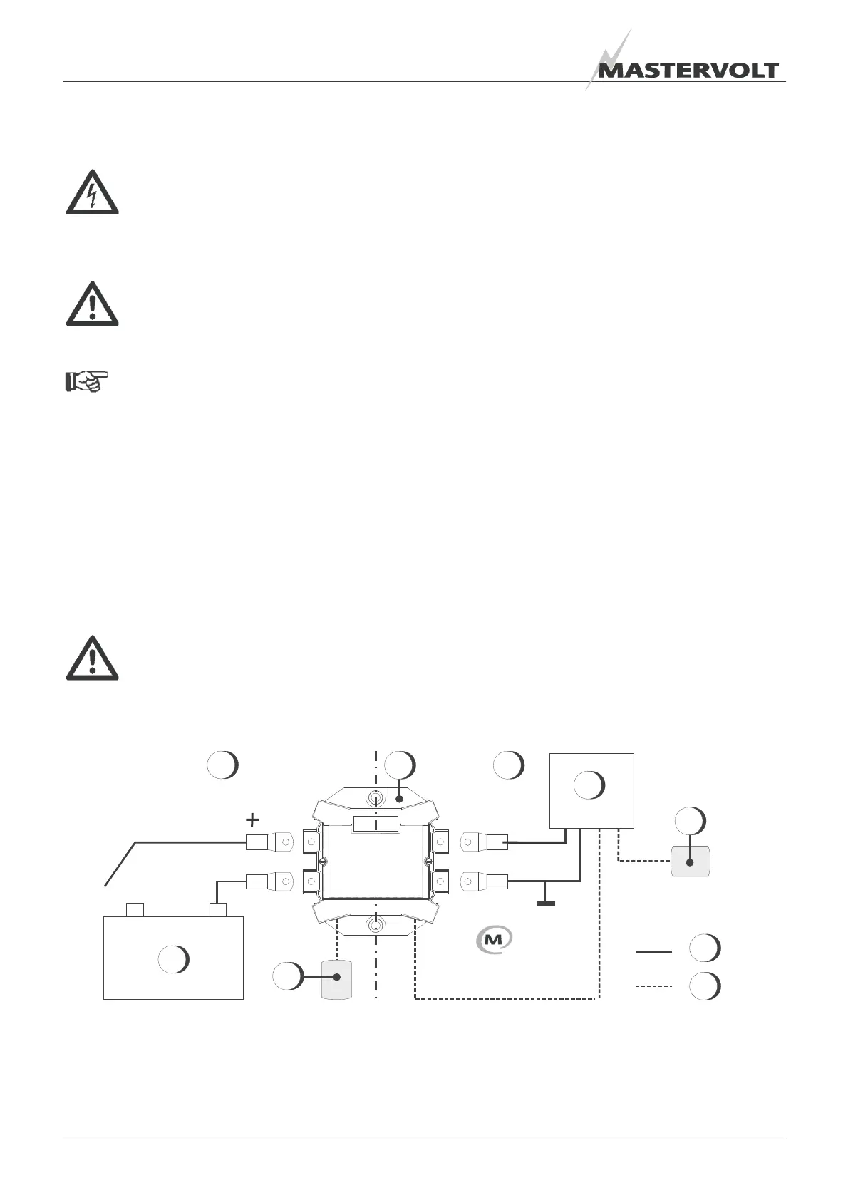
Figure 9: Installation of the MasterShunt
1 Battery side
2 MasterShunt
3 Load side
4 Charger and battery load
5 Battery bank
6 Terminator for MasterBus
7 Terminator for MasterBus
8 DC wiring
9 MasterBus wiring
_
+
_
MasterBus
2
3
6
1
5
7
9
8
AB
DC
4

Other manuals for Mastervolt MasterShunt 500

Related product manuals