EasyManua.ls Logo

Mastervolt WHISPER 6 ULTRA

Mastervolt WHISPER 6 ULTRA
40 pages
To Next Page IconTo Next Page
To Next Page IconTo Next Page
To Previous Page IconTo Previous Page
To Previous Page IconTo Previous Page
Loading...
INFORMATION
16 Copyright © 2009 Mastervolt / December 2009 / Whisper 6 Ultra for mobile applications / EN
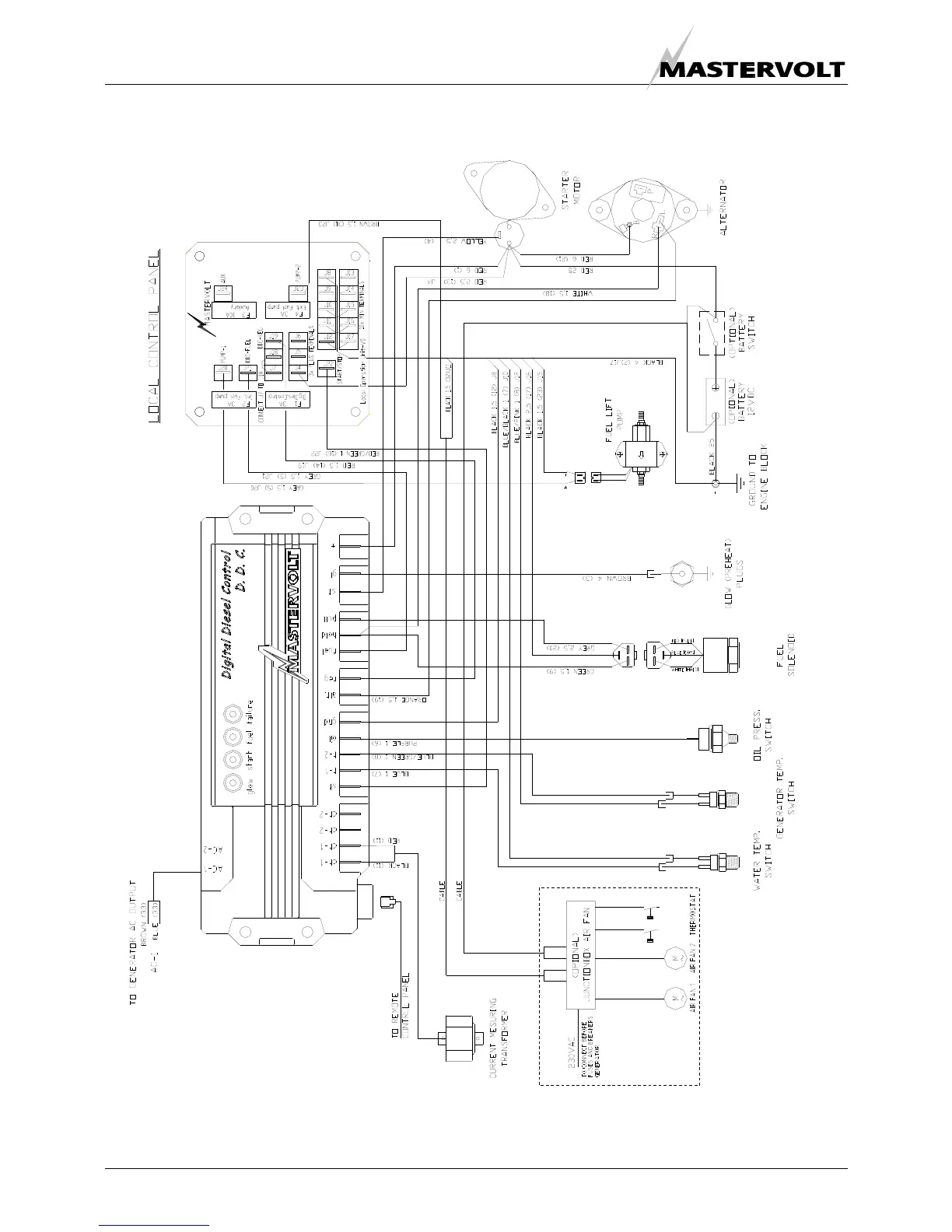
2.5.15 Lay outs control wiring
Fig 10: Electrical Diagram control wiring Whisper 6 Ultra, using a 230V AC radiator fan
Optional control for two speeds fans.
See chapter 2.5.17

Table of Contents

Other manuals for Mastervolt WHISPER 6 ULTRA

Related product manuals