EasyManua.ls Logo

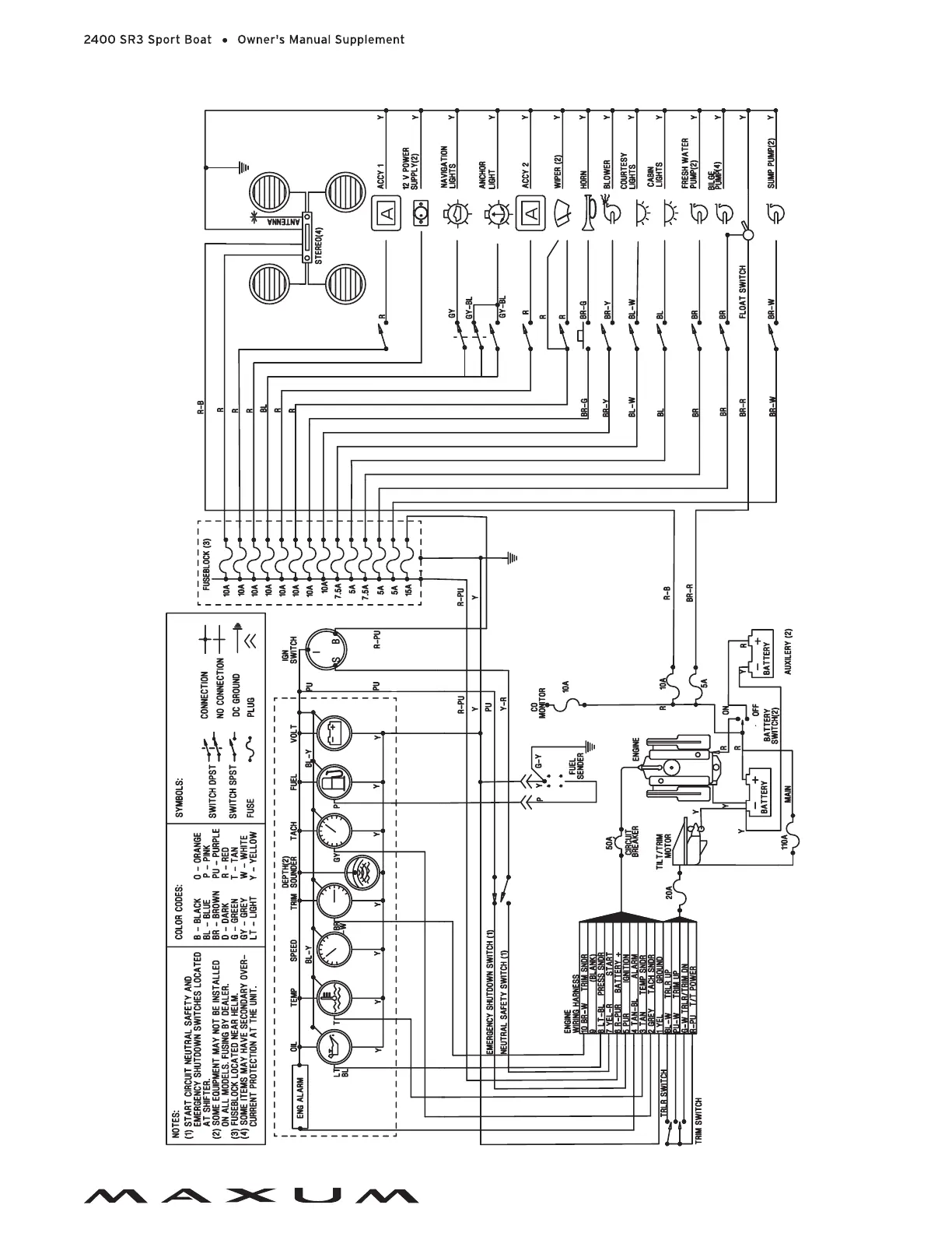
Maxum 2400 SR3 - Wiring Diagram

Default Icon
64 pages
Print Icon
To Next Page IconTo Next Page
To Next Page IconTo Next Page
To Previous Page IconTo Previous Page
To Previous Page IconTo Previous Page
Loading...
Chapter 10: Electrical System
51
Wiring Diagram

Table of Contents

Related product manuals