EasyManua.ls Logo

Maxwell RC12 - Wiring Schematic

Maxwell RC12
39 pages
Print Icon
To Next Page IconTo Next Page
To Next Page IconTo Next Page
To Previous Page IconTo Previous Page
To Previous Page IconTo Previous Page
Loading...
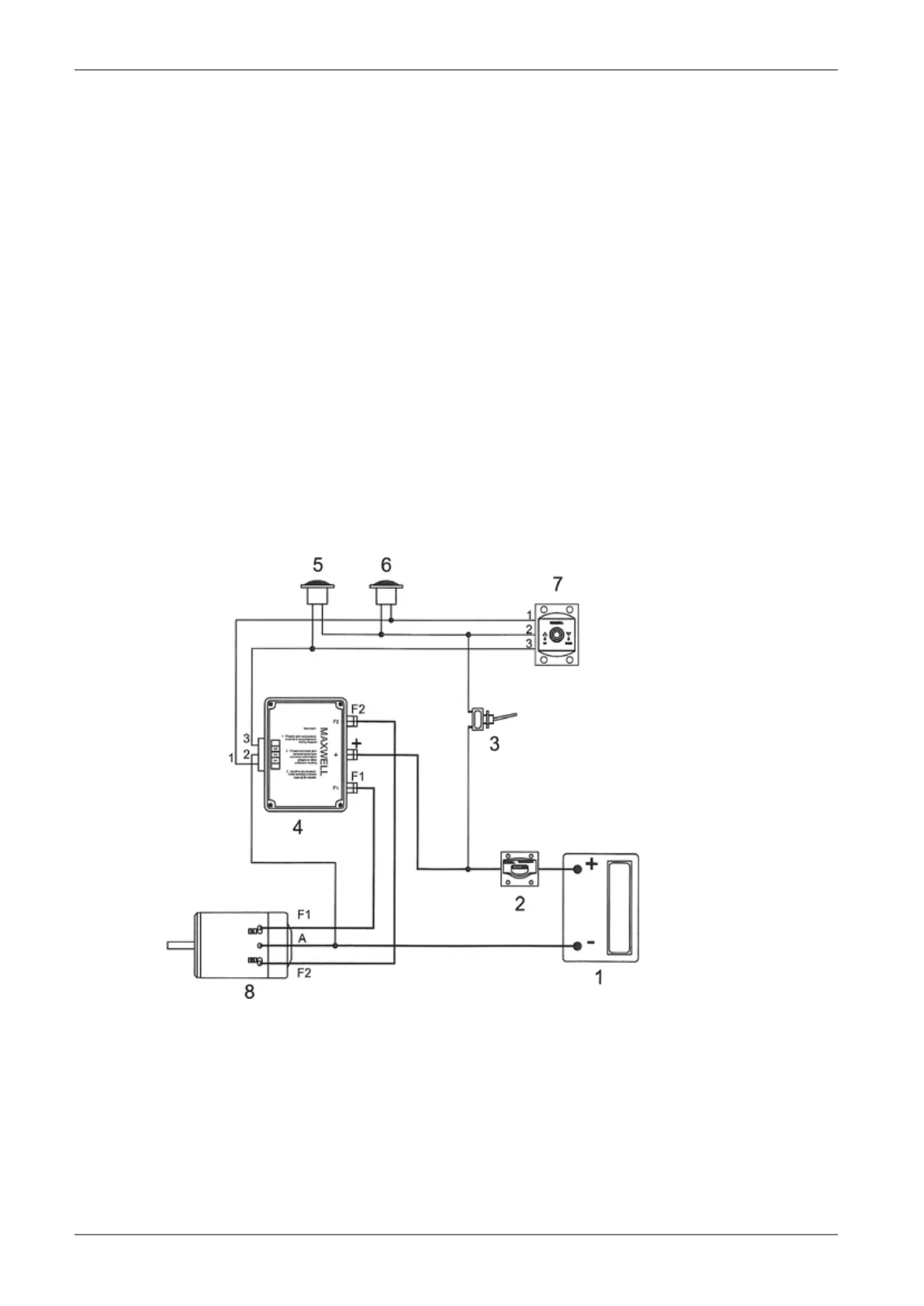
18 RC12 Windlass
Wiring schematic
1 Battery
2 Breaker/Isolator
3 Manually resettable breaker
4 Solenoid Pack
5 Up Foot Switch
6 Down Foot Switch
7 Remote control panel
8 Motor
Series Wound Motor

Other manuals for Maxwell RC12

Related product manuals