EasyManua.ls Logo

Maxwell RC12 - Page 34

Maxwell RC12
39 pages
Print Icon
To Next Page IconTo Next Page
To Next Page IconTo Next Page
To Previous Page IconTo Previous Page
To Previous Page IconTo Previous Page
Loading...
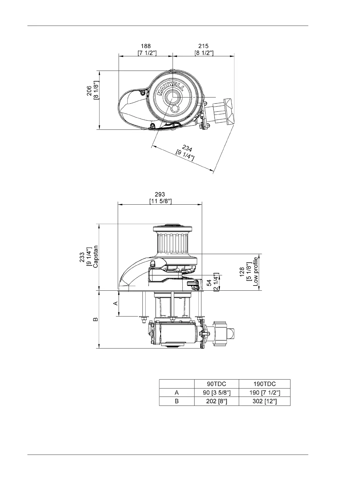
32 RC12 Windlass
Figure 7: Dimensions - Hyd motors

Other manuals for Maxwell RC12

Related product manuals