EasyManua.ls Logo

McIntosh MCC404 - Block Diagram

McIntosh MCC404
20 pages
Print Icon
To Next Page IconTo Next Page
To Next Page IconTo Next Page
To Previous Page IconTo Previous Page
To Previous Page IconTo Previous Page
Loading...
17
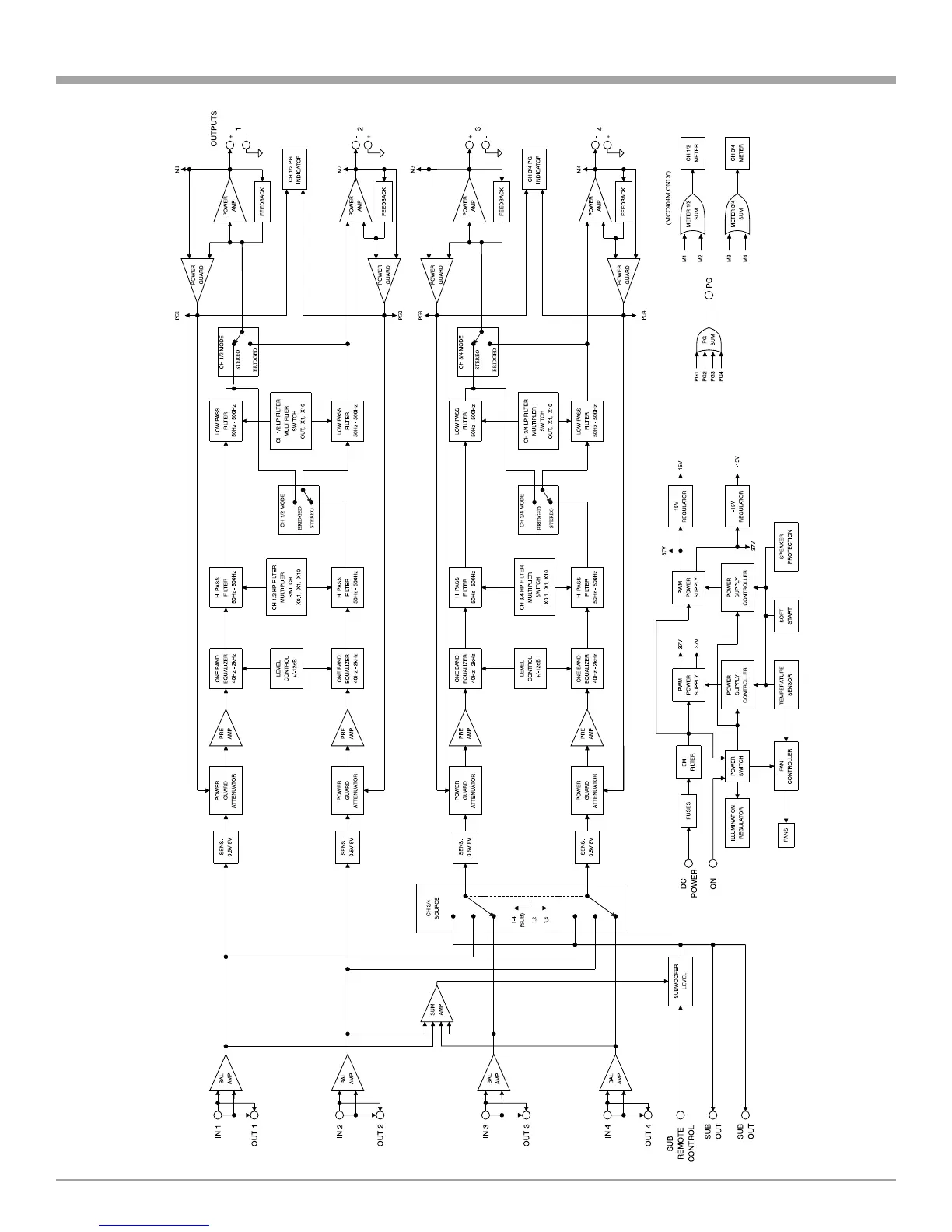
MCC404/MCC404M Block Diagram
MCC404/MCC404M Block Diagram

Related product manuals