EasyManua.ls Logo

McIntosh MCC406M - Block Diagram

McIntosh MCC406M
24 pages
Print Icon
To Next Page IconTo Next Page
To Next Page IconTo Next Page
To Previous Page IconTo Previous Page
To Previous Page IconTo Previous Page
Loading...
19
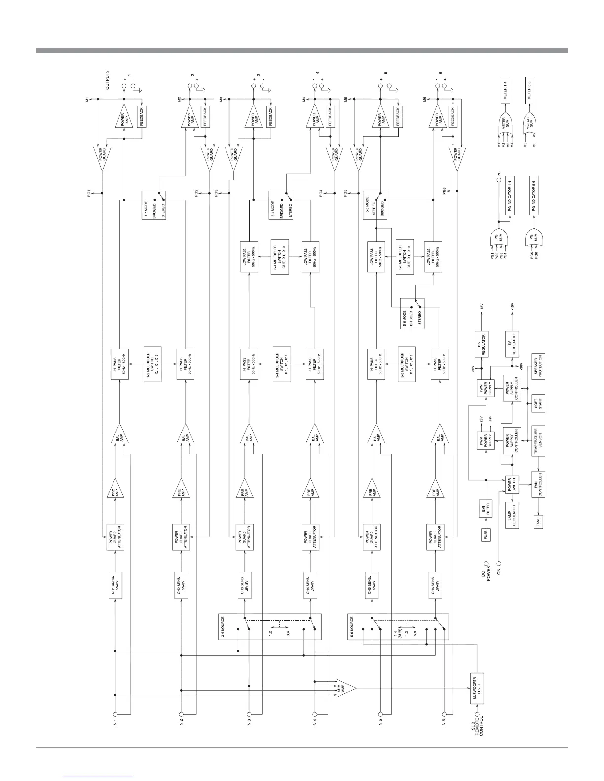
MCC406M Block Diagram
MCC406M Block Diagram

Related product manuals