EasyManua.ls Logo

McQuay RAH 047C - Page 66

McQuay RAH 047C
122 pages
Print Icon
To Next Page IconTo Next Page
To Next Page IconTo Next Page
To Previous Page IconTo Previous Page
To Previous Page IconTo Previous Page
Loading...
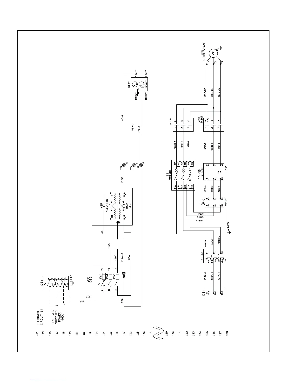
66 McQuay IM 987
Wiring Diagrams
Figure 74: VAV Fan Power (with SAF and RAF VFDs and Manual Bypass)
(Schematic continues on the next page.)

Table of Contents

Related product manuals