EasyManua.ls Logo

McQuay RAH 047C - Page 76

McQuay RAH 047C
122 pages
Print Icon
To Next Page IconTo Next Page
To Next Page IconTo Next Page
To Previous Page IconTo Previous Page
To Previous Page IconTo Previous Page
Loading...
76 McQuay IM 987
Wiring Diagrams
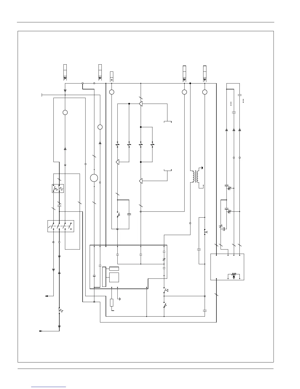
Figure 84: Super Mod Gas Furnace Control (1000 MBh)
/1.68
H633-9
H632-9
H634-8
NOTE:
1.POWER, PILOT & MAIN VALVE INDICATION
LIGHTS ARE PART OF THE FLAMESAFEGUARD
(FSG) CONTROLLER.
REGULATION AND MANUAL SHUTOFF
2. GV-A IS THE FIRST VALVE AND GV-B
IS THE SECOND VALVE OF A REDUNDANT
COMBINATION VALVE WITH PRESSURE
IGNITION TRANSFORMER
BLACK BLACK
WHITE
BLACK
BLACK
WHITE
WHITE
WHITE
BLACK
BLACK
SEE THE PIPING SCHEMATIC BELOW
FOR THE NUMBER OF MAIN GAS VALVES
REQUIRED FOR YOUR BURNER SIZE
H604-3
H604-5
H610-1
H602-2
H603-1
H603-4
H603-2
600
601
602
603
604
605
606
607
608
609
610
611
612
613
614
615
616
617
618
619
620
621
622
623
624
625
626
627
628
629
630
631
632
633
634
635
636
(Schematic continues on next page.)
207
207
628
625
413
625
612
628
627
632628
632615
413
225
402
BO10
BO9
G
T
Y
COM
CLOSE
OPEN
MODULATING
GAS & AIR
VALV E
ACTUATOR
(FLOATING)
CCW
(CL)
CW
(OP)
24V SRC
jprs
24V SRC
jprs
6000V
X1
X2
115V
FSG-G
FSG-F
(FLAME ROD)
FD
MICROCOMPUTER
5K12K11K1
(L1)
6K1
3K1
4K1
2K2
FLAME
AMPLI
FIER
T
I
M
E
R
FSG
(FLAME SAFEGUARD)
(PLUG-IN TYPE
CONTROLLER)
BLKBLK
10NO10
8
9
9
11
12
9NO9
2
1
R
BLK WHT
6
5
46
5
4
5
6
4
RED_G630-B WHT_G630-W
YEL_G632-R
YEL_G633-1
YEL_G634-2
31
NOCOM
42
2131
COM
NO
NO
COM
31
C2C1
C2C1
20202020202020
WHTBLK
WHTBLK
WHTBLK
WHTBLK
L2
L1
107
6
9
8
L2
3
4
5
2
7
3
6
5
4
NB
21212121212121
19191919191919
RED_G617-L WHT_G617-R
RED_G613-L
87
1
L4
L3
L2
L1
5
42
11
4
8
2
10
5
7
1
3
87
1
2
21 42
8
9
10
NB
RED_G609-L WHT_G609-R
RED_G603-L3
RED_G602-L2
RED_G602-L1
RED_G602-L1
1
MCB
+MB
PL18
+PP
PL18
+PP
PL19
+PP
TB11
TB11
MCB
+MB
VM1
R21
R23
R20
R23
LS1
R22
TD10
R21
ASLS2
R22
R21
R23
GV1A
GV1B
GV4A
GV4B
IT
FSG
TB11
TB11
TB11
TB11
TB11
TB11
TB11
R24
+MB
PL19
+PP
FLC
PL19
+PP
R20
S3
PL19
+PP
R25
+MB
S1/2.01
PL16
+PP
PL19
+PP
SIG_1/4.28
HL22
BM
T1_N
PL19
+PP
PL16
+PP
TB11
TB11
TB11
TB11
634A 634B
633A 633B
632A 632B
631A
621A
628A
621B
621C
617A
613A 613B
611A
610A 610B
607A
604A
604B
603A 603B 603C
602A
201A
426B
168C

Table of Contents

Related product manuals