EasyManua.ls Logo

McQuay RAH 047C - Page 78

McQuay RAH 047C
122 pages
Print Icon
To Next Page IconTo Next Page
To Next Page IconTo Next Page
To Previous Page IconTo Previous Page
To Previous Page IconTo Previous Page
Loading...
78 McQuay IM 987
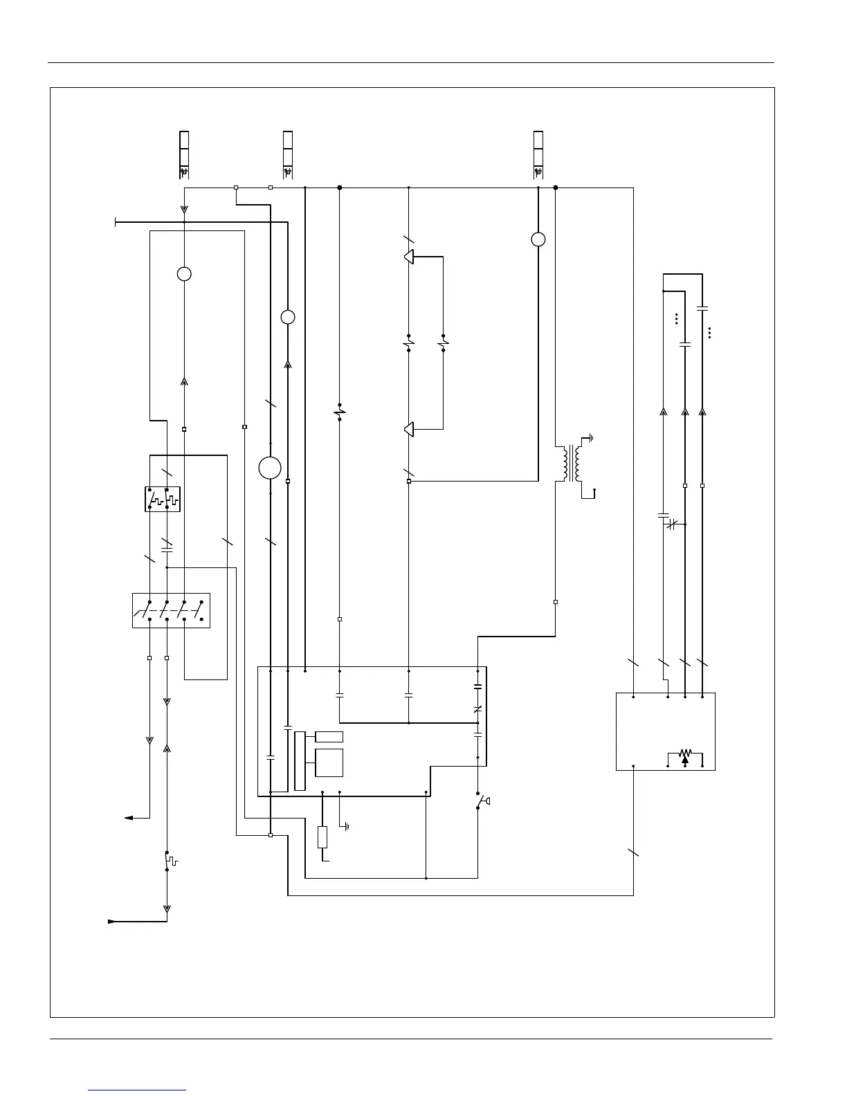
Wiring Diagrams
Figure 86: Standard Mod, Furnace Control (1000 MBh)
/1.68
H634-8
H633-9
H632-9
NOTE:
1.POWER, PILOT & MAIN VALVE INDICATION
LIGHTS ARE PART OF THE FLAMESAFEGUARD
(FSG) CONTROLLER.
BLACK WHITE
BLACK WHITE
IGNITION TRANSFORMER
BLACK BLACK
BLACK BLACK
H604-3
H604-5
H610-1
H602-2
H603-1
H603-4
H603-2
600
601
602
603
604
605
606
607
608
609
610
611
612
613
614
615
616
617
618
619
620
621
622
623
624
625
626
627
628
629
630
631
632
633
634
635
636
207
207
625
632
413
225
402
24V SRC
jprs
BO10
24V SRC
jprs
BO9
G
T
Y
COM
CLOSE
OPEN
MODULATING
GAS & AIR
VALV E
ACTUATOR
(FLOATING)
CCW
(CL)
CW
(OP)
FSG-G
FSG-F
(FLAME ROD)
FD
MICROCOMPUTER
5K12K11K1
(L1)
6K1
3K1
4K1
2K2
FLAME
AMPLI
FIER
T
I
M
E
R
FSG
(FLAME SAFEGUARD)
(PLUG-IN TYPE
CONTROLLER)
6000V
X1
X2
115V
BLKBLK
9
9
8
10NO10
9NO9
5
64
11
12
RED_G630-B WHT_G630-W
YEL_G632-R
YEL_G633-1
YEL_G634-2
2
1
R
WHTBLK
C2C1
COM
NO
21212121212121
BLK
BLK
BLK
WHT
BLK
WHT
107
6
9
8
L2
3
4
5
L2
L1
2
6
3
5
4
NB
RED_G617-L
20
202020202020
WHT_G617-R
87
1
L4
L3
L2
L1
5
31
11
4
8
2
10
5
7
1
3
87
1
2
21 42
8
9
10
NB
RED_G609-L WHT_G609-R
RED_G603-L3
RED_G602-L2
RED_G602-L1
RED_G602-L1
1
PL19
+PP
PL18
+PP
PL18
+PP
MCB
+MB
MCB
+MB
R23
TB11
TB11
VMI
R23
AS
GV1
GV2
GV3
FSG
IT
TB11
TB11
TB11
TB11
TB11
TB11
R24
+MB
PL19
+PP
FLC
PL19
+PP
R20
S3
PL19
+PP
R25
+MB
S1/2.01
PL16
+PP
PL19
+PP
SIG_1/4.28
HL22
BM
T1_N
PL19
+PP
PL16
+PP
TB11
TB11
TB11
TB11
634B
633C
633B
632B
621B
621C
617A
613A
611A
610A 610B
607A
604A
604B
603A 603B 603C
602A
201A
426B
168C
(Schematic continues on next page.)
8
624
609
619
618

Table of Contents

Related product manuals