EasyManua.ls Logo

Mec 3084RT - Page 176

Default Icon
344 pages
Print Icon
To Next Page IconTo Next Page
To Next Page IconTo Next Page
To Previous Page IconTo Previous Page
To Previous Page IconTo Previous Page
Loading...
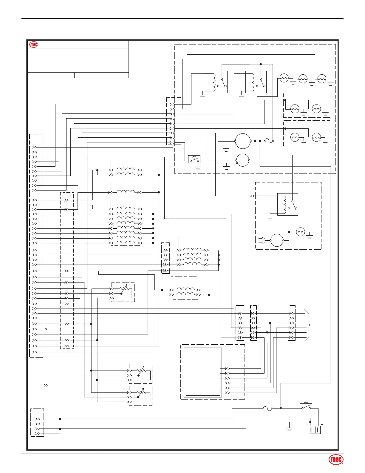
Page 169 Speed Level Series - Service & Parts Manual
January 2019Section 10 - Schematics
3084RT Dual Fuel - Base Electric Schematic
ART_3196
none
SCHEMATIC
Model: / Serial #
Publication Art #:Reference Art #:
SCHEMATIC
Model: / Serial #
3084 | Serial #11800025 - UP
3084RT DUAL FUEL
14
7
8
9
10
12
13
25
26
27
28
34
36
61
60
38
40
15
16
17
18
19
20
21
67
66
65
64
59
55
57
42
44
1
2
3
4
5
6
58
J1
J2
J6
J10
J11 J12
J5
J4*
1415
215
3515
4414
5412
6413
1 415
2 15
3 515
4 414
5 BARE
TO
PLATFORM
6 413
BRN
BLU
ORG
BLK
BARE
RED
105
22
23
16
19
417
333
75
76
77
78
152
225
1
407
21
204
107
108
111
110
313
213
15
408
15
15
15
15
15
15
515
43
42
414
413
412
124
120
125
415
1 2
1 2
1 2
1 2
1 2
1 2
1 2
1 2
1 2
1 2
1 2
1 2
1 2
1 2
1 2
1 2
1
1
2
3
2
PRESSURE
TRANSDUCER
ANGLE
TRANSDUCER
ANGLE TRANSDUCER ELEVATION
CE CERTIFIED
CANTILT MODULE
AXLE
CAN BUS H
CAN BUS L
GND
12V INPUT
CAN BUS H
CAN BUS L
*J4 Plug contains
connections only
at points designated
by symbol
LEVEL
MANIFOLD
DOWN
VALVE
MAIN
MANIFOLD
AXLE LOCK
CYLINDERS
REAR
WHEELS
1
2
3
1
2
3
12 VOLTS
ENGINE
GROUND
30A
MAIN BATTERY
DISCONNECT
SWITCH
CHOKE
COIL
THROTTLE
85
86
30
87
30
86
85
87
30
86225
171
85
87
R2
R1
ST
B+
9
11
12
1
3
5
6
7
8
225
16
21
120
124
125
19
23
22
PROPANE
GAS
OIL
PRESSURE
ALTERNATOR
STARTER
E B+
ENGINE
Base - Dual Fuel
30A
GENERATOR OPTION
THROTTLE
KICK
GENERATOR
AC E

Table of Contents

Related product manuals