EasyManua.ls Logo

Mec Micro 19 - HydraulC Hoses and FTtNgs

Mec Micro 19
84 pages
Print Icon
To Next Page IconTo Next Page
To Next Page IconTo Next Page
To Previous Page IconTo Previous Page
To Previous Page IconTo Previous Page
Loading...
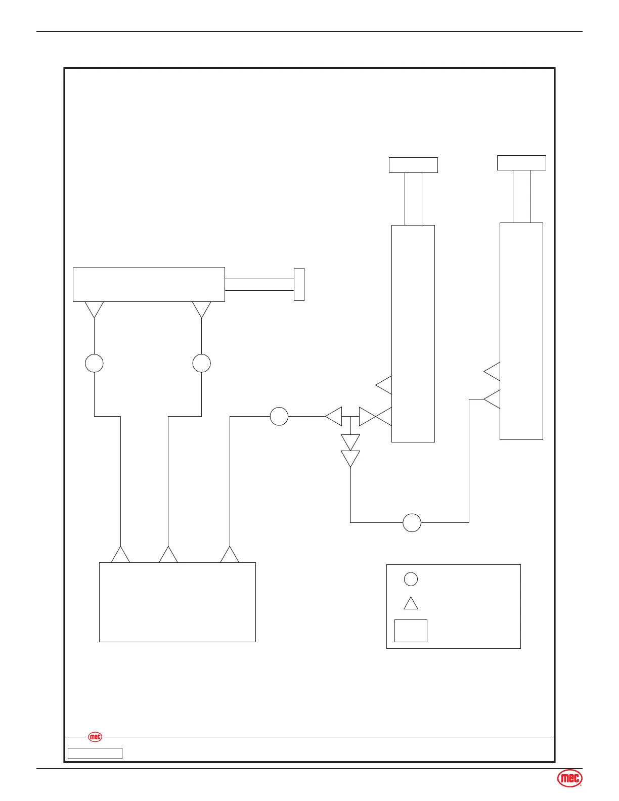
Page 68 Micro 19 - Service & Parts Manual
November 2019Section 16 - Hydraulics
Hydraulic Hoses and Fittings
Hydraulic Hoses and FittingsMicro 19
Art_5536
ILLUSTRATION No.
Steer Cylinder
6
6
1
2
10
10
7
3
9
7
8
4
5
5
5
A
B
C
Hydraulic power unit
Hose Assembly
Adapter
Union
Lift Cylinder
Upper Lift Cylinder

Table of Contents

Related product manuals