EasyManua.ls Logo

Mec Micro19 - Section 17 - Electrical System

Mec Micro19
92 pages
Print Icon
To Next Page IconTo Next Page
To Next Page IconTo Next Page
To Previous Page IconTo Previous Page
To Previous Page IconTo Previous Page
Loading...
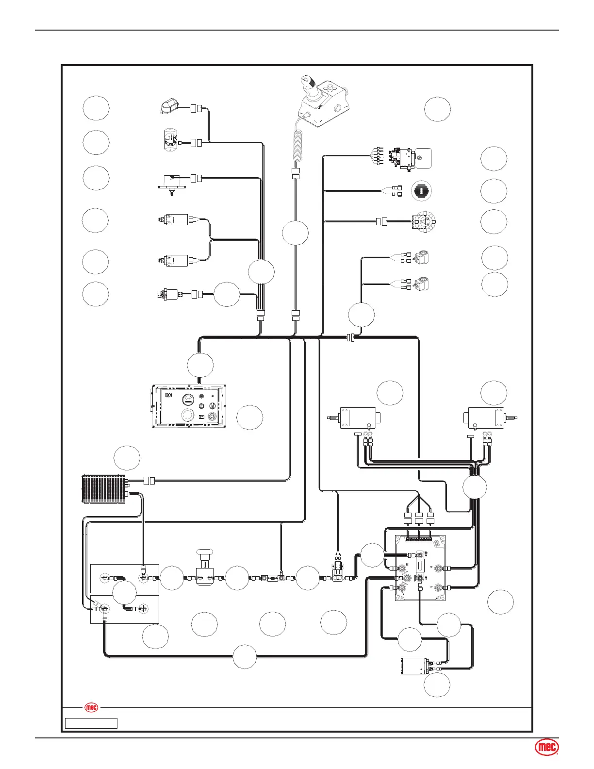
Page 72 Micro19 - Service & Parts Manual
October 2021
Electrical Harness
Electrical HarnessMicro19
Art_5815
ILLUSTRATION No.
Platform Control
Box Assembly
Hydraulic
Power Unit
Horn
Coil
Alarm
Coil
Limit
Switch
Limit
Switch
Rotary
Sensor
Beacon
Pressure
Sensor
Tilt
Sensor
20
16
16
17
21
22
24
4
15
18
19
23
3
35
25
2
Left Motor
Right Motor
5
27
26
1
14
Ground Control
Assembly
Charger
34
32
11
10
9
8
31
30
13
29
33
7
12
28
Motor
Battery
6
DC
Contactor
Fuse
Assembly
Power
Switch
Motor
Controller
Section 17 - Electrical System
Electrical Harness

Table of Contents

Other manuals for Mec Micro19

Related product manuals