EasyManua.ls Logo

Megger MIT510 - Page 40

Megger MIT510
84 pages
Print Icon
To Next Page IconTo Next Page
To Next Page IconTo Next Page
To Previous Page IconTo Previous Page
To Previous Page IconTo Previous Page
Loading...
AF008-02-1201
40
Number
Issue
Date
CN Number
6
1
7
2-
999
2
17-01-07
22933
Compiled
By:
S.Mynott
Date
Compiled:
08/08/06
MIT5XX/10XX
1
st
Used On:
SERVICE MANUAL
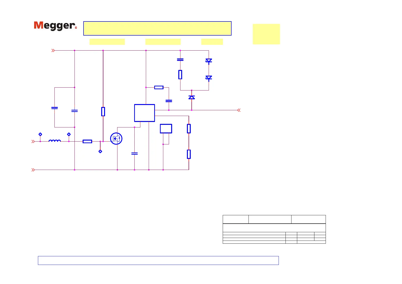
12V
D3
1N5355B
+
C6
100u
25
OFF
R34
1.5K
1%
0.25W
R21
100K
1%
0.063W
TR2
2N7002
C4
10nF
50
R22
1K
1%
0.063W
C2 and R3 close to VR1
6270-295
POWER SUPPLY BOARD
A4 2 4
Friday, April 12, 2002
MIT5XX & 10XX
C.Wedge 4 05-04-2005 22321
5 05-05-05 22336
<Core Design>
Title
Size
Document Number
Date:
Sheet of
MEGGER LIMITED
Archcliffe Road, Dover,
Kent, CT17 9EN, England
Issue Date CN No.Instrument:
Drawn By:
© MEGGER LIMITED
L3
TP25
0V
C10
470n
50
VR1
LT1070CT
1 3
2
4
5
VC GND
FB
VSW
VIN
R23
330R
1%
0.063W
C11 4.7nF
50
ISO_TX
TP26
R35
3.3R
1% 0.25W
HS1
1 2
R19
750R
2%
0.125W
D2
BYW29E-100
C5
100nF
50
TP32
D4
1N5355B

Other manuals for Megger MIT510

Related product manuals