EasyManua.ls Logo

Mercury MerCruiser MCM 454 Mag MPI - Page 723

Mercury MerCruiser MCM 454 Mag MPI
1027 pages
To Next Page IconTo Next Page
To Next Page IconTo Next Page
To Previous Page IconTo Previous Page
To Previous Page IconTo Previous Page
Loading...
SERVICE MANUAL NUMBER 23TROUBLE CODE DIAGNOSTICS - 454/502 MAG MPI & 8.2L MPI
Page 5F-26 90-861326--1 MARCH 1999
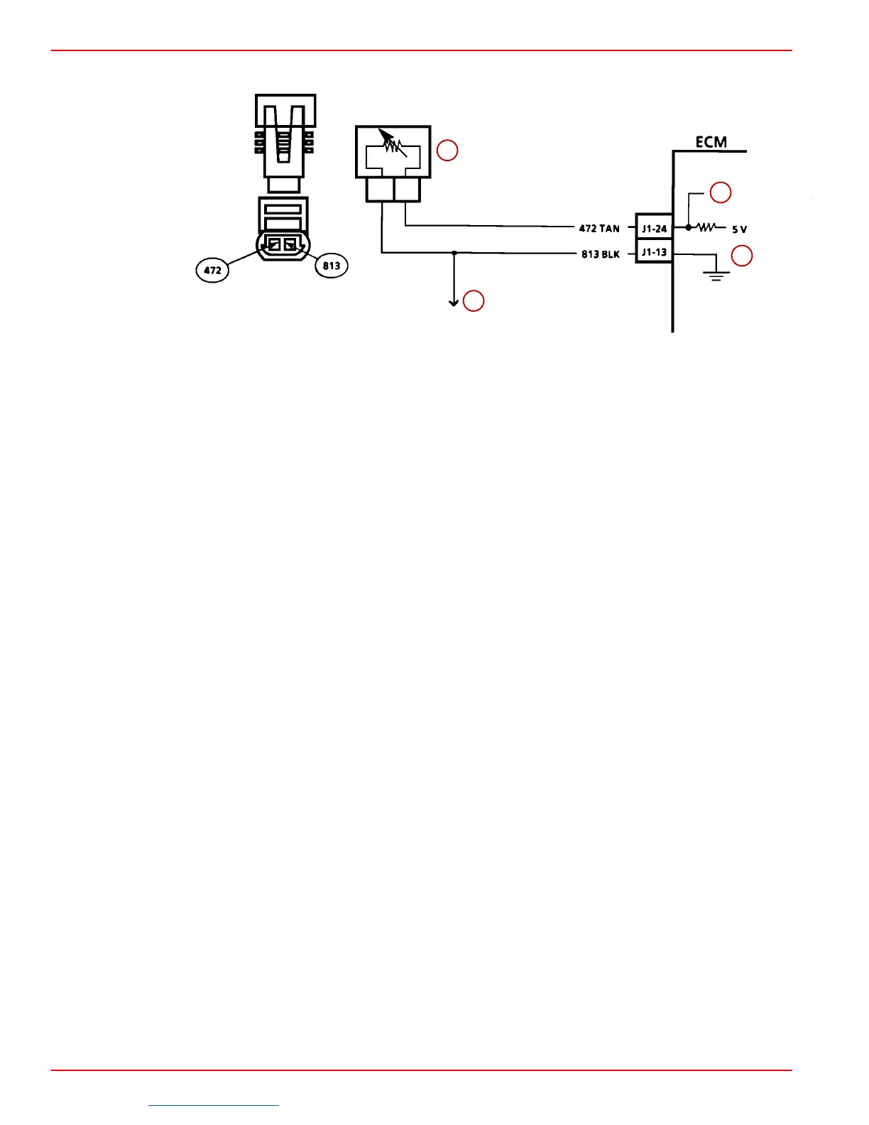
Code 23 (1 of 2): Intake Air Temperature (IAT) Sensor Circuit (Scan)
AB
a
b
c
d
a-Intake Air Temperature Sensor
b-To TP Sensor
c-IAT Sensor Signal
d-Sensor Ground
CIRCUIT DESCRIPTION:
The Intake Air Temperature (IAT) sensor uses a thermistor to control the signal voltage to
the Electronic Control Module (ECM). The ECM applies a voltage (about 5 volts) on CKT
472 to the sensor. When the air is cold, the sensor (thermistor) resistance is high; therefore,
the ECM will see a high signal voltage. If the air is warm, the sensor resistance is low; there-
fore, the ECM will see a low voltage.
DIAGNOSTIC AIDS:
The scan tool reads temperature of the air entering the engine and should read close to
ambient air temperature when engine is cold, and rises as engine compartment
temperature increases.
The IAT sensor in this engine is located on the starboard underside of the plenum.
Carefully check harness and connections for possible open.
If the engine has been allowed to sit overnight, the intake air temperature and coolant tem-
perature values should read within a few degrees of each other.
An intermittent problem may be caused by a poor or corroded connection, rubbed through
wire connection, a wire that is broken inside the insulation, or a corroded wire.
Any circuitry that is suspected as causing the intermittent complaint should be thoroughly
checked for backed-out terminals, improper mating, broken locks, improperly formed or
damaged terminals, poor terminal-to-wiring connections, corroded terminals and/or wiring,
or physical damage to the wiring harness. After repairs, clear codes following “Clearing
Codes” at the front of this section. Failure to do so may result in codes not properly being
cleared.
Downloaded from https://needmanual.com/!
Index

Table of Contents

Related product manuals