EasyManua.ls Logo

Mercury MerCruiser MCM 454 Mag MPI

Mercury MerCruiser MCM 454 Mag MPI
1027 pages
To Next Page IconTo Next Page
To Next Page IconTo Next Page
To Previous Page IconTo Previous Page
To Previous Page IconTo Previous Page
Loading...
SERVICE MANUAL NUMBER 23TROUBLE CODE DIAGNOSTICS - 454/502 MAG MPI & 8.2L MPI
Page 5F-28 90-861326--1 MARCH 1999
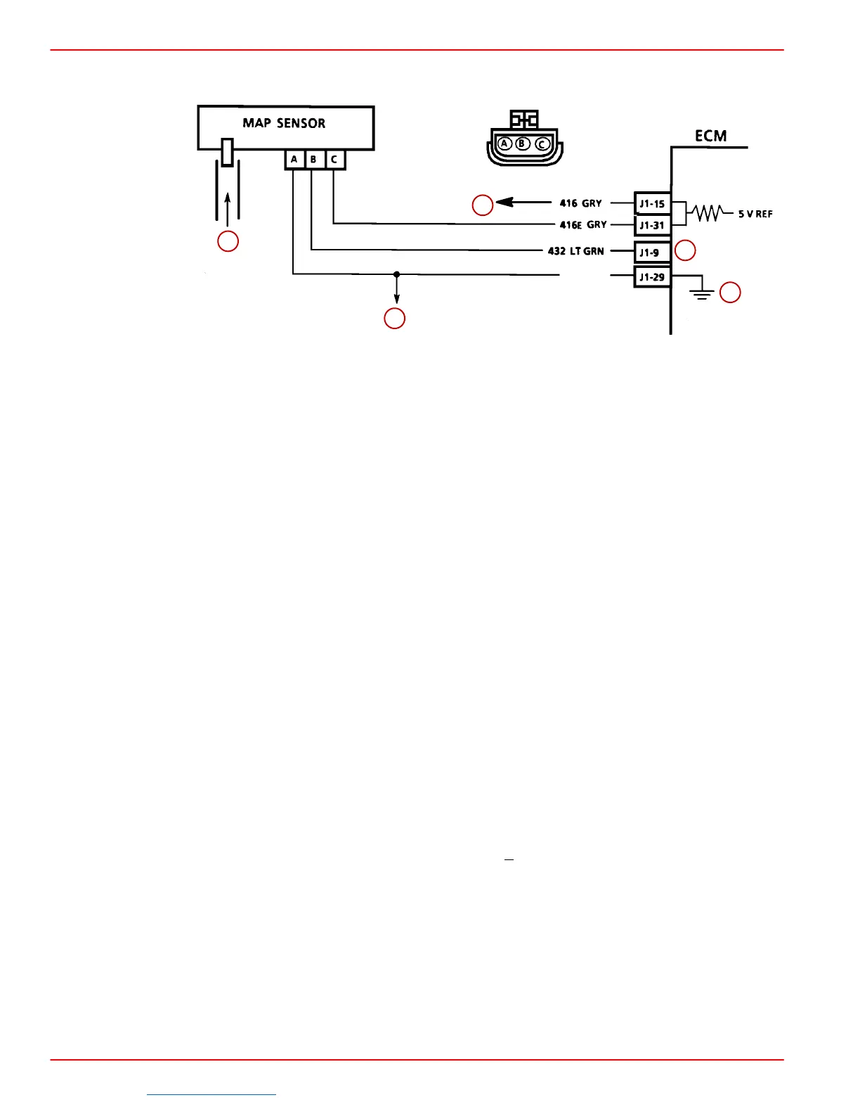
Code 33 (1 of 3): Manifold Absolute Pressure (MAP) Sensor Circuit (Scan)
814 BLK
a
b
c
d
e
a-Manifold Absolute Pressure (Vacuum)
b-To ECT Sensor
c-To TP sensor
d-Map Signal
e-Map And ECT Ground
CIRCUIT DESCRIPTION:
The Manifold Absolute Pressure (MAP) sensor responds to changes in manifold pressure
(vacuum). The ECM receives this information as a signal voltage that will vary from about
1-1.5 volts at closed throttle idle, to 4.0-4.8 volts at Wide Open Throttle (low vacuum).
The scan tool displays manifold pressure in Kilopascals (kPa) of pressure and voltage. Low
pressure (high vacuum) reads a low voltage while a high pressure (low vacuum) reads a
high voltage.
If the MAP sensor fails, the ECM will substitute a fixed MAP value and use engine rpm to
control fuel delivery.
DIAGNOSTIC AIDS:
If the idle is rough or unstable, refer to “Troubleshooting” for items which can cause an unsta-
ble idle.
With the ignition ON and the engine OFF, the manifold pressure is equal to atmospheric
pressure and the signal voltage will be high. This information is used by the ECM as an
indication of vessel altitude and is referred to as BARO. Comparison of this BARO reading,
with a known good vessel with the same sensor, is a good way to check accuracy of a
“suspect” sensor. Reading should be the same, +
.4 volt.
An intermittent problem may be caused by a poor or corroded connection, rubbed through
wire connection, a wire that is broken inside the insulation, or a corroded wire.
Any circuitry that is suspected as causing the intermittent complaint should be thoroughly
checked for backed-out terminals, improper mating, broken locks, improperly formed or
damaged terminals, poor terminal-to-wiring connections, corroded terminals and/or wiring,
or physical damage to the wiring harness. After repairs, clear codes following “Clearing
Codes” at the front of this section. Failure to do so may result in codes not properly being
cleared.
Downloaded from https://needmanual.com/!
Index

Table of Contents

Related product manuals