EasyManua.ls Logo

Merrychef eikon e4s - CONTROL CIRCUIT E4 S

Merrychef eikon e4s
59 pages
Print Icon
To Next Page IconTo Next Page
To Next Page IconTo Next Page
To Previous Page IconTo Previous Page
To Previous Page IconTo Previous Page
Loading...
54
Service & Parts Manual original Instructions
P
art Number 32Z3871 US
Issue 3
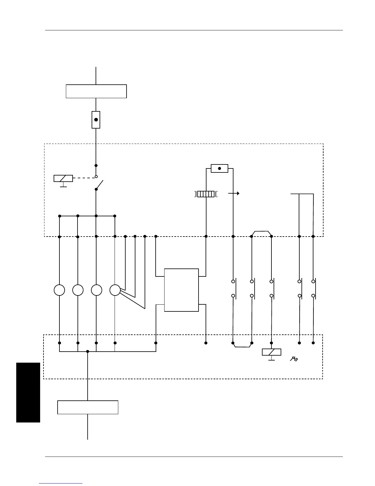
ELECTRICAL
CIRCUITS
Mains Input - L2
RFI Filter
09
F3
12 Amp
14
Safety Aux.
M MMM
Stirrer
Stirrer
Cooling Fan
Convection Fan Controller
RFI Filter
Mains Input - L1
15
In
TRC
Out
1765596163
64 646464 18 16
24V
1.25A
12V 12V
69
19
257372 27
2870 71 74 26
Safety Relay
Supply
Air Filter Reed Cont.
ON/OFF Switch
MW1 O/H
MW2 O/H
CAV O/H
Input Detection
for Control
24.2 CONTROL CIRCUIT e4s

Table of Contents

Other manuals for Merrychef eikon e4s

Related product manuals