EasyManua.ls Logo

Merrychef eikon e4s - HEATER CIRCUIT E4 S

Merrychef eikon e4s
59 pages
Print Icon
To Next Page IconTo Next Page
To Next Page IconTo Next Page
To Previous Page IconTo Previous Page
To Previous Page IconTo Previous Page
Loading...
Service & Parts Manual original Instructions
Part Number 32Z3871 US
Issue 3
55
ELECTRICAL
CIRCUITS
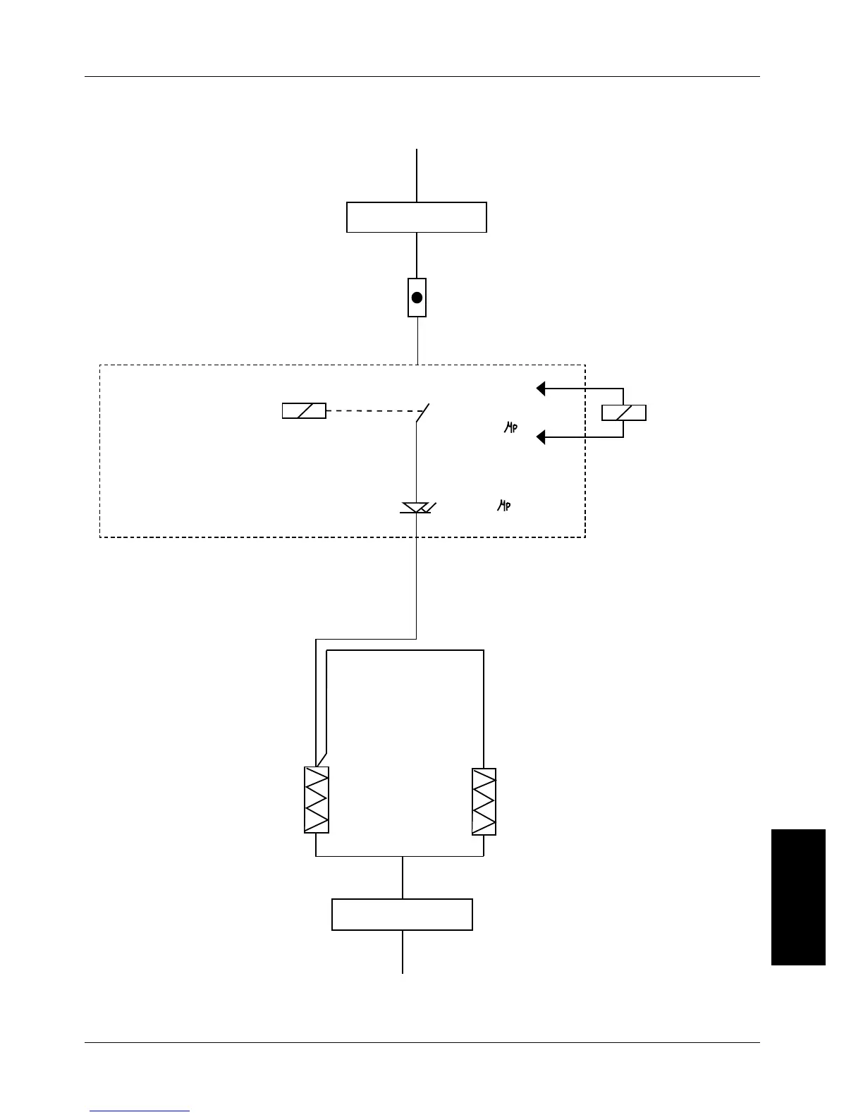
24.3 HEATER CIRCUIT e4s
RFI Filter
Mains Input - L2
RFI Filter
Mains Input - L1
Heater Element
7711
7829 78
29
Temperature
Thermocouple
+
-
x14.1
x14.2
07
10
F1
20 Amp
x2.1
Safety Heater Relay
Powered by Safety Supply
Relay
11
Processor Controlled
x2.2
Input for

Table of Contents

Other manuals for Merrychef eikon e4s

Related product manuals