EasyManua.ls Logo

Merrychef eikon e4s - MICROWAVE CIRCUIT E4 S

Merrychef eikon e4s
59 pages
Print Icon
To Next Page IconTo Next Page
To Next Page IconTo Next Page
To Previous Page IconTo Previous Page
To Previous Page IconTo Previous Page
Loading...
56
Service & Parts Manual original Instructions
P
art Number 32Z3871 US
Issue 3
ELECTRICAL
CIRCUITS
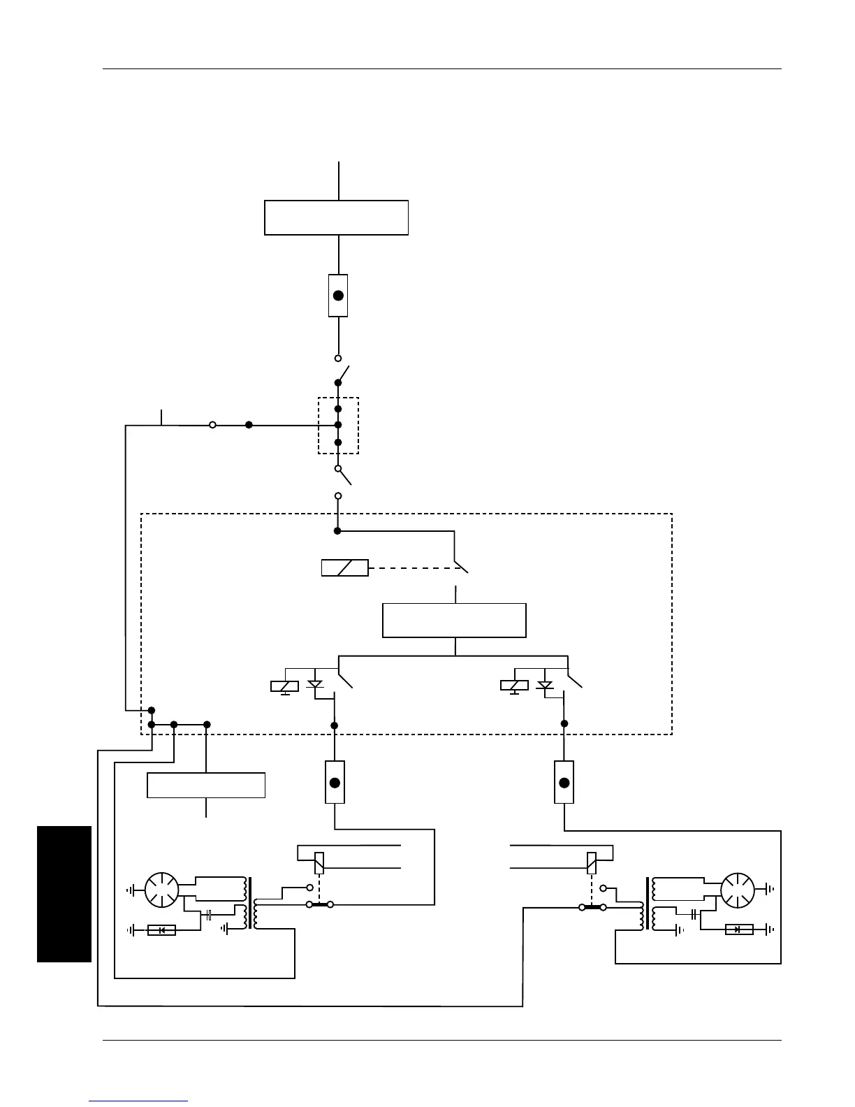
24.4 MICROWAVE CIRCUIT e4s
Mains Input - L2
RFI Filter
08
x.10
RHS SW2
Normally
Open
Door Switches Shown in
Door Open Position
F2
20 Amp
12
23
20
45
21
21 22
LHS SW3
Normally
Open
24
Current Sense
x4a
Hybrid
Relay
To SRB E101 Sence
Safety Relay
Microwave Powered
By Safety Supply Relay
x102b x102a
x4b1
x4b2
32
31
13
30 44
MW1
31
45
46
Mains Input - L1
MW2
208
240
0
55
56
57
Diode
T1
51
52
Diode
37
38
T2
240
208
0
42
41
43
RFI Filter
F4
12 Amp
F5
12 Amp

Table of Contents

Other manuals for Merrychef eikon e4s

Related product manuals